EasyManua.ls Logo

Sony HCD-DX90 - Schematic Diagram - Leaf SW Section

Sony HCD-DX90
66 pages
Print Icon
To Next Page IconTo Next Page
To Next Page IconTo Next Page
To Previous Page IconTo Previous Page
To Previous Page IconTo Previous Page
Loading...
HCD-DX90
3535
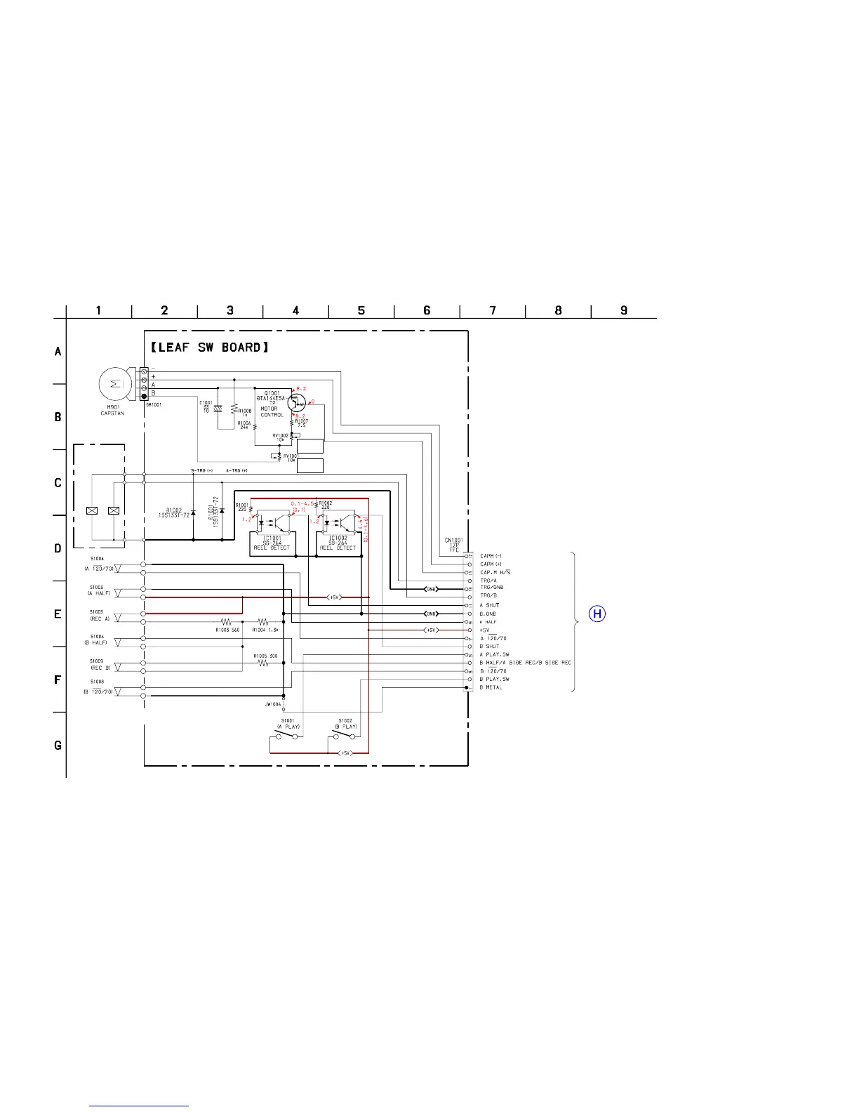
7-14. SCHEMATIC DIAGRAM LEAF SW SECTION
TAPE SPEED
(NORMAL)
PM1002
(DECK-B)
PM1001
(DECK-A)
TAPE
MECHANISM DECK
BLOCK (1/3)
(TCM-230PWR11)
TAPE SPEED
(HIGH)
(DECK-A)
(DECK-B)
MAIN BOARD (2/3)
CN304
(Page 28)
Voltages and waveforms are dc with respect to ground
under no-signal conditions.
no mark : PB (DECK-A)
( ) : PB (DECK-B)

Related product manuals