EasyManua.ls Logo

Sony HCD-GNZ5D - Schematic Diagram - Driver Section

Sony HCD-GNZ5D
88 pages
Print Icon
To Next Page IconTo Next Page
To Next Page IconTo Next Page
To Previous Page IconTo Previous Page
To Previous Page IconTo Previous Page
Loading...
33 33
HCD-GNZ5D
HCD-GNZ5D
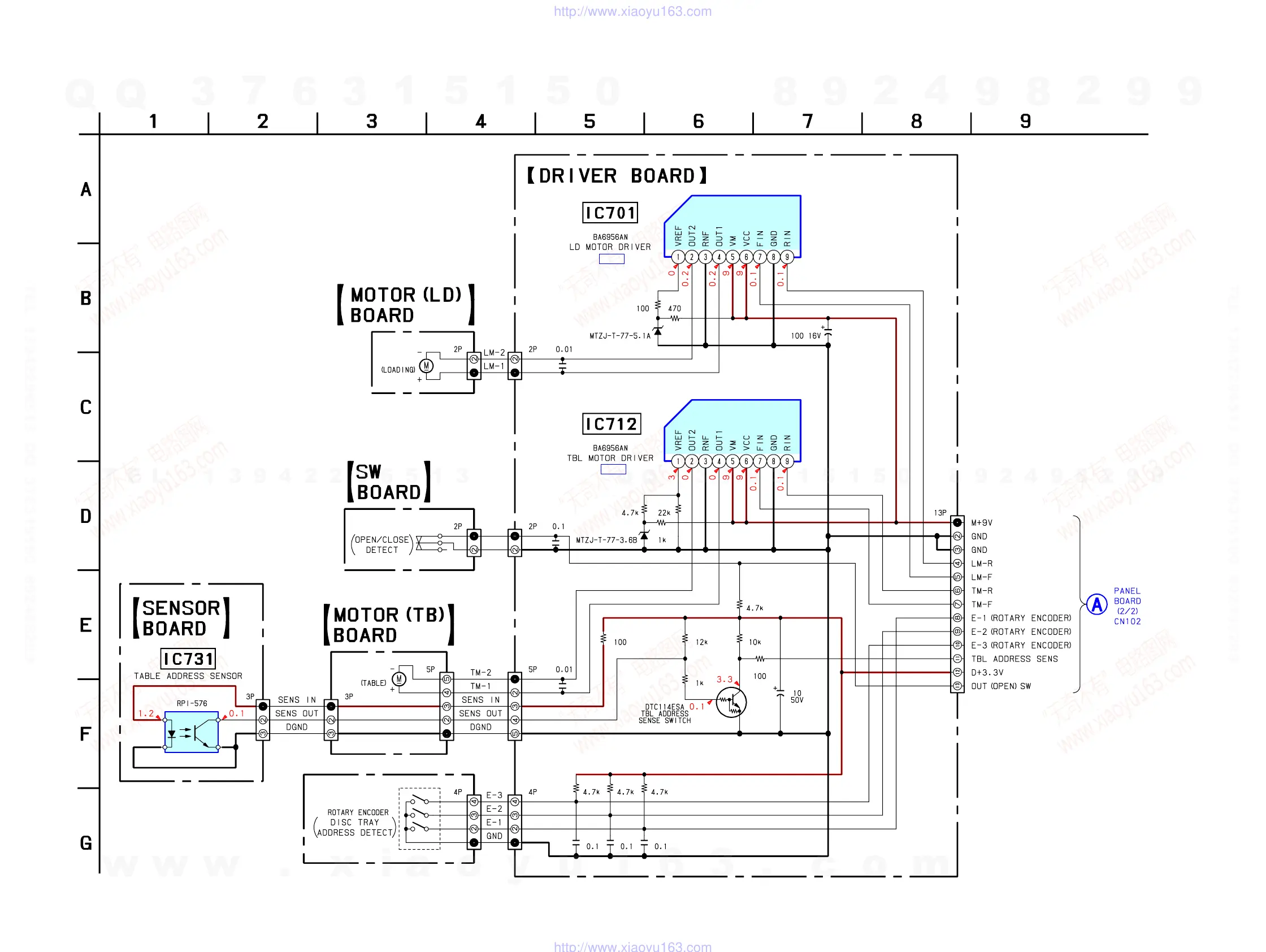
7-7. SCHEMATIC DIAGRAM — DRIVER SECTION — • Refer to page 56 for IC Block Diagrams.
IC B/D
IC B/D
R751
C752CN705
CN704CN721
CN751
C751
IC701
IC712
R701
R713
R711
R723 R721R722
C735C736C737
R735
R733
R731
C731
Q731
C741
CN703
IC731
CN731 CN741
CN742
C715
R702
R712
R732R734
D711
M751
M741
S751
CN701
D701
CN702
CN711
RE701
(Page 49)
w
w
w
.
x
i
a
o
y
u
1
6
3
.
c
o
m
Q
Q
3
7
6
3
1
5
1
5
0
9
9
2
8
9
4
2
9
8
T
E
L
1
3
9
4
2
2
9
6
5
1
3
9
9
2
8
9
4
2
9
8
0
5
1
5
1
3
6
7
3
Q
Q
TEL 13942296513 QQ 376315150 892498299
TEL 13942296513 QQ 376315150 892498299
http://www.xiaoyu163.com
http://www.xiaoyu163.com

Table of Contents

Related product manuals