EasyManua.ls Logo

Sony HCD-GNZ5D - Schematic Diagram - Video Section

Sony HCD-GNZ5D
88 pages
Print Icon
To Next Page IconTo Next Page
To Next Page IconTo Next Page
To Previous Page IconTo Previous Page
To Previous Page IconTo Previous Page
Loading...
45 45
HCD-GNZ5D
HCD-GNZ5D
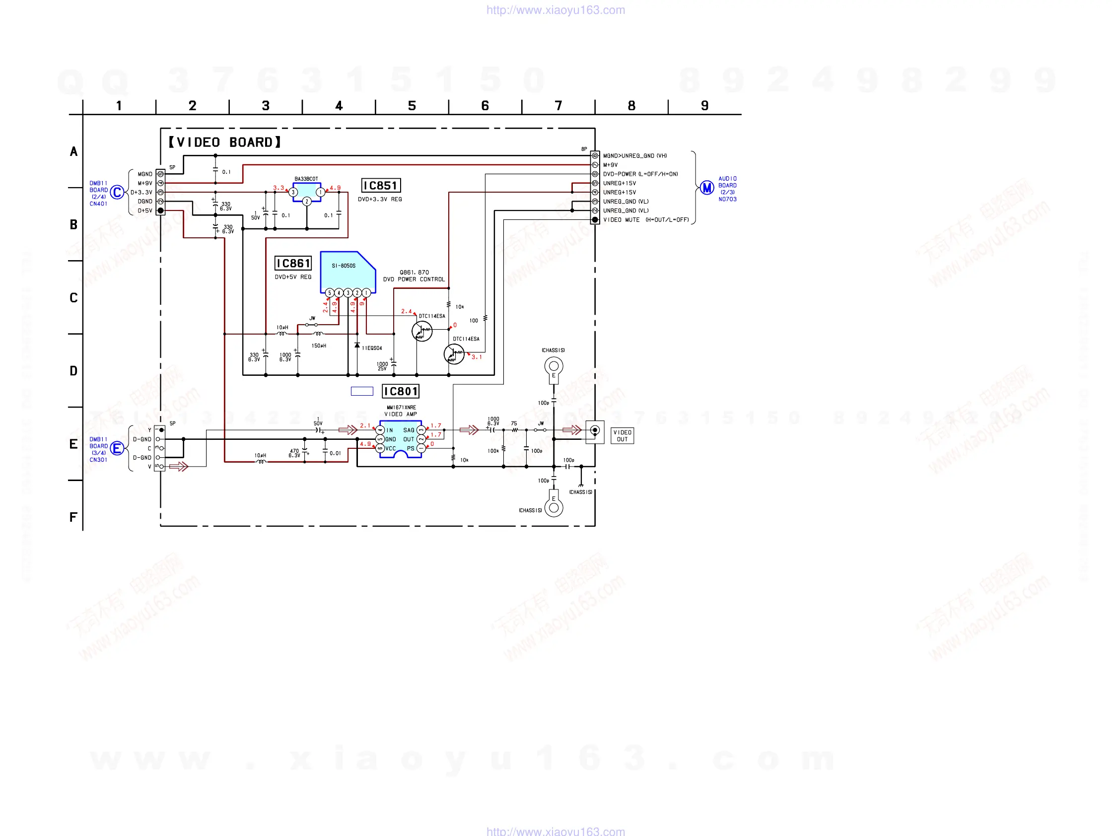
7-18. SCHEMATIC DIAGRAM — VIDEO SECTION —
IC B/D
C802
L801
C862
C863C865
L861
L862
R870
R871
C872
C840
C851
C812
R811
C813
FB811
C841
C842
R801
C853
C854
IC851
IC801
IC861
R861
Q861
Q870
C801 R812
C856
C866
NO851
C811
EP801
EP851
D861
CN851
CN801
J801
(Page 37)
(Page 38)
(Page 42)
w
w
w
.
x
i
a
o
y
u
1
6
3
.
c
o
m
Q
Q
3
7
6
3
1
5
1
5
0
9
9
2
8
9
4
2
9
8
T
E
L
1
3
9
4
2
2
9
6
5
1
3
9
9
2
8
9
4
2
9
8
0
5
1
5
1
3
6
7
3
Q
Q
TEL 13942296513 QQ 376315150 892498299
TEL 13942296513 QQ 376315150 892498299
http://www.xiaoyu163.com
http://www.xiaoyu163.com

Table of Contents

Related product manuals