EasyManua.ls Logo

Sony HCD-GNZ5D - Schematic Diagram - DMB11 Section (4;4)

Sony HCD-GNZ5D
88 pages
Print Icon
To Next Page IconTo Next Page
To Next Page IconTo Next Page
To Previous Page IconTo Previous Page
To Previous Page IconTo Previous Page
Loading...
39 39
HCD-GNZ5D
HCD-GNZ5D
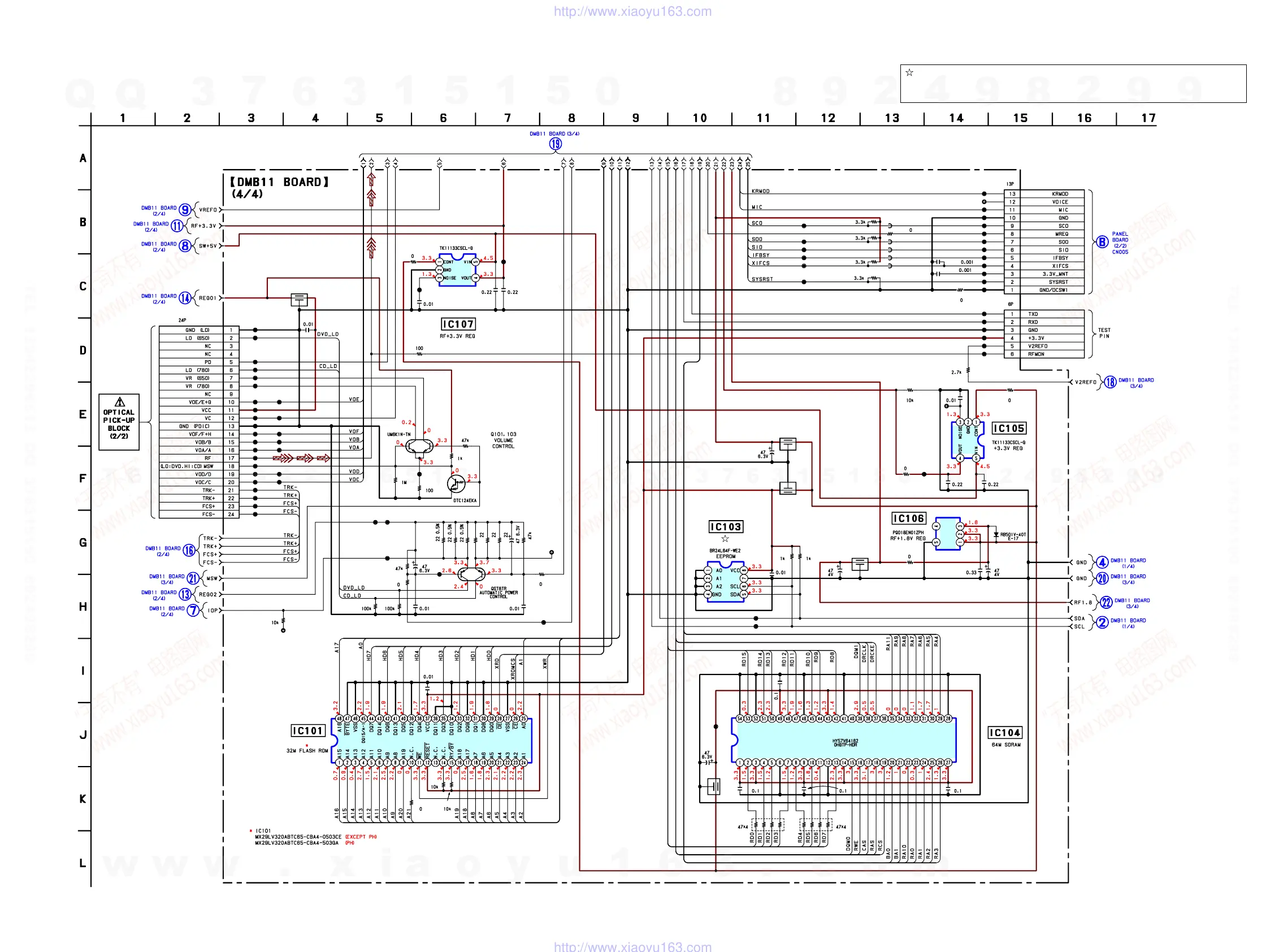
7-12. SCHEMATIC DIAGRAM — DMB11 SECTION (4/4) —
R109
R1133
R1134
R123
R126
R187
CL106
CL107
CL112
CL113
JL139
JL140
JL141
JL142
JL143
JL144
JL145
JL146
JL147
JL148
JL149
JL150
JL151
JL152
JL153
JL154
JL155
JL156
JL157
JL158
JL159
CL114
CL115
CL116
CL117
CL118
ICT108
ICT110
ICT111
ICT121
ICT123
ICT124
ICT126
ICT127
ICT128
ICT129
ICT137
JL107
JL108
JL109
JL110
JL111
JL112
JL114
JL138
JL115
JL116
JL117
JL118
JL119
JL120
JL121
JL122
JL123
JL124
JL125
CL1501
C105
C177
C178
C187
CN101
CN105
D1001
IC104
CN106
R1544
C101
R108
R111
R116
R117
R101
R114
R107
R1129
R105
R106
C102
C113C106
C195C193
C192
C108
C109
R1150
R1546
R1152
R1151
C167
C180
C191
C179
RB105 RB106
C184R169
C182 C188
C189
R1110
C181
ICT107
ICT102
ICT101
ICT106
ICT105
ICT104
ICT103
C190
R104
R193 R191
R113
R115
R112
R118
R120
R121
R124
C112
R110
Q102
IC103
IC105
R1502
FL101
IC107
Q103
Q101
FB115
FB114
FB113
FB112
FB111
FL106
FL104
FL107
FL108
IC101
IC106
(Page 37)
(Page 37)
(Page 37)
(Page 37)
(Page 37)
(Page 38)
(Page 37)
(Page 37)
(Page 36)
(Page 36)
(Page 38)
(Page 38)
(Page 38)
(Page 49)
(Page 38)
Ver. 1.1
New part of EEP ROM (IC103) on the DMB11 board cannot be used. Therefore,
if the mounted DMB11 board (A-1109-317-A, etc.) is replaced, exchange new
EEP ROM (IC103) with that used before the replacement.
w
w
w
.
x
i
a
o
y
u
1
6
3
.
c
o
m
Q
Q
3
7
6
3
1
5
1
5
0
9
9
2
8
9
4
2
9
8
T
E
L
1
3
9
4
2
2
9
6
5
1
3
9
9
2
8
9
4
2
9
8
0
5
1
5
1
3
6
7
3
Q
Q
TEL 13942296513 QQ 376315150 892498299
TEL 13942296513 QQ 376315150 892498299
http://www.xiaoyu163.com
http://www.xiaoyu163.com

Table of Contents

Related product manuals