EasyManua.ls Logo

Sony HCD-GNZ5D - Schematic Diagram - Front Amp Section

Sony HCD-GNZ5D
88 pages
Print Icon
To Next Page IconTo Next Page
To Next Page IconTo Next Page
To Previous Page IconTo Previous Page
To Previous Page IconTo Previous Page
Loading...
47 47
HCD-GNZ5D
HCD-GNZ5D
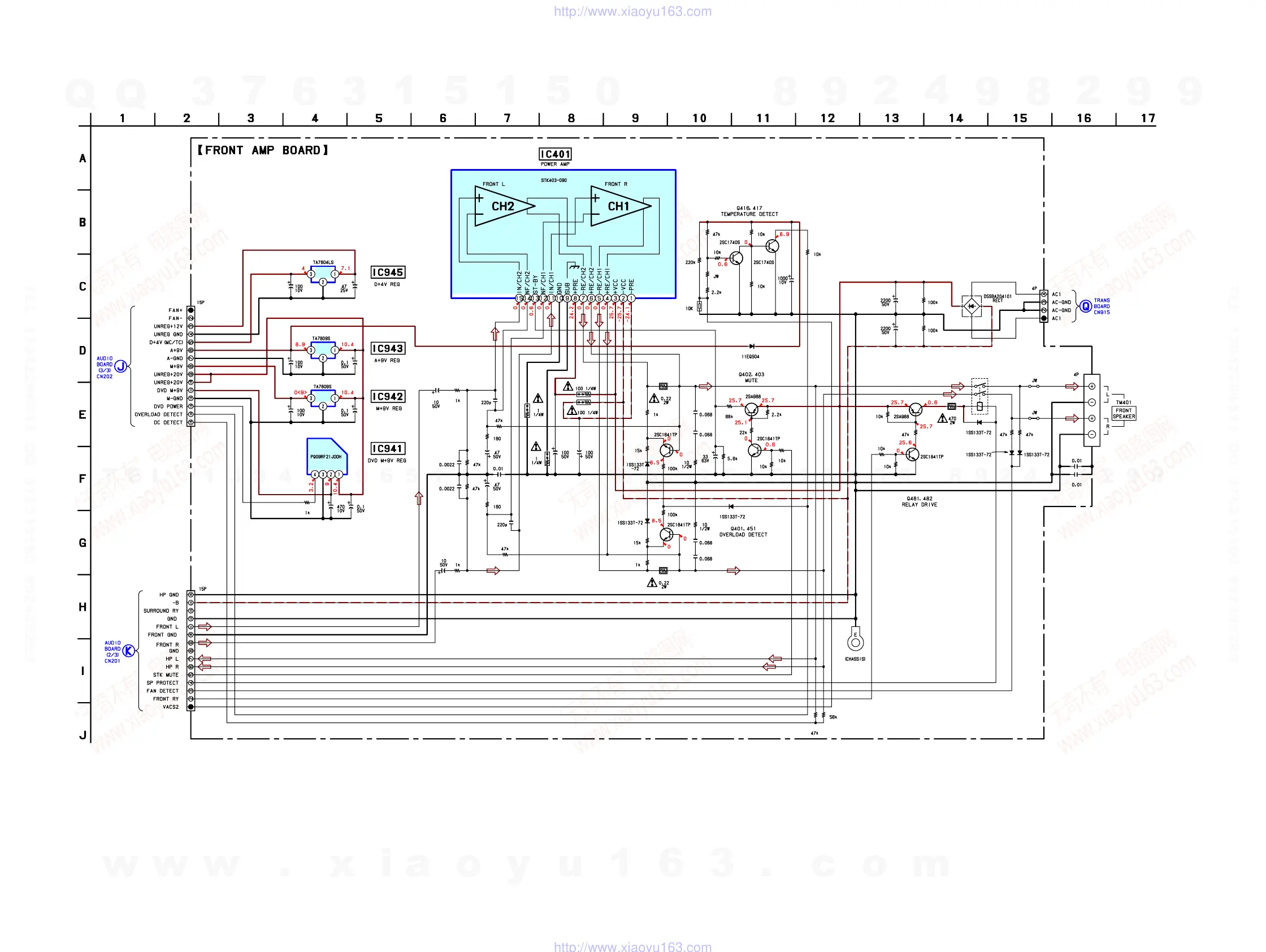
7-20. SCHEMATIC DIAGRAM — FRONT AMP SECTION —
R451
R401
R454
R439
R440
R489
R490
C451
C401
C416
C403
C453
D491
D481
TM401
IC942
IC943
JW482
JW481
R416
R429
Q402
R406
CN401
CN402
C950
C946 C945
C944 C943
R941
C942 C941
R452
R404
R402
R407
R408
R409
R458
D451
R459
R457
R456
R460
R430
R426
R410
R425
R428
R427
R413
R414
R421
Q417
R417R418
R412
TH401
C410
R415
Q416
R471
R472
D485D486
R488
R487
NO471
R419
R420
R411
R461
C406
C407
C457
C456
C486
C485
D410
D401
RY481
R486 R485
EP401
Q401
Q403
Q451
Q481
Q482
IC945
IC941
R403
C404
C454
R453
D471
R480
IC401
C949
C402
C452
C408 C458
C421
C471
C472
(Page 43)
(Page 42)
(Page 53)
w
w
w
.
x
i
a
o
y
u
1
6
3
.
c
o
m
Q
Q
3
7
6
3
1
5
1
5
0
9
9
2
8
9
4
2
9
8
T
E
L
1
3
9
4
2
2
9
6
5
1
3
9
9
2
8
9
4
2
9
8
0
5
1
5
1
3
6
7
3
Q
Q
TEL 13942296513 QQ 376315150 892498299
TEL 13942296513 QQ 376315150 892498299
http://www.xiaoyu163.com
http://www.xiaoyu163.com

Table of Contents

Related product manuals