EasyManua.ls Logo

Sony HCD-GNZ5D - Schematic Diagram - DMB11 Section (2;4)

Sony HCD-GNZ5D
88 pages
Print Icon
To Next Page IconTo Next Page
To Next Page IconTo Next Page
To Previous Page IconTo Previous Page
To Previous Page IconTo Previous Page
Loading...
37 37
HCD-GNZ5D
HCD-GNZ5D
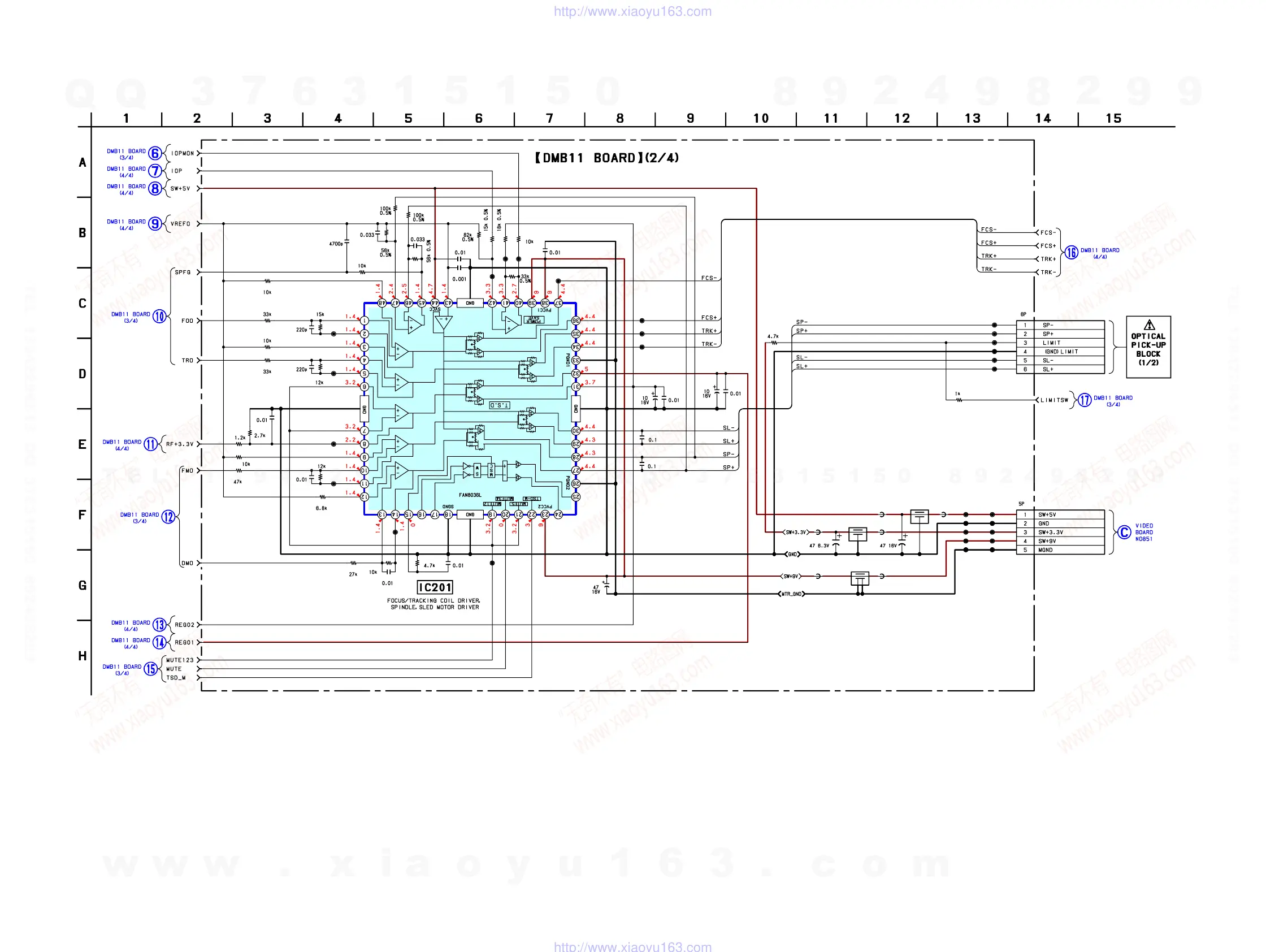
7-10. SCHEMATIC DIAGRAM — DMB11 SECTION (2/4) —
CL202
CL203
CL204
CL205
CL206
CL207
CL208
CL210
CL211
CL212
ICT207
JL201
JL202
JL203
JL204
JL205
JL206
CL209
CL201
C217
C218
C220
JL4601JL4602
JL4603JL4604
JL4605JL4606
JL4607JL4608
JL4609JL4610
CN401
R206
R207
R204
C203
R205
R209
R210
R219
R224
C210
R216
C208
R215
C206
R214
C205
R208
R212
C233
R220
C209
R221
R223
R225
C211
R234
R230
C212
C214
C215
R233
C213
C222
C221
C219
C224
CN201
R247
R246
R2504
R226
R231
R232
R213
IC201
C402C403
FB406
FB405
FL402
FL403
FB403
FB404
FL401
FB402
FB401
(Page 38)
(Page 39)
(Page 39)
(Page 38)
(Page
39)
(Page 39)
(Page 38)
(Page 39)
(Page 38)
(Page 39)
(Page 39)
(Page 38)
(Page 45)
w
w
w
.
x
i
a
o
y
u
1
6
3
.
c
o
m
Q
Q
3
7
6
3
1
5
1
5
0
9
9
2
8
9
4
2
9
8
T
E
L
1
3
9
4
2
2
9
6
5
1
3
9
9
2
8
9
4
2
9
8
0
5
1
5
1
3
6
7
3
Q
Q
TEL 13942296513 QQ 376315150 892498299
TEL 13942296513 QQ 376315150 892498299
http://www.xiaoyu163.com
http://www.xiaoyu163.com

Table of Contents

Related product manuals