EasyManua.ls Logo

Sony HCD-GNZ5D - Schematic Diagram - Audio Section (2;3)

Sony HCD-GNZ5D
88 pages
Print Icon
To Next Page IconTo Next Page
To Next Page IconTo Next Page
To Previous Page IconTo Previous Page
To Previous Page IconTo Previous Page
Loading...
4242
HCD-GNZ5D
HCD-GNZ5D
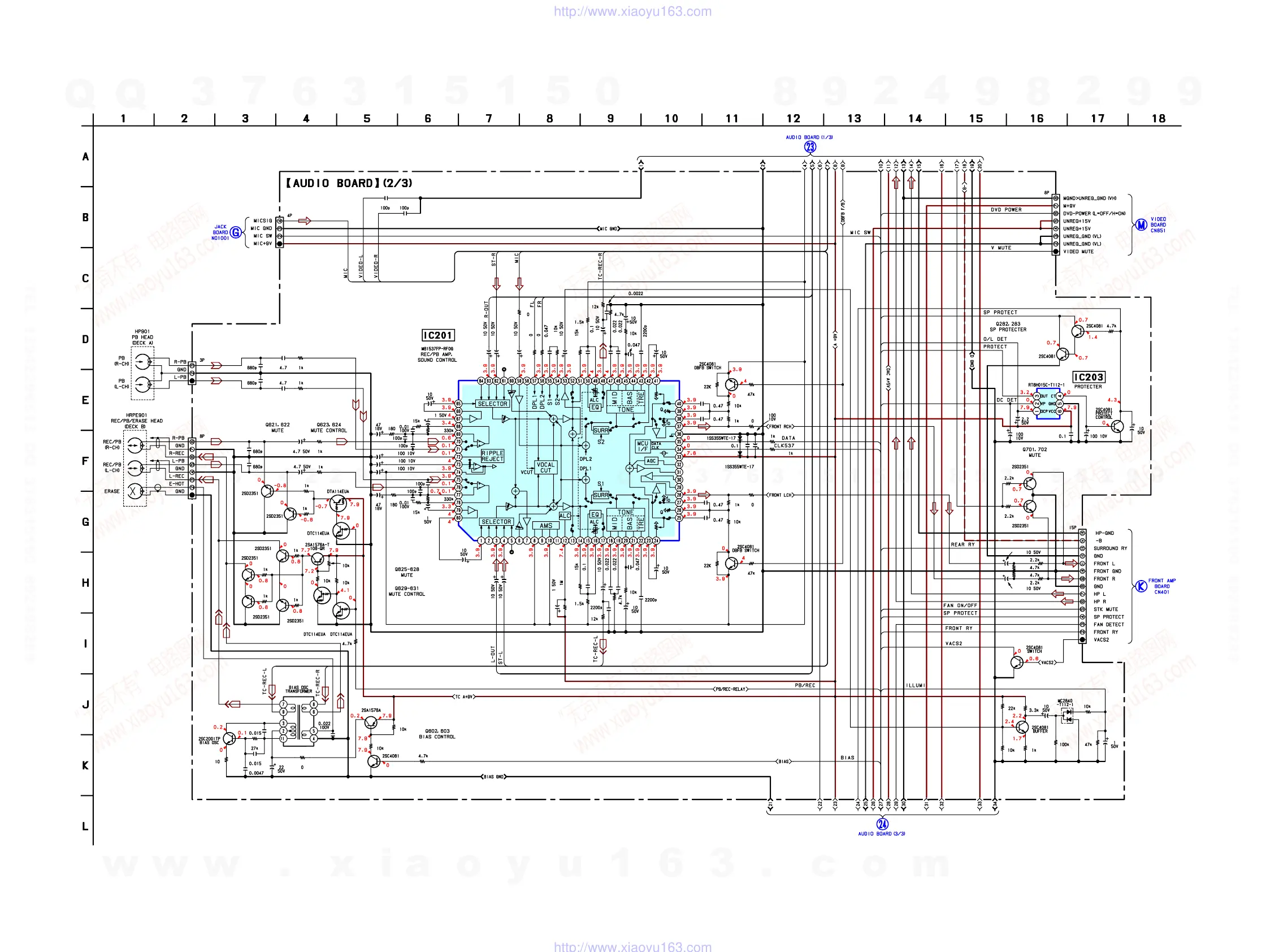
7-15. SCHEMATIC DIAGRAM — AUDIO SECTION (2/3) —
C223
C263
R215
R214
R216
R255
R254
R256
R201
C221
C658
C618
R639
CN602
C205
C204
C266
R212
R620
R617
R232
TP201
TP200
C203
C213
C253
C237
C281
C282C283
R271
C273
R275 R277
C274
R276
Q629
R621
R622
R221
R261
C286
R611
R651
R652
R612
R272
R273
R274
R659
C220
CN201
C254
C214
CN601
R616
R632
R211
R251
C259
C258
C218
C219
C620
R657
C654
C614
R282
R623
R624
R626
R625
C236
C262
C285
R231
R658
C659
R253
C261
R656
R252
C657
R213
C222
C617
C619
R618
C211
C653
C613
R629
R628
R627
R604
R603
C605
C603
R601
C602
C601
C616
C656
C622
C621
C615
C251
R613
C623
C624
C226
C655
R653
C264
C265
JR251
C611
C651
C201
C225
C224
JR211
JW293
R701
R702
C228
C268
T601
Q601
Q271
Q621
Q622
Q624
Q623
Q627
Q625
Q626
Q628
Q630 Q631
R602
Q603
Q602
R655
R654
R615
R614
IC201
C260
JW291
C202
Q282
Q283
IC203
Q281
Q701
Q272
D271
C612
C652
Q702
C256
R202
C604
CN203
Q252
D201
D202
Q212
NO703
R222
R262
C368C367
(Page 41)
(Page 52)
(Page 43)
(Page 47)
(Page 45)
w
w
w
.
x
i
a
o
y
u
1
6
3
.
c
o
m
Q
Q
3
7
6
3
1
5
1
5
0
9
9
2
8
9
4
2
9
8
T
E
L
1
3
9
4
2
2
9
6
5
1
3
9
9
2
8
9
4
2
9
8
0
5
1
5
1
3
6
7
3
Q
Q
TEL 13942296513 QQ 376315150 892498299
TEL 13942296513 QQ 376315150 892498299
http://www.xiaoyu163.com
http://www.xiaoyu163.com

Table of Contents

Related product manuals