EasyManua.ls Logo

Sony HCD-GNZ5D - Schematic Diagram - Audio Section (1;3)

Sony HCD-GNZ5D
88 pages
Print Icon
To Next Page IconTo Next Page
To Next Page IconTo Next Page
To Previous Page IconTo Previous Page
To Previous Page IconTo Previous Page
Loading...
41 41
HCD-GNZ5D
HCD-GNZ5D
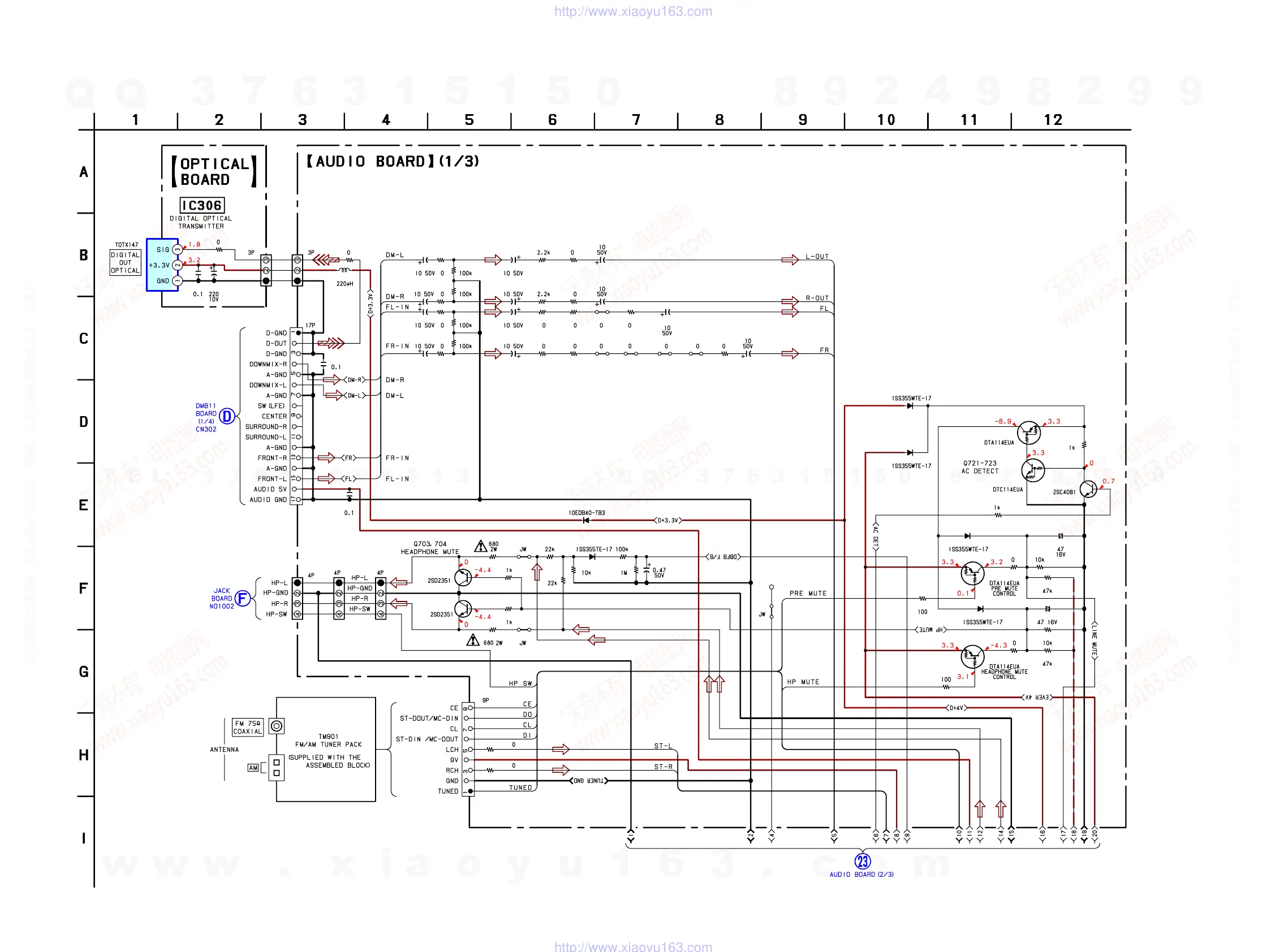
7-14. SCHEMATIC DIAGRAM — AUDIO SECTION (1/3) —
C362
C322
R357
R311
R351
R312
R352
R321
R361
R322
R362
C321
C361
R740R741
R742
JR304 JR305
R768
R769
R236
R235 R238
R263
R703
R704
R723
R721
R739
R738 R737
CN753
C728
C778
NO302ANO302B
CN755
JW417
C356
C316
C325
C365
C312
C352
C311
C351
R239R237
C239
C726
JW415 JW416
Q729
Q728
D771
D235
R223
Q703
Q704
Q722
Q723
Q721
R353 R355
R313 R315 R317
C323
C363
CN301
C229
C269
R715
R717
JW301
R363
R323FB301CN304NO305
R304
C309C308
L302
D727
D726
D762
D728
IC306
C725
(Page 36)
(Page 52)
(Page 42)
w
w
w
.
x
i
a
o
y
u
1
6
3
.
c
o
m
Q
Q
3
7
6
3
1
5
1
5
0
9
9
2
8
9
4
2
9
8
T
E
L
1
3
9
4
2
2
9
6
5
1
3
9
9
2
8
9
4
2
9
8
0
5
1
5
1
3
6
7
3
Q
Q
TEL 13942296513 QQ 376315150 892498299
TEL 13942296513 QQ 376315150 892498299
http://www.xiaoyu163.com
http://www.xiaoyu163.com

Table of Contents

Related product manuals