EasyManua.ls Logo

Sony HCD-GNZ5D - Schematic Diagram - Jack Section

Sony HCD-GNZ5D
88 pages
Print Icon
To Next Page IconTo Next Page
To Next Page IconTo Next Page
To Previous Page IconTo Previous Page
To Previous Page IconTo Previous Page
Loading...
5252
HCD-GNZ5D
HCD-GNZ5D
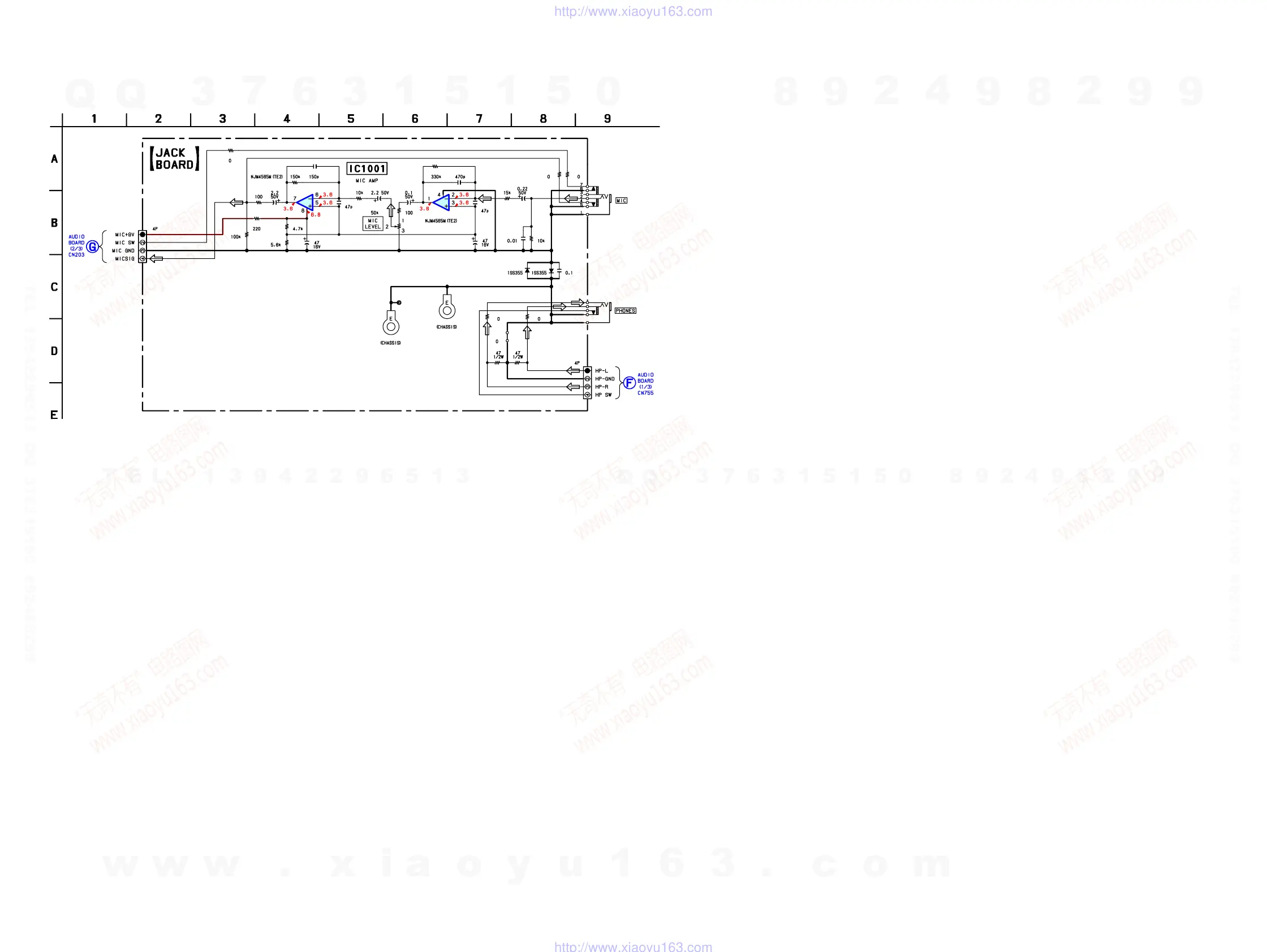
7-25. SCHEMATIC DIAGRAM — JACK SECTION —
IC1001(2/2)
R1008
RV1001
R1012
R1007
C1013
C1010
IC1001(1/2)
R1014 C1011
R1015
C1014
J1002
EP1001
C1005
FB1004FB1003
R1032R1031
J1004
JW1013
NO1002
C1007
R1009
R1010
R1006
R1013
C1008
C1006R1011
C1016 R1017
C1036D1005 D1006
C1012
C1009
EPT1002
EPT1001
JR1000
R1019R1020
NO1001
(Page 42)
(Page 41)
w
w
w
.
x
i
a
o
y
u
1
6
3
.
c
o
m
Q
Q
3
7
6
3
1
5
1
5
0
9
9
2
8
9
4
2
9
8
T
E
L
1
3
9
4
2
2
9
6
5
1
3
9
9
2
8
9
4
2
9
8
0
5
1
5
1
3
6
7
3
Q
Q
TEL 13942296513 QQ 376315150 892498299
TEL 13942296513 QQ 376315150 892498299
http://www.xiaoyu163.com
http://www.xiaoyu163.com

Table of Contents

Related product manuals