EasyManua.ls Logo

Sony HCD-GNZ5D - Schematic Diagram - Power Section

Sony HCD-GNZ5D
88 pages
Print Icon
To Next Page IconTo Next Page
To Next Page IconTo Next Page
To Previous Page IconTo Previous Page
To Previous Page IconTo Previous Page
Loading...
53 53
HCD-GNZ5D
HCD-GNZ5D
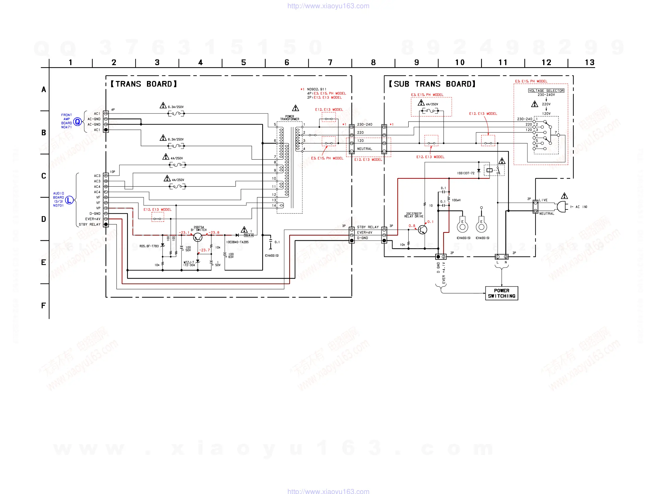
7-26. SCHEMATIC DIAGRAM — POWER SECTION —
C918
C912
C913
R914
R915
R916
C915
R919
CN901
D901
FH911 FH910
R901
L901
C903
C902
CN914
R911
CN915
FH926 FH925
FH928 FH927
FH920 FH919
FH918 FH917
NO912 NO903
JW924
Q902
JW921
JW923
EP901 EP904
EP902
JW901
S901
Q901
CN902
D912
D911
NO901
R904
RY901
JW910
F919
JW925
D913
F914
F915
F918
T911
NO911 NO902
F910
(Page 47)
(Page 43)
w
w
w
.
x
i
a
o
y
u
1
6
3
.
c
o
m
Q
Q
3
7
6
3
1
5
1
5
0
9
9
2
8
9
4
2
9
8
T
E
L
1
3
9
4
2
2
9
6
5
1
3
9
9
2
8
9
4
2
9
8
0
5
1
5
1
3
6
7
3
Q
Q
TEL 13942296513 QQ 376315150 892498299
TEL 13942296513 QQ 376315150 892498299
http://www.xiaoyu163.com
http://www.xiaoyu163.com

Table of Contents

Related product manuals