EasyManua.ls Logo

Sony HCD-GNZ5D - Schematic Diagram - DMB11 Section (1;4)

Sony HCD-GNZ5D
88 pages
Print Icon
To Next Page IconTo Next Page
To Next Page IconTo Next Page
To Previous Page IconTo Previous Page
To Previous Page IconTo Previous Page
Loading...
3636
HCD-GNZ5D
HCD-GNZ5D
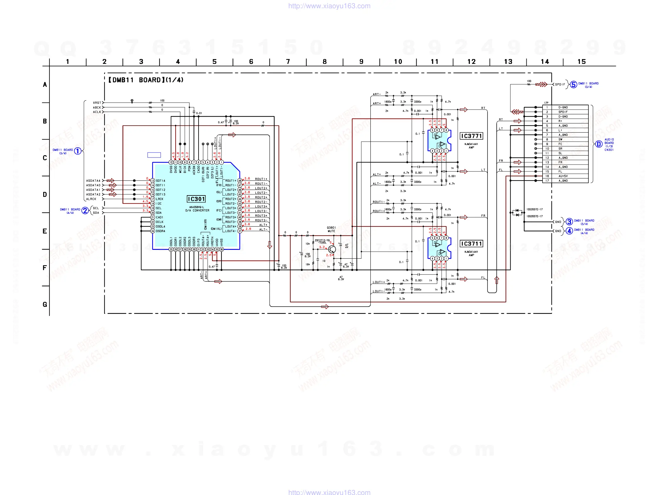
7-9. SCHEMATIC DIAGRAM — DMB11 SECTION (1/4) — • Refer to page 56 for IC Block Diagrams.
IC B/D
JL3505
JL3506
JL3507
JL3508
JL3509
JL3510
JL3511
JL3512
JL3513
JL3514
JL3515
JL3517
JL3516
R319
R318
ICT301
C3804
R3802
C3803
JL3504
JL3503
JL3502
JL3501
C3805
C306
C307
IC3711
Q3801
IC3771
C3801
C301
C305
JL344
JL343
JL3653
JL3652
JL3651
JL345
JL346
JL347
JL348
JL349
C302 R3805
R3804
R3803
R3781 R3783
R3782
R3784 C3782C3781
C3783R3785 R3786
R3787 R3788
C3708
C3707
C3773
R3775
R3774
R3772
C3771
R3771
R3773
C3772
R3776
R3777
C3774
R3721 R3723
C3721 C3722
R3722
R3724 R3727
R3726R3725 C3723
C3702
C3701
R3712
R3714
C3711 C3712
R3715 C3713
R3711
R3713
R3717
R3716
R3718
C3714
R3719
R3729
C3724
R3728
R3778
R3779
R3789
C3784
R3801
C3802
R3653
R3652
R314
IC301
D3501
D3502
R3501
CN302
(Page 38)
(Page 39)
(Page 38)
(Page 41)
(Page 38)
(Page 39)
w
w
w
.
x
i
a
o
y
u
1
6
3
.
c
o
m
Q
Q
3
7
6
3
1
5
1
5
0
9
9
2
8
9
4
2
9
8
T
E
L
1
3
9
4
2
2
9
6
5
1
3
9
9
2
8
9
4
2
9
8
0
5
1
5
1
3
6
7
3
Q
Q
TEL 13942296513 QQ 376315150 892498299
TEL 13942296513 QQ 376315150 892498299
http://www.xiaoyu163.com
http://www.xiaoyu163.com

Table of Contents

Related product manuals