EasyManua.ls Logo

Sony HCD-GNZ8D - Block Diagram - Main Section

Sony HCD-GNZ8D
108 pages
Print Icon
To Next Page IconTo Next Page
To Next Page IconTo Next Page
To Previous Page IconTo Previous Page
To Previous Page IconTo Previous Page
Loading...
3838
HCD-GNZ7D/GNZ8D/GNZ9D
HCD-GNZ7D/GNZ8D/GNZ9D
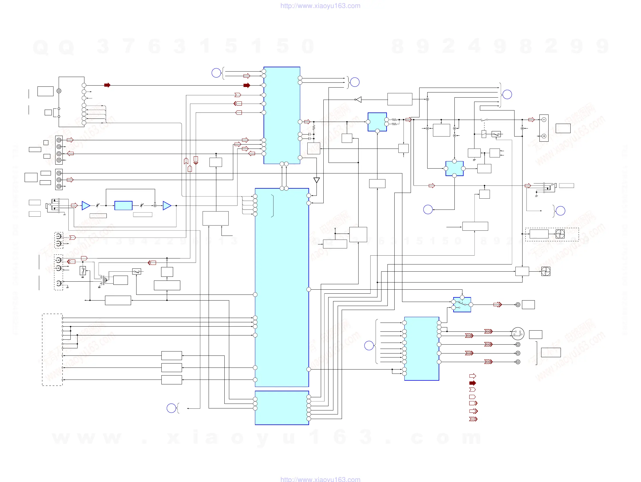
7-4. BLOCK DIAGRAM — MAIN SECTION —
17
LINE
REC(DECK B)
PB(DECK A)
PB(DECK B)
TUNER
DOWN MIX
MIC
VIDEO
76
RELAY
SWITCH
3
4
75
L
R
FAN
SWITCH
J1001
BIAS OSC
Q601
T601
B
VIDEO
SECTION
(Page 36)
R-CH
FAN SWITCH
Q782-784
D
AUDIO
SECTION
(Page 37)
F
AUDIO
SECTION
(Page 37)
H
FUNCTION/
POWER
SECTION
(Page 39)
A
RF/SERVO
SECTION
(Page 35)
G
AUDIO
SECTION
(Page 37)
E
AUDIO
SECTION
(Page 37)
1
2
FRONT
57
R-CH
R-CH
A+9V
J202
ECHO AMP
IC1002
LINE
VIDEO
MIC
RECB1
31
35 34
DATA
CLOCK
DATA
CLOCK
88
VACS/
ILLUMI
VACS2
8
AC DET
AC4
5
VIDEO OUT-SW
6
VIDEO MUTE
8
TA MUTE
9
HP MUTE
6
FUN ON/OFF
12
FUN CTRL
7
FRONT RELAY
22
REAR RELAY
86 BIAS
PB B
DM
SUR1
INB1
PB A
REC
28LOUT
29SW
23TONE
SW
TONE
MUTE
27
BBB1
25
53
BBA1
POWER AMP
IC401
REC/PB AMP,
SOUND CONTROLLER
IC201
SYSEM CONTORL
IC101 (3/4)
7
6
15
13
OVERLOAD
DET
Q401
5
TM901
LCH
6
DI
8
DO
4
+9V
3
RCH
DBFB
DET
AC
DET
DBFB
SWITCH
Q212
R-CH
PROTECT
DET
R-CH
Q282,283
+VH
RY481
23CVBS OUT
4
CVBS IN
V
6
Y-IN
Y
YG
2
C-IN
C
12
14
3
13
CB-IN
25
S1
9
I/P
MUTE1
MUTE2
CR-IN
10
CY-IN
CR/B
CB/R
WIDE
DSEL
S-DC OUT
C OUT
27
26
COMPONENT
VIDEO BUFFER
IC801
VIDEO SELECTOR
IC802
21Y OUT
20CY OUT
18CB OUT
16CR OUT
VIDEO
OUT
J802
COMPONENT
VIDEO OUT
J801
FRONT
SPEAKER
VIDEO
INPUT
S VIDEO
OUT
J803
C
Y
2
4
6
1
Y
P
B
/C
B
P
R
/C
R
TM401
Q272
Q271
Q402,403
MUTE
Q701
IN
ST-BY
+RE
-RE
AC DET
D763,Q721-723
D753
SWITCH
Q281
MUTE
Q703
MUTE
CONTROL
Q791-795,
797
Q481,482
R-CH
OVERLOAD DET
SURROUND RY
DC DET
PROTECT
FUN DET
R-CH
OVERHEAT
DET
TH401,Q416,417
AC DET
J1003
RV1001
MIC 1
J1004
MIC 2
MIC LEVEL
MIC AMP
IC1001 (1/2)
MIC AMP
IC1001 (2/2)
RV1002
ECHO LEVEL
IN
L
R
OUT
L
R
AUDIO
L
R
R-CH
TV/SAT
VIDEO
R-CH
69 DIN
70 DOUT
71 CLK
68 CE
AC DET
ST
19 TUNED
R-CH
Q602,603
Q627,
Q628
A+9V
ERASE
HEAD
REC/PB
HEAD
R-CH
R-CH
PB
HEAD
MUTE CONTROL
Q629-631
MUTE CONTROL
Q623,624
MUTE
Q622
J1004
PHONES
R-CH
AC3
FAN901
FAN
FAN902
FAN
(DECK A)
HP901
HRPE901
(DECK B)
TAPE
MECHANISM
DECK
BLOCK
SHUT(B)84
SHUT(A)
83
PLAY(A)&(B)/A-HALF82
85
79
B-HALF/REC
TRG(A)A SOL
REC(REV)
B PHOTO
A PHOTO
B MODE
A MODE
B HALF
A HALF
REC(FWD)
TRG(B)
B SOL
78
CAP M+
B SOL DRIVE
Q101,102
CAP M DRIVE
Q103,104
A SOL DRIVE
Q105,106
7
CL
9
CE
TUNED
1
DOUT
DIN
CLK
CE
TUNED
LINE OUT
MUTE CONTROL
Q727
MUTE
Q705
IC203
PROTECT
3
4
2
6
59
13
AM
ANTENNA
FM 75
COAXIAL
MUTE CONTROL
Q729
HP SW
GNZ9D
MIC
21
PB/REC
24
CAPM SW
10
AU-OUT MUTE
SIGNAL IN/OUT CONTROL
IC102 (2/3)
MUTE
CONTROL
Q728
• Signal Path
: TUNER
: AUDIO
: PB (DECK A)
: PB (DECK B)
: REC (DECK B)
: VIDEO
: COMPONENT VIDEO
• R-CH is omitted due to same as L-CH.
w
w
w
.
x
i
a
o
y
u
1
6
3
.
c
o
m
Q
Q
3
7
6
3
1
5
1
5
0
9
9
2
8
9
4
2
9
8
T
E
L
1
3
9
4
2
2
9
6
5
1
3
9
9
2
8
9
4
2
9
8
0
5
1
5
1
3
6
7
3
Q
Q
TEL 13942296513 QQ 376315150 892498299
TEL 13942296513 QQ 376315150 892498299
http://www.xiaoyu163.com
http://www.xiaoyu163.com

Table of Contents

Related product manuals