EasyManua.ls Logo

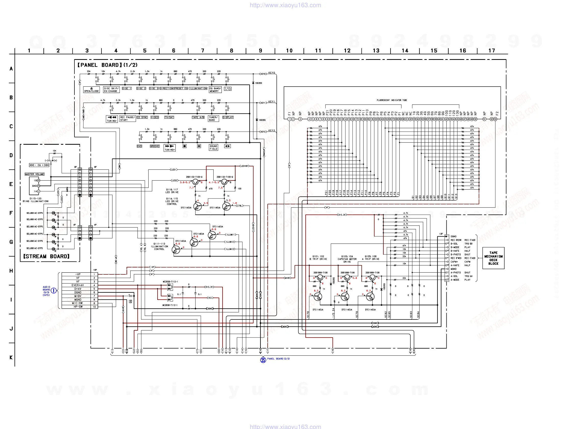
Sony HCD-GNZ8D - 7-23. Schematic Diagram - Panel Section (1;2); Panel Section Schematic Part 1

Sony HCD-GNZ8D
108 pages
Print Icon
To Next Page IconTo Next Page
To Next Page IconTo Next Page
To Previous Page IconTo Previous Page
To Previous Page IconTo Previous Page
Loading...
5858
HCD-GNZ7D/GNZ8D/GNZ9D
HCD-GNZ7D/GNZ8D/GNZ9D
7-23. SCHEMATIC DIAGRAM — PANEL SECTION (1/2) —
(Page 59)
FB102
FB101
Q113
Q112
Q111
R093
R094
R091
R092
Q114Q115
R027
R028
R031
R032
JR112
JR111
JR110
JR109
S11
S32
S33
S34
S35
S36
S57
S31
S38
S52
S53
S54
S55
S56
S51
S37
R167
R148
R140
R099 R100
R097 R098
R095 R096
S12
S13
S14
S15
S16
S17
S18
S19
S20
R166
R165
R163
R161
R160
R159
R158
R157
R156
R155
R154
R153
R151
R150
R149
R147
R146
R145
R144
R143
R142
R141
R139
R138
R137
R136
R135
R134
R133
R132
R131
D114
R055R051
D113
R053
R152
R063R071R065R066 R070R064
JR113
JR114
JR115
JR116
NO152 CN152
JR117
NO151 CN151
Q101 Q103 Q105
NO101
C128
JR105
R052 R054 R056
JR107
JR108
R037
R016
R025
R039
R038
R036
R035
R034
R033
R040
C102C101
D112
D111
R081R082R083R084R085R086
R068 R067 R062 R061
R041R042R043R044R045R046R047R048R049R050
CN004
R069
S102
S101
FL101
D115
D116
D117
D120
D119
D118
Q116 Q117
D101
D102
Q102 Q104 Q106
(Page 52)
w
w
w
.
x
i
a
o
y
u
1
6
3
.
c
o
m
Q
Q
3
7
6
3
1
5
1
5
0
9
9
2
8
9
4
2
9
8
T
E
L
1
3
9
4
2
2
9
6
5
1
3
9
9
2
8
9
4
2
9
8
0
5
1
5
1
3
6
7
3
Q
Q
TEL 13942296513 QQ 376315150 892498299
TEL 13942296513 QQ 376315150 892498299
http://www.xiaoyu163.com
http://www.xiaoyu163.com

Table of Contents

Related product manuals