EasyManua.ls Logo

Sony hcd-m700 - Page 56

Sony hcd-m700
132 pages
Print Icon
To Next Page IconTo Next Page
To Next Page IconTo Next Page
To Previous Page IconTo Previous Page
To Previous Page IconTo Previous Page
Loading...
5656
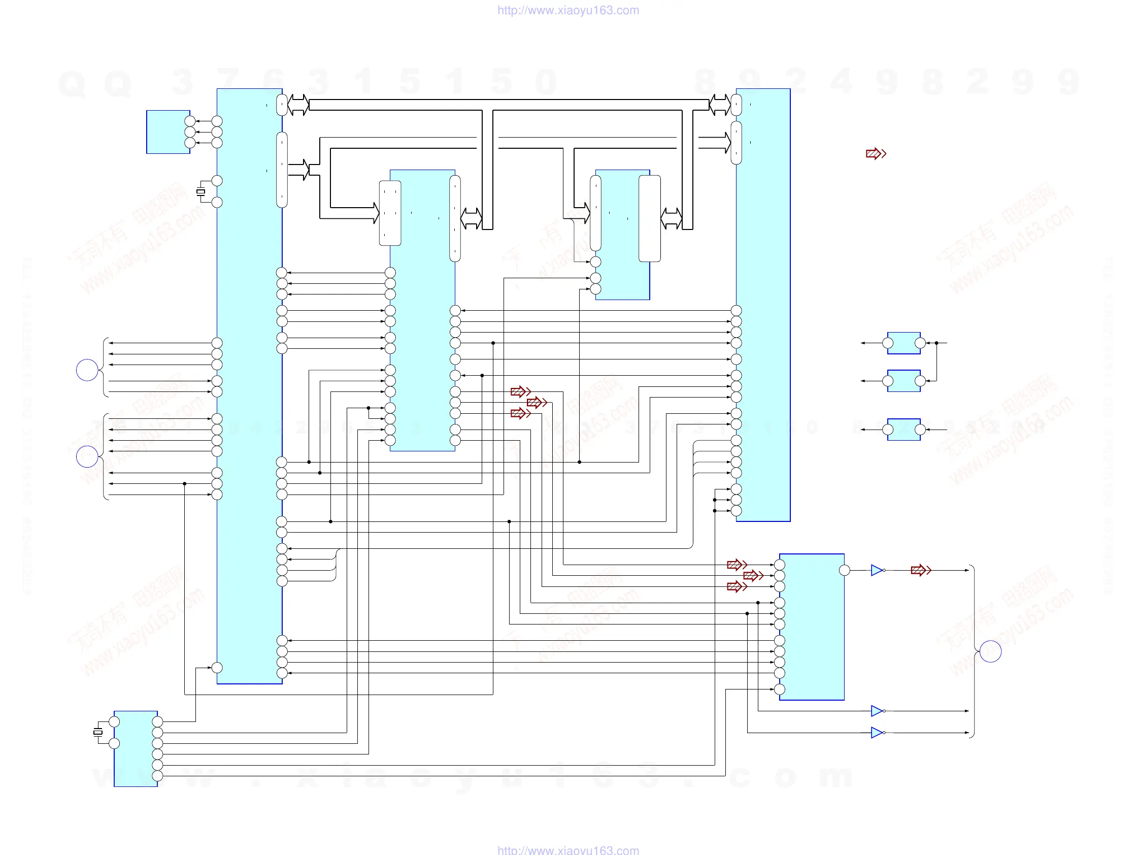
HCD-M700
DVD Section (2/2)
• Signal Path
: DVD (DIGITAL)
IC103
DVD
SYSTEM CONTROL
SDA
38
16
INT0
46
DREQ0
49
DREQ1
47
DACK0
XARPRST
157
60
CS2X
61
CS3X
XDSPRST
156
X0
54
SI0
25
XIFCS
51
MAMUTE
83
XFRRST
76
INT4
20
XINT
21
HINT
22
XCS
23
HCS
24
TDO
195
XRD
208
EEPROM
5
IC101
IC801
AUDIO DATA I/F
37
SDO0
SDI0
6
CLOCK
OSC
14
7
3
DQ0
DQ15
17
.
15
19
.
21
.
24
.
26
.
28
.
30
.
18
.
16
20
.
22
.
25
.
27
.
29
.
31
.
HD0
HD15
85
100
111
118
120
.
1
.
102
109
.
5
HA0
HA21
50
DACK1
70
XRD
71
XWRH
58
CSOX
IC503(2/2)
MPEG DECODER
118
TDI
237
240
2
.
5
7
232
235
.
10
.
HD0
HD7
HAD0
HAD7
215
218
213
.
210
208
.
205
200
203
198
.
195
193
.
192
.
HIREQ0
223
DM-REQ1
227
DM-REQ0
229
DM-ACK1
226
DM-ACK0
228
HAD23
190
HAD22
191
HCSB
220
HRWB
221
11
15
17
19
.
A0
A7
2
9
D0
D7
IC302(2/2)
DIGITAL SIGNAL PROC
D/A CONV.
120
TCK
121
TMS
122
TRST
TCK
194
TMS
192
TRST
191
46
IREQO
XSRQ
70
XWAIT
25
XRAPIT
XSDPIT
XARPCS
XSDPCS
XWR
207
MCKI
107
SCKI
109
CLKI
102
224
HWAITOB
67
XWAIT
XRAPIT
XSDPIT
XARPCS
XSDPCS
17INT1
18INT2
62CS4X
63CS5X
35
XRST
36
XARPRST
28
SI1
29SO1
30SC1
80XCS
IC108
OPT
A0
A19
44
HA21
41
34
3
.
2
.
.
11
4
.
43
12
CE
14
OE
48/44.1K
81
8
X102
27MHz
IC102
48/44.1K
27MAVD
13
33MAVD
10
512FSAVD
15
33MARP
9
512FS6CH
SCLKI
182
CLKI
180
CRPCLKI
29
ACLKI
12
14
ACH12
15
ACH34
16ACH56
19
BCKO
18
LRCKO
SDI1
7
SDI2
8
BCKI
9
LRCK
5
SO
17
SI
13
SCK
14
XCS
11
MCLK
3
RSTB
231
XRST
48
62
35
IC802
IC802
17
IC802
SDATA
BCK
LRCK
SCL
39
6
WP
7
7
X1
53
X101
16.5MHz
SO0
26
SC0
27
SI0
XIFCS
XIFOK
XFRRST
XIFINT
SO0
SC0
XLDON
84
VDRV MUTE
48
XLDON
XDRV MUTE
CKSW1
56
CLOSE
OCSW1
57
OPEN
+1.8V
REG
1
3
IC006
+1.8V +3.3V
+1.8V
REG
2
1
IC501
+1.8V
+3.3V
REG
1
4
IC301
+3.3V +5V
G
DVD (1/2)
SECTION
WIDE
82
WIDE
H
MAIN
SECTION
C
MD
SECTION
(Page 55)
(Page 58)
(Page 57)
w
w
w
.
x
i
a
o
y
u
1
6
3
.
c
o
m
Q
Q
3
7
6
3
1
5
1
5
0
9
9
2
8
9
4
2
9
8
T
E
L
1
3
9
4
2
2
9
6
5
1
3
9
9
2
8
9
4
2
9
8
0
5
1
5
1
3
6
7
3
Q
Q
TEL 13942296513 QQ 376315150 892498299
TEL 13942296513 QQ 376315150 892498299
http://www.xiaoyu163.com
http://www.xiaoyu163.com

Table of Contents

Related product manuals