EasyManua.ls Logo

Sony HDC3500 - Preparations and Setup; Attaching a Lens and Viewfinder

Sony HDC3500
101 pages
Print Icon
To Next Page IconTo Next Page
To Next Page IconTo Next Page
To Previous Page IconTo Previous Page
To Previous Page IconTo Previous Page
Loading...
14
NETWORK TRUNK connector (RJ-45 8-pin) (see item 1 of
front left side
(page 10)
): Connects a device
connected to the CCU’s NETWORK TRUNK connector to
the network.
CCU (camera control unit) connector (see item 4 of rear
side
(page 10)
): Connect a CCU using an optical/
electrical multi cable.
SDI 1 (serial digital interface 1) connector (BNC-type) (see
item 5 of rear side
(page 10)
): For HD-SDI signal, 3G-
SDI signal, 6G-SDI signal, 12G-SDI signal, and UHD
PROMPTER signal output.
SDI 2 (serial digital interface 2) connector (BNC-type) (see
item 6 of rear side
(page 10)
): For HD-SDI signal, 3G-
SDI signal, 6G-SDI signal, and 12G SDI signal output, or
HD TRUNK and UHD TRUNK signal input.
During standalone operation, input the HD-SDI return
signal.
When RET (return) is set to 1, the return signal is
displayed in the viewfinder.
SDI 3 (serial digital interface 3) connector (BNC-type) (see
item 7 of rear side
(page 10)
): For HD prompter
signal output.
HKC-FB30 Fiber Transmission Adaptor
The name and function of the connectors used are
described below.
NETWORK TRUNK connector (RJ-45 8-pin) (see item 1 of
front left side
(page 10)
): Connects a device
connected to the CCU’s NETWORK TRUNK connector to
the network.
CCU (camera control unit) connector (see item 4 of rear
side
(page 10)
): Connect a CCU using an optical/
electrical multi cable.
SDI 1 (serial digital interface 1) connector (BNC-type) (see
item 5 of rear side
(page 10)
): For 3G-SDI signal, HD-
SDI signal, or HD PROMPTER signal output.
SDI 2 (serial digital interface 2) connector (BNC-type) (see
item 6 of rear side
(page 10)
): For 3G-SDI signal, HD-
SDI signal, or HD TRUNK signal input.
During standalone operation, input the HD-SDI return
signal.
When RET (return) is set to 1, the return signal is
displayed in the viewfinder.
PROMPTER2 (prompter 2) connector (BNC-type): For
prompter 2 signal output. Available only when
connecting a camera control unit with a prompter 2
input connector.
HKC-TR37 Triax Transmission Adaptor
The name and function of the connectors used are
described below.
CCU (camera control unit) connector (see item 4 of rear
side
(page 10)
): Connect a CCU using a triax cable.
SDI 1 (serial digital interface 1) connector (BNC-type) (see
item 5 of rear side
(page 10)
): For 3G-SDI signal or
HD-SDI signal output.
HKC-WL50 Wireless Transmission Adaptor
Connects video signals and control signals to a third-party
wireless module to support wireless transmission.
For details about supported wireless modules, contact your
Sony sales representative.
Preparations
Attaching a Lens
For information on handling lenses, refer to the lens’
operation manual.
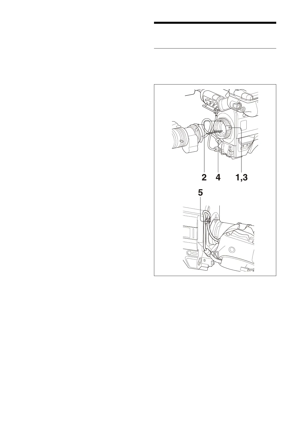
Attaching procedure
1 Push the lens fixing lever upwards and remove the
lens mount cap from the lens mount.
2 Align the lens’ alignment pin with the notch in the
upper part of the lens mount and insert the lens into
the mount.
3 While supporting the lens, push the lens fixing lever
downwards to secure the lens.
4 Connect the lens cable to the LENS connector.
5 Secure the lens cable with the cable clamp.

Related product manuals