EasyManua.ls Logo

Sony PMC-DR45 - Block Diagram -Tape Section

Sony PMC-DR45
68 pages
Print Icon
To Next Page IconTo Next Page
To Next Page IconTo Next Page
To Previous Page IconTo Previous Page
To Previous Page IconTo Previous Page
Loading...
PMC-DR45
– 29 – – 30 –
CNP301CN301
4
SYSTEM CONTROL,
POWER SECTION
TC BOARD
TC RF BOARD
POWER BOARD (1/2)
SPEAKER
BOARD
HEAD
RELAY
BOARD
H/P BOARD
LINE BOARD (2/2) MAIN BOARD (2/3)
L.NF
L.PO
3
CD
SECTION
5
SYSTEM CONTROL,
POWER SECTION
1
TUNER
SECTION
REC/PB PRE AMP
IC301
04
1
2
4
3
5
6
1
2
4
3
5
6
NF
R.NF
R.PO
REF
R.IN
R.RO
L.RO
L.IN
R-CH
R-CH
NF
5
3
2
24
5 19
20
40
7
13 7
12
14
17
15
16
21
37
1
1 6
3
20
8
10
6
11
9
4
3
CD+7.5V
CD+5V
CD-L
TU-L
CN306
CNP305(2/2)
CNJ314
CNP314
RA+6V
CD+7.5V
CD+5V
L-CH
L-CH
RADIO 6V
1
5
6
5
REC/PB
SWITCH
Q305
REC/PB
SWITCH
Q306
BIAS
CONTROL
Q304
BIAS
SWITCH
Q308
REC
SWITCH
Q307
ERASE
SWITCH
Q334
REC/PB
SWITCH
Q302,303
REC/PB
SWITCH
Q304
ISS
SWITCH
Q310,311
BIAS OSC
Q301
11
10
9
8
7
4
3
1
2
3
4
5
66
8
1
T301
BIAS OSC
11
210
9
2
1
3
4
21
15
13
14
24
12
6
5
16
17
18
20
4
3
33
15
21
4
5
2
1
4
5
2
1
MUTE
Q103
MUTE
Q106
TU/TAPE
SWITCH
Q319,320
MUTE
Q101,
102
MUTE
Q104
2
1
ISS
SWITCH
Q332,333
TC CONTROL
SWITCH
Q330
HALF DET
Q329
PLUNGER
DRIVE
Q331
5
4
3
1
5
4
3
1
MUTE
SWITCH
Q316,317
MUTE
Q105
2
5
SP101
SPEAKER
L-CH
SP201
SPEAKER
R-CH
-1 L
-2 R
-1 L
-2 R
R-CH
J302
SIGNAL OUT
J321
SIGNAL IN
PLUNGER
SOLENOID
PM691
ROTATION
DET
PH691
TC-SOLENOID
TC-STATUS
TC-MODE
TC-COUNT(END)
TC-REC
TC-BIAS
ISS2
TC-AMS
V-DA/LT
V-CLK
LINE MUTE
TAPE
A-MUTE
ISS1
CNP309
(1/2)
CNP902
(1/2)
CNJ310 CNP313
CNP307
(2/3)
R-CH
R-CH
R-CH
R-CHR-CH
LINE-L
TAPE-SW
ISS1
ISS2
TC-BIAS
TC-REC
TC.O-L
R-CH
LINE IN-L
OUT-L
TAAPE
REC
AUDIO
+7.5V
AUDIO
+7.5V
COM
+5.6V
LINE IN-L
LINE.O-L
FR.IN-L
OUT-L
OUT-R
VCC
V-DAT/LAT
V-CLK
OUTPUT
TC.IN-L
CD.IN-L
TU.IN-L
INPUT
R-CH
AUDIO
+7.5V
TU
AMS
IC304
J901
SPEAKER
OUT R-CH
IMPEDANCE USE4
CNP911
CNP903
POWER AMP
IC311
STANDBY
R-CH
V+5V
STANDBY
S691
(HEAD POSITION)
S692
(HALF DET)
M691
(CAPSTAN/REEL)
S693
(CrO2)
S694
(FWD ERASE PROOF)
S695
(REV ERASE PROOF)
AUDIO
+7.5V
AUDIO
+7.5V
L-CH
R-CH
ERASE
HRPE301
REC/PB/ERASE
HEAD
CNP311
CNP302
CNJ304
CNP303
J311
LINE OUT
J312
LINE IN
SOUND AMP
IC302
J301
i
HEADPHONE
AMP
IC303
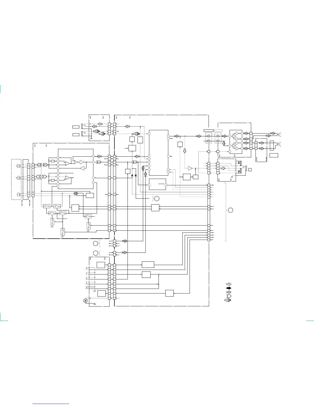
Signal path
: FM
: AM
: CD
: TAPE
: LINE
R-ch : same as L-ch.
9
5
3
7
2
1
4
9
5
3
7
2
1
4
88
TC MTR
+9.5V
PHOTO
MODE
HALF
CrO2
R-FWD
R-REV
SOL
6-5. BLOCK DIAGRAM — TAPE SECTION —
(Page 28)
(Page 26)
(Page 31)
(Page 31)

Table of Contents

Other manuals for Sony PMC-DR45

Related product manuals