EasyManua.ls Logo

Sony PMC-DR45 - Schematic Diagram - Power Section

Sony PMC-DR45
68 pages
Print Icon
To Next Page IconTo Next Page
To Next Page IconTo Next Page
To Previous Page IconTo Previous Page
To Previous Page IconTo Previous Page
Loading...
PMC-DR45
63 64
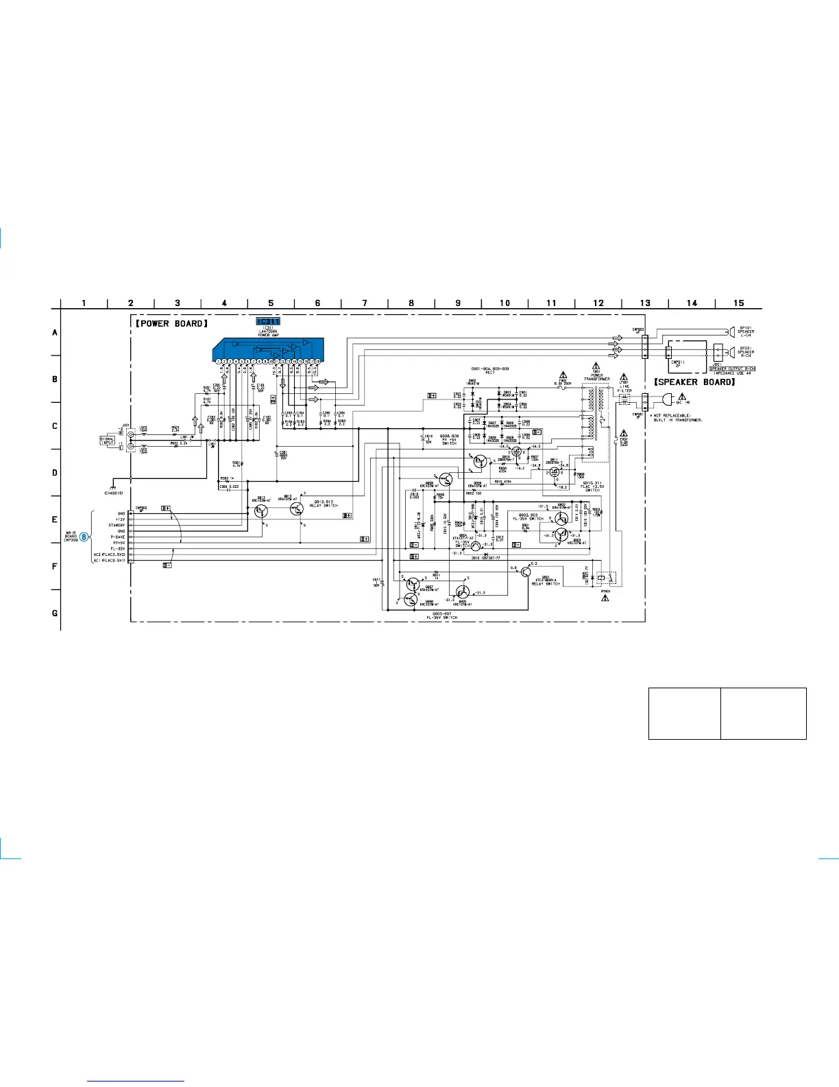
6-24. SCHEMATIC DIAGRAM POWER SECTION Refer to page 33 for Note.
(Page 48)
Voltage is dc with respect to ground under no-signal
(detuned) condition.
no mark : FM
Note:
The components identi-
fied by mark 0 or dotted
line with mark 0 are criti-
cal for safety.
Replace only with part
number specified.
Note:
Les composants identifiés par
une marque 0 sont critiques
pour la sécurité.
Ne les remplacer que par une
piéce portant le numéro
spécifié.

Table of Contents

Other manuals for Sony PMC-DR45

Related product manuals