EasyManua.ls Logo

Sony PMC-DR45 - Mechanism Deck Section (1)

Sony PMC-DR45
68 pages
Print Icon
To Next Page IconTo Next Page
To Next Page IconTo Next Page
To Previous Page IconTo Previous Page
To Previous Page IconTo Previous Page
Loading...
72
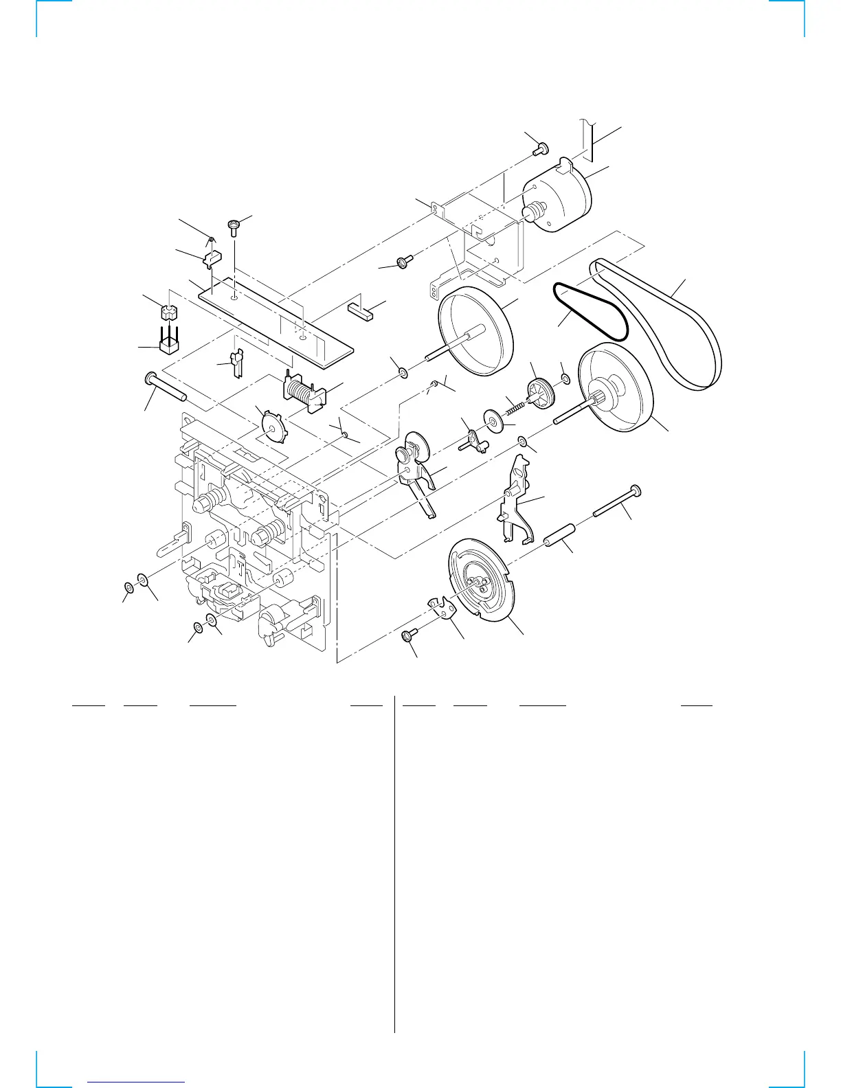
7-4. MECHANISM DECK SECTION (1)
(MF-DR45)
Ref. No. Part No. Description Remark Ref. No. Part No. Description Remark
151 3-043-921-01 SCREW
152 3-029-591-01 COLLAR
153 3-043-906-01 GEAR, CAM
154 3-034-597-01 CAM, ARM
155 3-704-418-14 SCREW (M1.7X4), TAPPING
156 3-043-923-01 WASHER
157 3-029-622-01 WASHER
158 3-043-924-01 WASHER
159 3-029-620-01 WASHER
160 3-029-587-01 COVER
* 161 1-673-338-11 TC RF BOARD
162 3-043-922-01 SCREW
* 163 1-794-105-11 HOUSING
164 3-043-920-01 SCREW
165 3-029-614-01 SCREW
166 3-043-909-01 BELT (FR)
167 3-045-798-01 BELT (SR)
168 3-044-168-01 FLYWHEEL (LA) ASSY
169 3-029-625-01 WASHER
170 3-044-169-01 FLYWHEEL (RA) ASSY
171 3-029-626-01 WASHER
172 3-029-589-01 TRIGGER, ARM
173 3-043-916-01 SPRING
174 3-029-593-01 CLUTCH
175 3-043-917-01 SPRING
176 3-043-911-01 ARM (UD A)
177 3-029-595-01 GEAR (UD)
178 3-043-918-01 SPRING
179 3-043-907-01 PULLEY (D)
180 3-043-926-01 WASHER
181 3-034-694-01 BOX (SW)
182 3-043-910-01 SPRING (SW)
183 3-029-600-01 SPACER
184 3-045-797-01 BRACKET (MOTOR)
185 1-792-511-11 WIRE (MM)
186 3-044-171-01 SOLENOID
M691 3-045-799-01 MOTOR ASSY (CAPSTAN/RELL)
(INCLUDING PULLEY)
PH691 8-719-078-47 PHOTO INTERRUPTER SG-211V
PM691 1-454-896-11 SOLENOID, PLUNGER
S691 1-771-893-11 MODE (SW) (HEAD POSITION)
151
152
153
154
155
156
157
158
159
160
186
161
162
164
163
165
185
184
166
167
168
169
170
171
172
173
174
175
176
177
178
179
180
181
182
183
S691
(S692, 693, 694, 695)
(S692, 693, 694, 695)
PH691
M691
PM691

Table of Contents

Other manuals for Sony PMC-DR45

Related product manuals