EasyManua.ls Logo

Sony PMC-DR45 - Block Diagram -System Control, Power Section

Sony PMC-DR45
68 pages
Print Icon
To Next Page IconTo Next Page
To Next Page IconTo Next Page
To Previous Page IconTo Previous Page
To Previous Page IconTo Previous Page
Loading...
PMC-DR45
– 31 – – 32 –
CNP801(2/3)
4
TAPE
SECTION
COM
+5.6V
5
TAPE
SECTION
7
38
42
43
39
40
49
69
63
68
59
45
62
8
31
10
12
54
67
51
61
60
57
56
58
35
9
5
6
11
17
20
18
8
19
28
29
26
27
14
15
16
12
7
9
6
13
23
10
24
25
23
26
19
9
22
25
7
8
6
7
5
2
8
9
5
6
2
7
8
9
2
1
CONTROL BOARD (3/3)
TOP BOARD FRONT BOARD
MAIN BOARD (3/3)
POWER BOARD (2/2)
87
I
72
1
2
I
91
100
2
3
2
4
1
4
2
5
2
1
X801
32kHz
X802
8MHz
TC MTR
+9.5V REG
Q328
RELAY+5V
REG
Q335
MOTOR+9V
REG
Q326
Q327
RELAY+5V
FLT
CD+5V
REG
Q314
COM+5.6V
REG
IC305
AUDIO+7.5V
REG
Q325
CD+7.5V
REG
Q321
COM+5V
REG
Q324
TU+7.5V
SWITCH
Q312
H/P AMP
SWITCH
Q318
S801-811
S818-821
S822-833
SIRCS
RECEIVER
IC804
RESET
IC802
RECT
D906-909
FLAC+3.5V
REG
Q910,911
RECT
D901-904
S812-817
KEY1
KEY2
KEY3
RMC
KEY2
KEY3
KEY1
KEY2
RMC
KEY2
KH811
FDP801
FLUORESCENT
INDICATOR
TUBE
D802
RST
TX
TEX
EXTAL
XTAL
SFT-CLK
CD
P-CON
TU
T-MTR
VFDP
PWR-SAVE
KEY1
KEY2
KEY3
RMC
T-AMS
V-DA/LT
V-CLK
LINE MUTE
TAPE
A-MUTE
ISS1
ISS2
T-BIAS
T-REC
T-SOL.
T-STAT
T-MODE
T-CNT(END)
TC-AMS
V-DA/LT
V-CLK
LINE MUTE
TAPE
A-MUTE
ISS1
ISS2
TC-BIAS
TC-REC
TC-SOLENOID
TC-STATUS
TC-MODE
TC-CNT(END)
REG CHK
VOLTAGE
CHECK
Q803
SYSTEM CONTROL
IC801(3/3)
COM
+5.6V
Q802
Q801
CLOCK SHIFT
Q801,802
CNP801(3/3) CNP307(3/3)
CD
P CONTROL
TU
TC MTR
VFDP
AC1,2
PWR SAVE
CD
P
CONTROL
TU
TC MTR
VFDP
AC1,2
PWR SAVE
SEG1
I
SEG16
G1
G12
29
30
CNP802
CNP804
TC MTR
+9.5V
COM
+5.6V
Q313
Q323
Q315
TU+7.5V
+5V
COM
+5V
CD
+7.5V
AUDIO
+7.5V
CD
+5V
POWER
SWITCH
Q322
DC+12V DC+12V
FL-35V
CNP309
(2/2)
CNP902
(2/2)
Q912
Q913
Q906
Q907
Q905
Q904
Q903
Q902
Q901
Q908
Q909
RELAY+5V
P-SAVE
AC1,2
F902
F901
RELAY
+5V
RY901
T901
POWER
TRANSFORMER
LF901
LINE
FILTER
CNP901
(AC IN)
04
TU
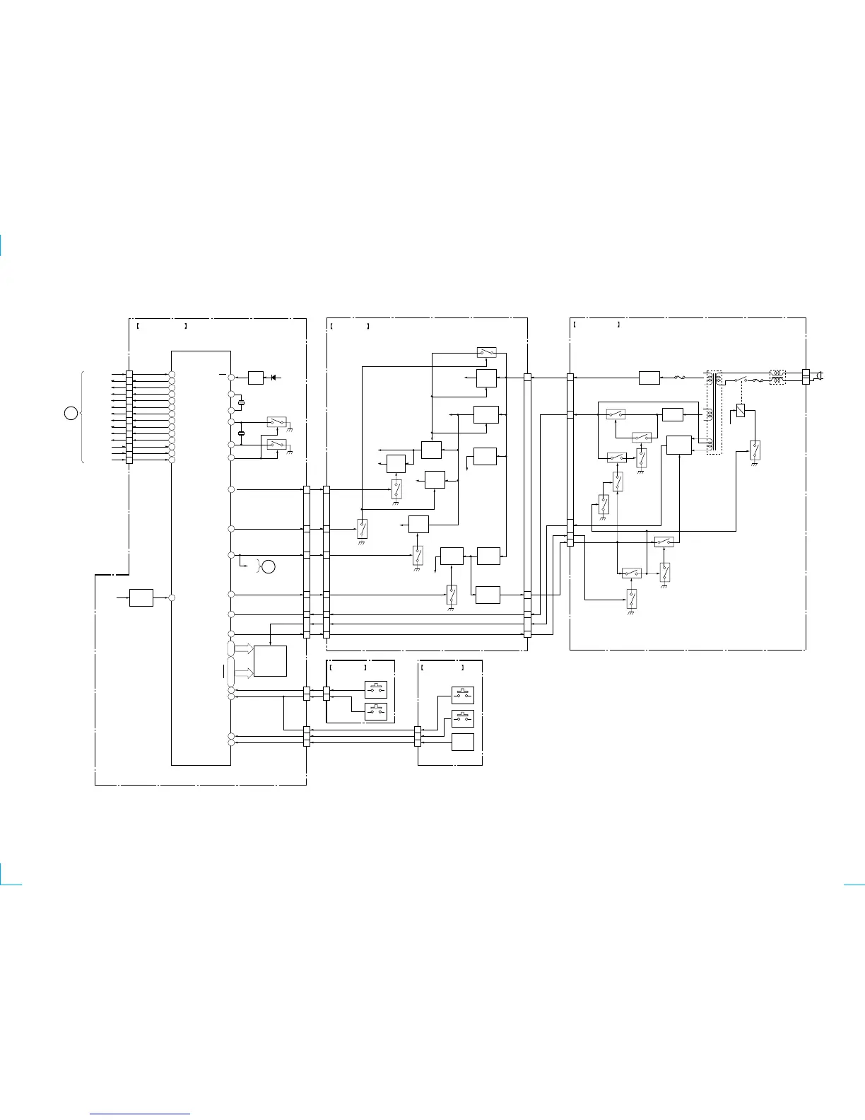
6-6. BLOCK DIAGRAM — SYSTEM CONTROL, POWER SECTION —
(Page 30)
(Page 30)

Table of Contents

Other manuals for Sony PMC-DR45

Related product manuals