EasyManua.ls Logo

Sony PMC-DR45 - Printed Wiring Board -Line Section; Schematic Diagram -Line Section

Sony PMC-DR45
68 pages
Print Icon
To Next Page IconTo Next Page
To Next Page IconTo Next Page
To Previous Page IconTo Previous Page
To Previous Page IconTo Previous Page
Loading...
PMC-DR45
59 60
1
A
B
C
D
23456789
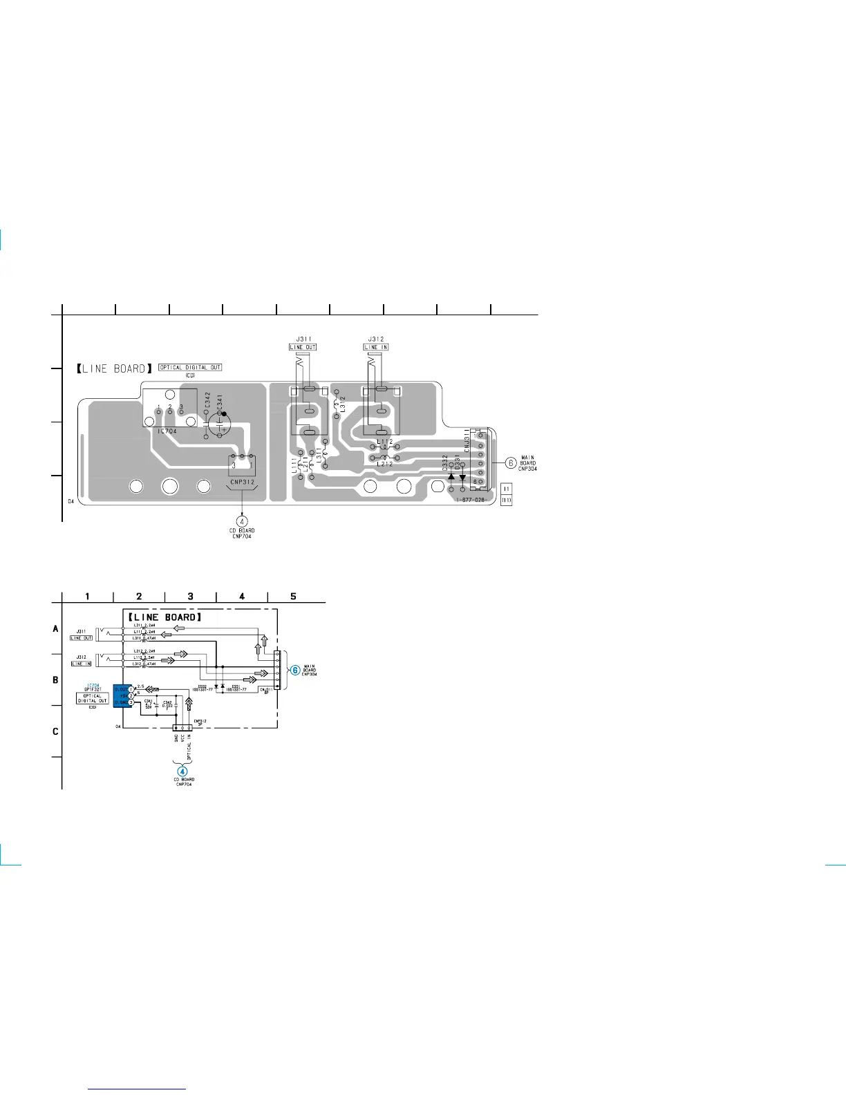
6-21. PRINTED WIRING BOARD LINE SECTION Refer to page 34 for Note.
6-22. SCHEMATIC DIAGRAM LINE SECTION Refer to page 68 for IC Block Diagram. Refer to page 33 for Note.
Voltage is dc with respect to ground under no-signal
(detuned) condition.
no mark : CD PLAY
(Page 38)
(Page 45)
(Page 40)
(Page 47)

Table of Contents

Other manuals for Sony PMC-DR45

Related product manuals