EasyManua.ls Logo

Sony RDR-VX521 - VCR Main PCB)

Sony RDR-VX521
139 pages
Print Icon
To Next Page IconTo Next Page
To Next Page IconTo Next Page
To Previous Page IconTo Previous Page
To Previous Page IconTo Previous Page
Loading...
5-45-3
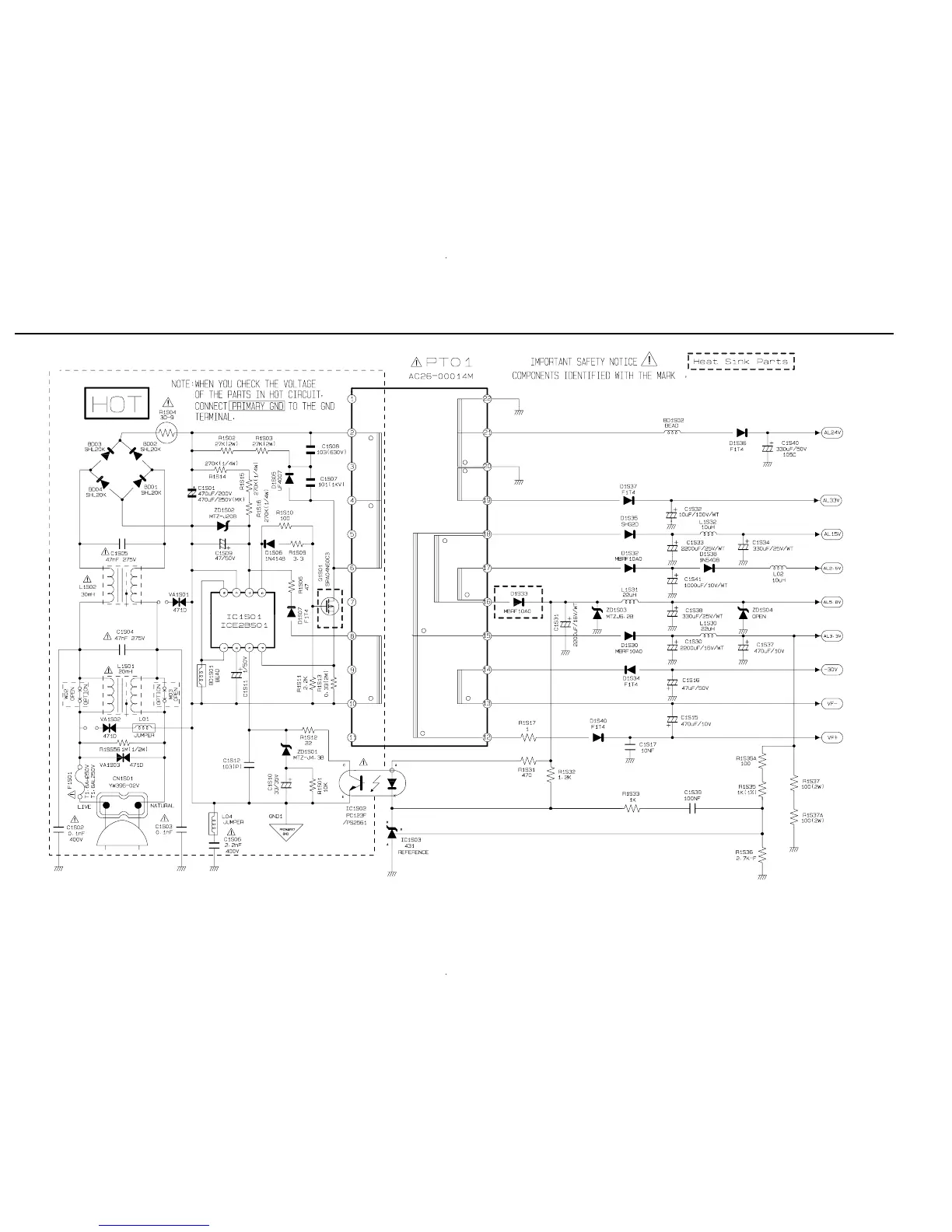
5-1 S.M.P.S. (VCR Main PCB)

Table of Contents

Other manuals for Sony RDR-VX521

Related product manuals