EasyManua.ls Logo

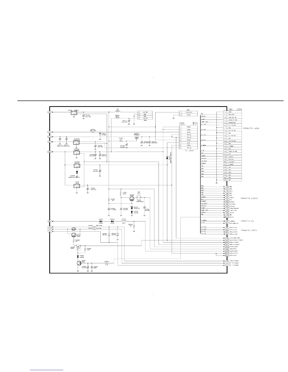
Sony RDR-VX521 - Power (VCR Main PCB)

Sony RDR-VX521
139 pages
Print Icon
To Next Page IconTo Next Page
To Next Page IconTo Next Page
To Previous Page IconTo Previous Page
To Previous Page IconTo Previous Page
Loading...
5-65-5
5-2 Power (VCR Main PCB)

Table of Contents

Other manuals for Sony RDR-VX521

Related product manuals