EasyManua.ls Logo

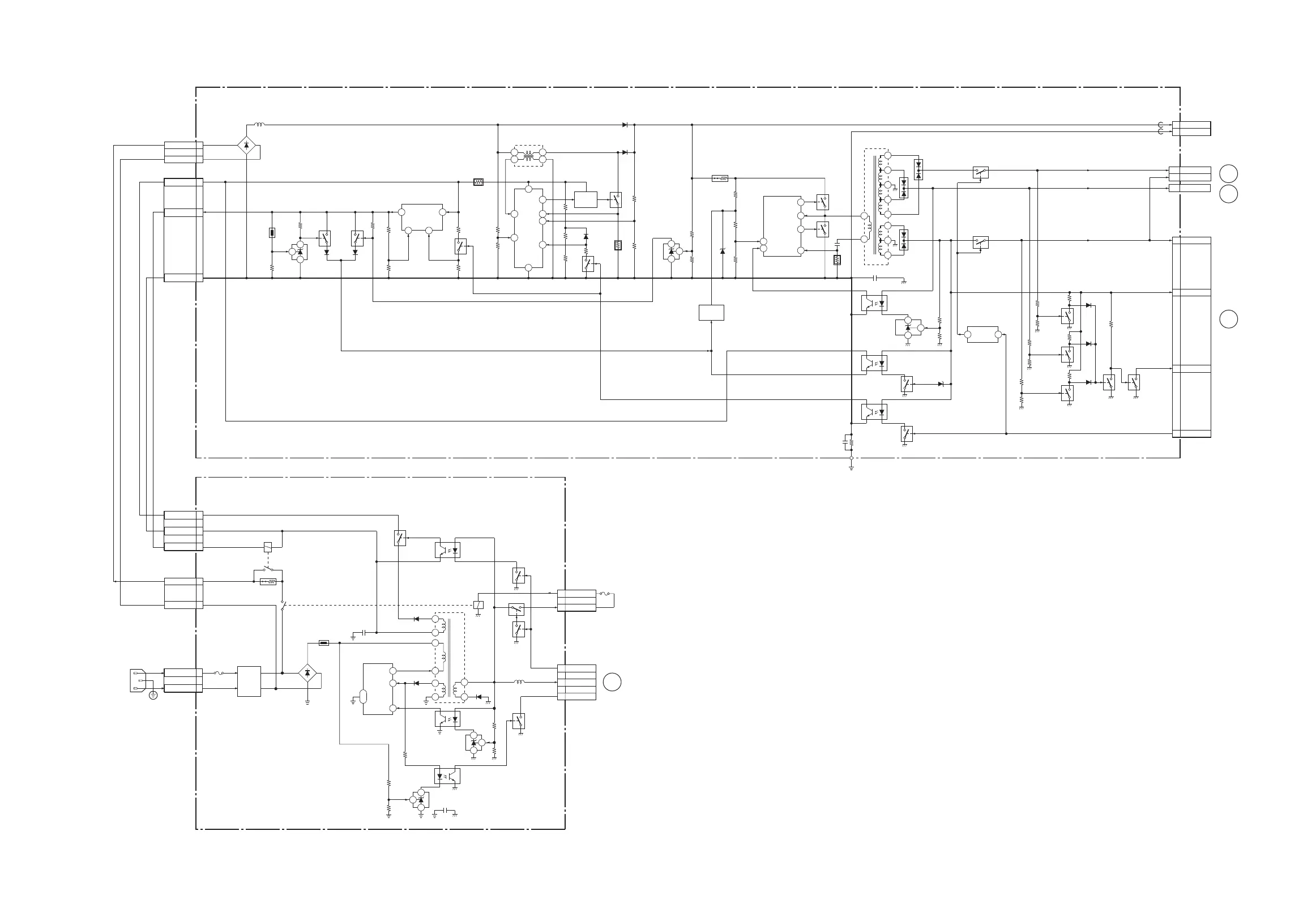
Sony RM-PJ25 - GA Block Diagram; GB Block Diagram

Sony RM-PJ25
142 pages
Print Icon
To Next Page IconTo Next Page
To Next Page IconTo Next Page
To Previous Page IconTo Previous Page
To Previous Page IconTo Previous Page
Loading...
4-7
VPL-HW40ES
4-7
L202
PFCT
L201
Q205
PFC
SWITCHING
Q202
D206
D213
D214
GND
OUT
CTL (ON/OFF)C
VCC
IC201
PFC CONT
R231,232
R233
DRIVER
Q203,204
1.225V REG
IC203
TH201
Q207
D101
RY101
LINE
FILTER
L101,102
F101
CN202
GA
GB
CN101
AC IN
CN104
RY11
RY22
T101
IC101
STANDBY POWER
CONVERTER
D105
D108
L130
IC102
SHUNT REG
PH101
FEED BACK
SOURCE
DRAIN
VCC
FB
CN203
DC(-)3
DC(+)1
C BOARD
CN1000
QA BOARD
CN602
QA BOARD
CN602
BALLAST
CN105
ECO ON3
ECO 4V2
R111,112
TH101
Q301
D301
CLAMP
VSENSE
F/B
VG(H)
VS
OCP
IC301
MAIN
CONVERTER
POWER ON
DELAY
IC302
Q302
VG(L)
Q303,304
T301
PIT
R316
IC303
SHUNT REG
PH302
FEED BACK
D318
Q307
16V
6.2V
D316
PH303
Q305
PROTECT
Q306
R201C201
HS
D319
6.2V OVP
PROTECT
PROTECT
LATCH
PH301
PFC ON
PFC ON
D317
SUB6.2V1
PCONT6
SUB6.2V
D324
Q312
PROT
Q313
PROT
D326
D325
Q309
16V PROT
Q311
13V PROT
Q310
6.2V PROT
CN301
CN302
16V1
SUB13V
SUB13V
1,2
B
F
QA BOARD
CN400
D
C
AC (N) 1
AC (L) 3
CN102
AC (N) 3
AC (L) 1
1AC(L)
3AC(N)
THERMO FUSE
6
VCC
8
3
5
4
42
1
4
7
8
5
2
8
6
3
10
9
4
3
5
4
1
2
23
22
16
20
1
3
14
13
11
10
12
9
7
8
3
5
4
51
D106
1
2
IC103
SHUNT REG
PH102
3
5
4
RY102
STATUS
STATUS
1
PH103
Q105
Q101
Q102
Q104
Q103
CN103
CN201
0V 2
RY 1
VCC 3
0V 2
RY 1
VCC 3
C101
C113
2 5
7OUT
5ZCD
1
3
FB
2COMP
MUL
4IS
810
Q308
Q209
Q208
D218D217
5
IC204
OVP PROTECT
IC202
SHUNT REG
3
5
4
PPROT5
6.2V
CN303
3
6.2V3,4
C313
FB201
FB202
GA, GBGA, GB
GA, GB

Table of Contents

Related product manuals