EasyManua.ls Logo

Sony RMT-D147P - Rf;Servo Block Diagram

Sony RMT-D147P
125 pages
Print Icon
To Next Page IconTo Next Page
To Next Page IconTo Next Page
To Previous Page IconTo Previous Page
To Previous Page IconTo Previous Page
Loading...
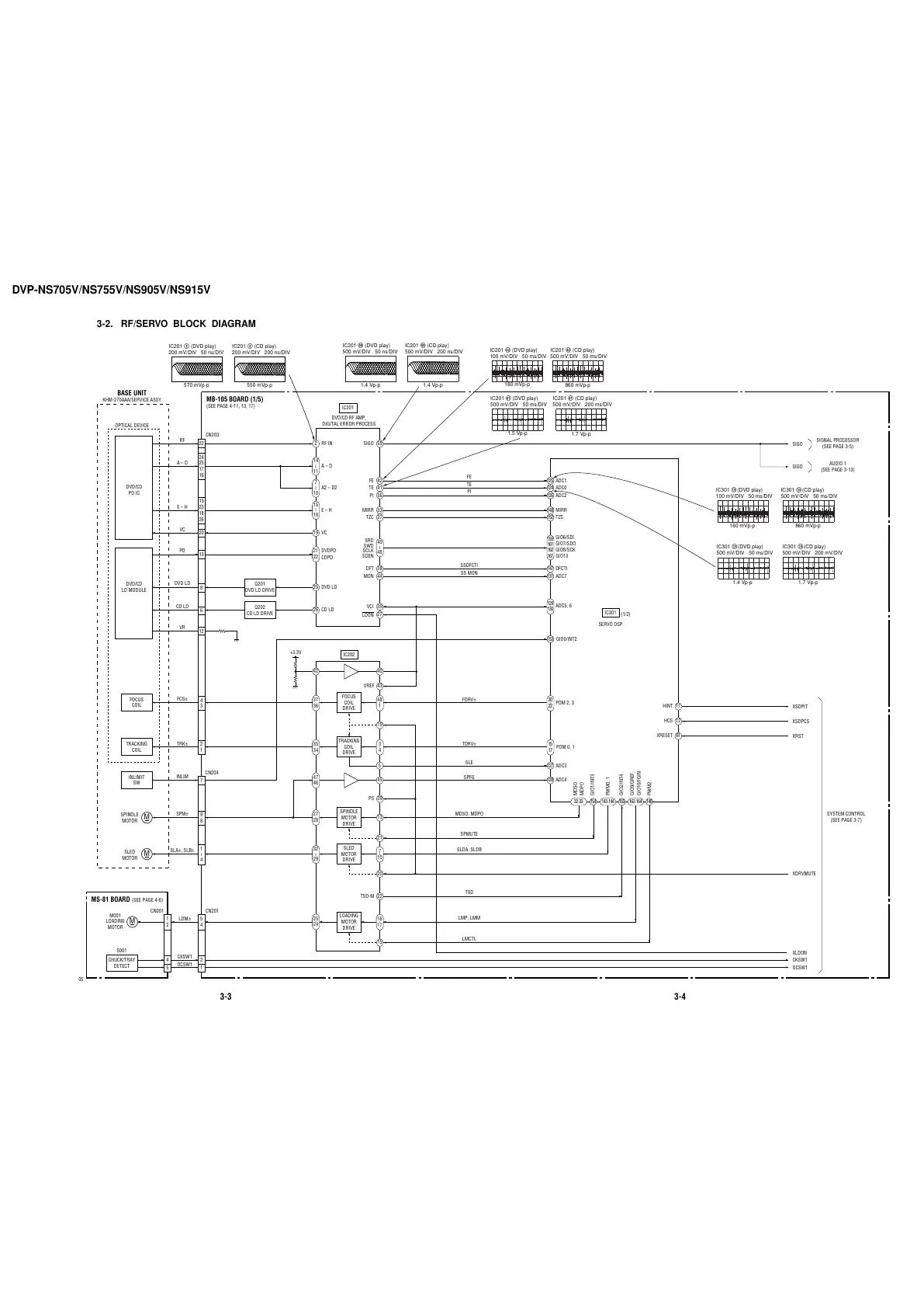
DVP-NS705V/NS755V/NS905V/NS915V
3-3 3-4
3-2. RF/SERVO BLOCK DIAGRAM
2
19
25
27
59
42
41
36
38
44
13
15
21
33
37
14
ı
11
7
ı
10
45
ı
48
32
ı
29
125
124
126
147
131
148
152
15
ı
18
37
36
21
22
48
1
47
46
20
22
15
17
35
34
27
28
7
10
25
24
3
4
45
5
128
153
154 146
61
12
11
143 14432 33
MB-105 BOARD (1/5)
(SEE PAGE 4-11, 13, 17)
BASE UNIT
KHM-270AAA/SERVICE ASSY
OPTICAL DEVICE
24
25
17
16
22
20
13
8
6
12
4
3
15
23
18
26
2
1
Q201
DVD LD DRIVE
IC201
IC301
DVD/CD
PD IC
DVD/CD
LD MODULE
CN203
DVD/CD RF AMP,
DIGITAL ERROR PROCESS
RF IN
A – D
E – H
A2 – D2
VC
DVDPD
CDPD
DVD LD
SIGO
FE
TE
PI
DFT
MON
MIRR
TZC
SRD
SWD
SCLK
SDEN
SERVO DSP
ADC1
ADC0
ADC2
DFCTI
ADC7
POM 2, 3
129
130
ADC5, 6
MIRR
TZC
ADC4
SIGNAL PROCESSOR
(SEE PAGE 3-5)
SYSTEM CONTROL
(SEE PAGE 3-7)
XRESET
HCS
HINT
MDSO
MDPO
163 164
GIO9/GREF
GIO10/FGIN
GIO1/INT3
PWM2
PWM0, 1
POM 0, 1
GIO0/INT2
SPINDLE
MOTOR
DRIVE
FOCUS
COIL
DRIVE
TRACKING
COIL
DRIVE
LOADING
MOTOR
DRIVE
SLED
MOTOR
DRIVE
7
1
ı
4
9
8
1
5
4
IC202
5
24
1
2
CN201
CN001
LDM±
CKSW1
OCSW1
INLIMIT
SW
TRACKING
COIL
FOCUS
COIL
M001
LOADING
MOTOR
MM
MM
MM
MS-81 BOARD (SEE PAGE 4-6)
SLED
MOTOR
SPINDLE
MOTOR
CN204
39VCI
19
39
20
22
16
17
155
GIO2/INT4
05
CHUCK/TRAY
DETECT
S001
(1/2)
RF
A – D
E – H
VC
PD
DVD LD
26
Q202
CD LD DRIVE
CD LD
CD LD
VR
SLA±, SLB±
SPM±
INLIM
TRK±
127 A D C 3
FCS±
PS
TSD-M
4042
43
VREF
+3.3V
LDON
159
161
162
167
GIO6/SDI
GIO7/SDO
GIO8/SCK
GIO13
XSDPIT
XSDPCS
XRST
XDRVMUTE
OCSW1
SIGO
CKSW1
XLDON
FE
TE
PI
SSDFCTI
SS MON
MDSO, MDPO
SPMUTE
SLDA, SLDB
LMP, LMM
TSD
LMCTL
TDRV±
FDRV±
SPFG
SLE
AUDIO 1
(SEE PAGE 3-13)
SIGO
570 mVp-p
IC201 2 (DVD play)
200 mV/DIV 50 ns/DIV
IC201 2 (CD play)
200 mV/DIV 200 ns/DIV
550 mVp-p
IC201 ra (DVD play)
500 mV/DIV 50 ms/DIV
1.5 Vp-p
1.7 Vp-p
IC201 ra (CD play)
500 mV/DIV 200 ms/DIV
180 mVp-p
IC201 rs (DVD play)
100 mV/DIV 50 ms/DIV
860 mVp-p
IC201 rs (CD play)
500 mV/DIV 50 ms/DIV
1.4 Vp-p
IC201 tl (DVD play)
500 mV/DIV 50 ns/DIV
1.4 Vp-p
IC201 tl (CD play)
500 mV/DIV 200 ns/DIV
IC301 <zxb (DVD play)
100 mV/DIV 50 ms/DIV
160 mVp-p
IC301 <zxb (CD play)
500 mV/DIV 50 ms/DIV
860 mVp-p
IC301 <zxv (DVD play)
500 mV/DIV 50 ms/DIV
1.4 Vp-p
IC301 <zxv (CD play)
500 mV/DIV 200 mV/DIV
1.7 Vp-p
All manuals and user guides at all-guides.com

Table of Contents

Related product manuals