EasyManua.ls Logo

Sony RMT-D147P - Interface Control Block Diagram

Sony RMT-D147P
125 pages
Print Icon
To Next Page IconTo Next Page
To Next Page IconTo Next Page
To Previous Page IconTo Previous Page
To Previous Page IconTo Previous Page
Loading...
DVP-NS705V/NS755V/NS905V/NS915V
3-17 3-18
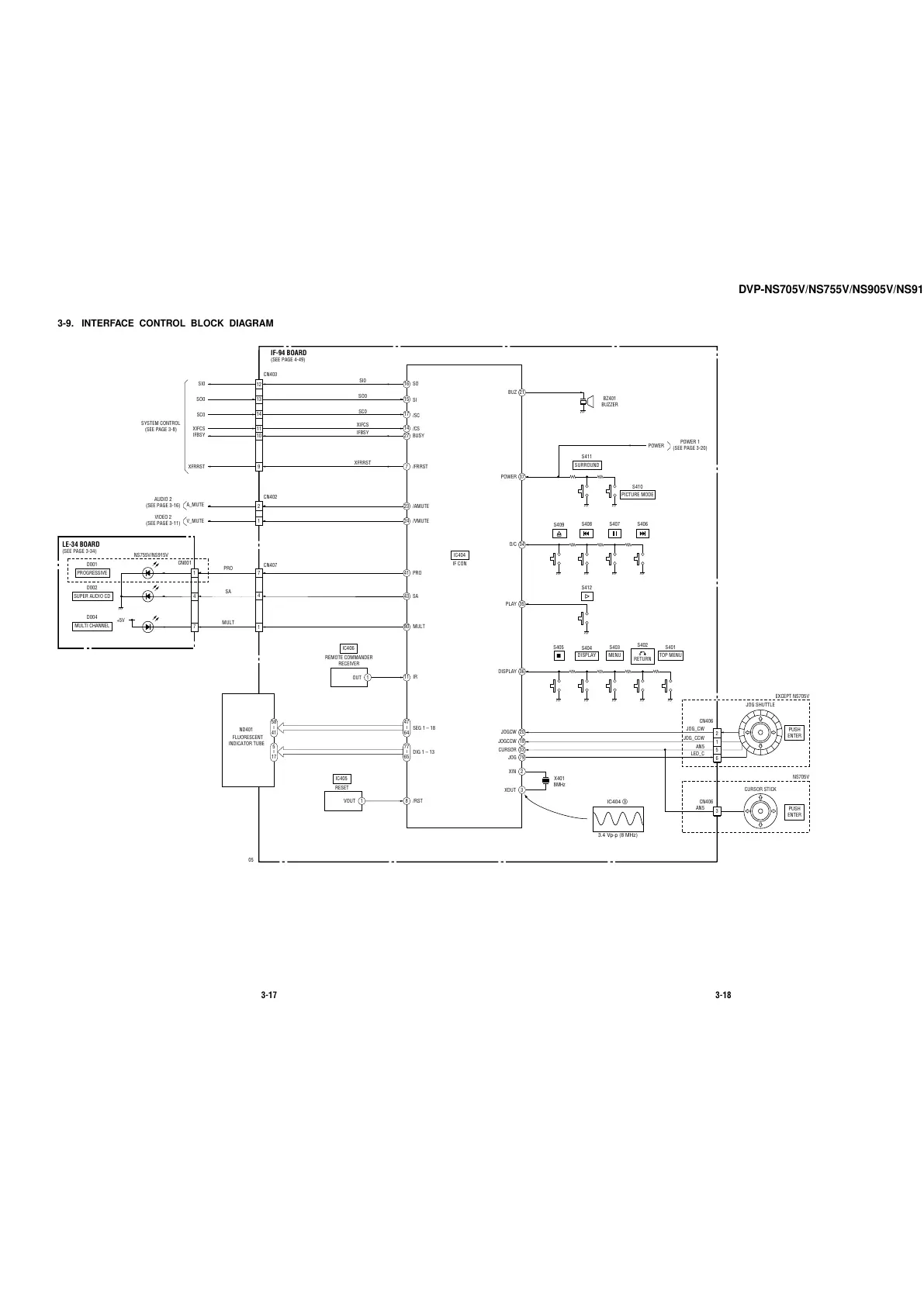
3-9. INTERFACE CONTROL BLOCK DIAGRAM
PRO
17
21
16
15
27
14
23
80
3
24
7
2
37
20
47
ı
64
77
ı
65
58
ı
41
5
ı
17
IF-94 BOARD
(SEE PAGE 4-49)
LE-34 BOARD
(SEE PAGE 3-34)
13
12
14
9
11
10
SYSTEM CONTROL
(SEE PAGE 3-8)
AUDIO 2
(SEE PAGE 3-16)
VIDEO 2
(SEE PAGE 3-11)
IC404
IF CON
IC405
RESET
MULTI CHANNEL
CN403
CN402
CN407
SC0
SI0
SO0
IFBSY
XIFCS
XFRRST
/SC
SO
SI
BUSY
/CS
/FRRST
05
A_MUTE
V_MUTE
/AMUTE
/VMUTE
41
43 SA
BUZ
POWER
BZ401
BUZZER
POWER
PICTURE MODE
DISPLAY
RETURN
PUSH
ENTER
MENU
S411
S410
S408
S404
S402
S401S403
S406
S412
JOGCW
18JOGCCW
33CURSOR
79JOG
MULT
IR
SEG 1 – 18
DIG 1 – 13
X401
8MHz
ND401
FLUORESCENT
INDICATOR TUBE
NS705V
EXCEPT NS705V
CN406
CN406
JOG_CW
JOG_CCW
AN5
AN5
LED_C
SC0
SI0
SO0
IFBSY
XIFCS
XFRRST
34O/C
35PLAY
SURROUND
S405
S407
36DISPLAY
XIN
XOUT
1
VOUT
8
/RST
2
2
1
7
4
1
1
4
7
PRO
SA
MULT
D004
SUPER AUDIO CD
D002
PROGRESSIVE
D001
x
S409
TOP MENU
1
5
6
3
IC406
REMOTE COMMANDER
RECEIVER
1
OUT
11
NS755V/NS915V
CN001
+5V
POWER 1
(SEE PAGE 3-20)
PUSH
ENTER
CURSOR STICK
JOG SHUTTLE
IC404 3
3.4 Vp-p (8 MHz)
All manuals and user guides at all-guides.com

Table of Contents

Related product manuals