EasyManua.ls Logo

Sony RMT-D147P - System Control Block Diagram

Sony RMT-D147P
125 pages
Print Icon
To Next Page IconTo Next Page
To Next Page IconTo Next Page
To Previous Page IconTo Previous Page
To Previous Page IconTo Previous Page
Loading...
DVP-NS705V/NS755V/NS905V/NS915V
3-7 3-8
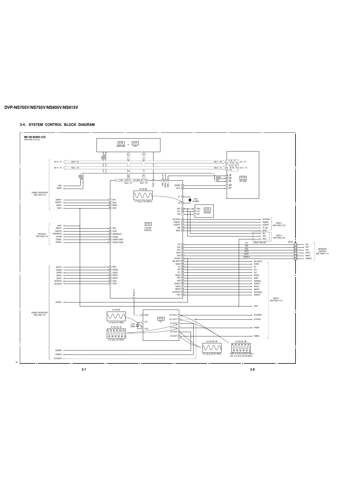
3-4. SYSTEM CONTROL BLOCK DIAGRAM
17
62
67
48
18
57
82
63
56
36
9
10
20
76
51
83
80
7
39
26
27
38
25
7
6
5
7058 71 72
46
16
81
47
60
61
49
50
8
7
1 – 5 102 – 109 111 – 118 120
85 – 100
14
MB-105 BOARD (3/5)
(SEE PAGE 4-19, 22)
IC104
SYSTEM
CONTROL
IC106
32M FLASH
IC107
OTP
or
IC103
PLL
IC101
EEPROM
IC108
1M SRAM
HD 0 – 15
HA 0 – 21
SIGNAL PROCESSOR
(SEE PAGE 3-5)
XARPIT
XARPCS
XWAIT
HA 0 – 21 HA 1 – 21
HD 0 – 15 HD 0 – 15
CSOX
SO0
SCO
SI0
INTERFACE
CONTROL
(SEE PAGE 3-17)
AUDIO 1
(SEE PAGE 3-13)
SI0
SO0
SC0
XIFCS
IFBSY
XFRRST
MA_MUTE
X38CS
XRST
INT4
XFRRST
XIFCS
MA_MUTE
X38CS
48/44.1k
54
53
X101
16.5MHz
XDRVMUTE
INT2
XLDON
CS5X
CKSW1/TSW1
XDRVMUTE
XSDPIT
OCSW1
XLDON
XSDPCS
CKSW1
DREQ0
INTO
DACK0
CS2X
CS3X
DREQ1
DACK1
DREQ0
XAVDIT
DACK0
XAVDCS2
XAVDCS3
DREQ1
DACK1
VIDEO 1
(SEE PAGE 3-10)
SIGNAL PROCESSOR
(SEE PAGE 3-5)
RF/SERVO
(SEE PAGE 3-4)
05
512FSAVD
X102
27MHz
FSEL 512FS8CH
33MARP
28
SI1
SI1
29
SO1
SO1
30
SC1
SC1
79
XDACS
XDACS
21
X38IT
INT5
22
CMDREQ
INT6
40
XSARST
XSARST
8
XSACS
XSACS
78
SMUTE
DVD/SACD
SMUTE
33DVD/SACD
INT1
CS4X
XWAIT
35
XRST
XRST
XRST
XRD
XWRH
XWRL
512-2OUT
4
512FS38
27-2OUT
3 27M3827-1OUT
1533-1OUT
13 33MSA33-2OUT
512-1OUT
XTI
XTO
27MAVD
X1
X2
HD 0 – 15
HA 0 – 21
XRD
XWRH
XRD
XWRH
XRD
XWRH
14
CN101
10
11
9
12
13
WP
SCL
SDA
59 6 CS
OCSW1/TSW2
SCL
SDA
WP
41
37
42
RGBSEL
EXT/DSEL
EUROVY
AN3
CS1X
84 17 WE
41
40
39
OE
UB
LB
XSRWE
WIDE
WIDE
EXT/DSEL
SI0
SO0
SC0
XIFCS
IFBSY
XFRRST
HA 0 – 21 HD 0 – 15
HD 0 – 15
HA 1 – 16
1 – 5 18 – 21
24 – 27 42 – 44
I/O 0 – 15
A 0 – 15
RGBSEL
EUROVY
IP_SW
SDA
SCL
15
7 – 10 13 – 16
18 – 21 29 – 32
35 – 38
XFRRST
XSARDY
23INT7
XRST
EXCEPT NS705V
XRD
XWRH
VIDEO 1
(SEE PAGE 3-9)
IC103 qd, qg
3.2 Vp-p (33.87 MHz)
IC103 9, 0
DVD: 3.3 Vp-p (24.57 MHz)
CD: 3.3 Vp-p (22.58 MHz)
IC103 8
1.5 Vp-p (27 MHz)
IC103 3, 4
3.5 Vp-p (27 MHz)
IC104 tf
1.7 Vp-p (16.5 MHz)
All manuals and user guides at all-guides.com

Table of Contents

Related product manuals