EasyManua.ls Logo

Sony RMT-D147P - Power (1) Block Diagram

Sony RMT-D147P
125 pages
Print Icon
To Next Page IconTo Next Page
To Next Page IconTo Next Page
To Previous Page IconTo Previous Page
To Previous Page IconTo Previous Page
Loading...
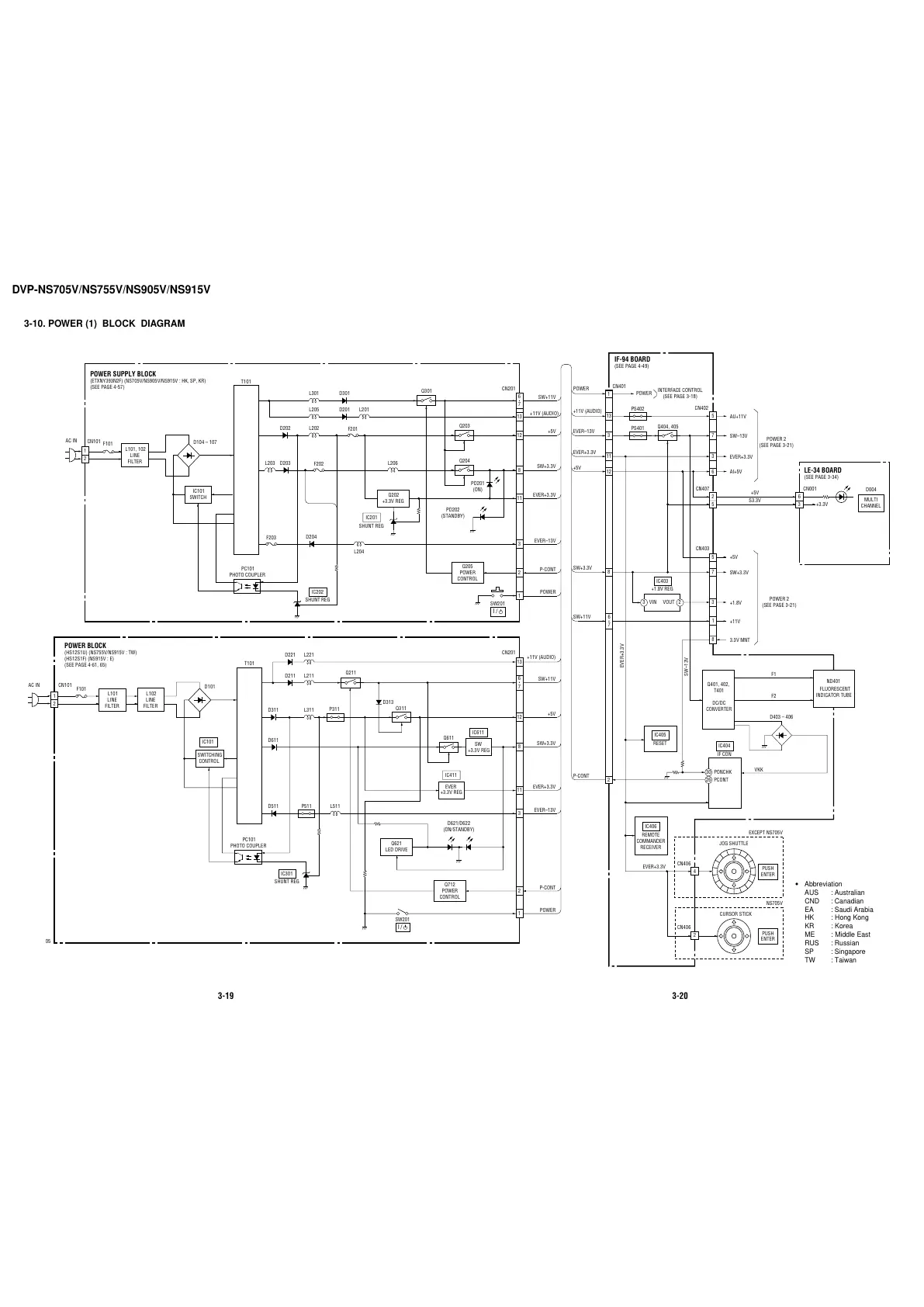
DVP-NS705V/NS755V/NS905V/NS915V
3-19 3-20
3-10. POWER (1) BLOCK DIAGRAM
D004
SW+11V
+11V (AUDIO)
+5V
SW+3.3V
EVER+3.3V
EVER–13V
P-CONT
POWER
EVER–13V
IF-94 BOARD
(SEE PAGE 4-49)
LE-34 BOARD
(SEE PAGE 3-34)
POWER 2
(SEE PAGE 3-21)
POWER 2
(SEE PAGE 3-21)
SW–13V
SW–13V
Q404, 405
PS401
26
IC404
IF CON
IC405
RESET
PCONT
IC403
+1.8V REG
30 PONCHK
VKK
F2
F1
EVER+3.3V
EVER+3.3V
EVER+3.3V
+5V
AI+5V
SW+3.3V
SW+3.3V
+5V
+1.8V
SW+11V
+11V
3.3V MNT
P-CONT
ND401
FLUORESCENT
INDICATOR TUBE
Q401, 402,
T401
DC/DC
CONVERTER
AU+11V
PS402
3
VIN
2VOUT
CN401
CN402
5
CN403
CN407 CN001
PUSH
ENTER
CN406
EVER+3.3V
CURSOR STICK
13
3
11
12
8 7
3
2
6
7
1
5
7
3
6
2
5
D403 – 406
6
3
IC406
REMOTE
COMMANDER
RECEIVER
+5V
S3.3V
Abbreviation
AUS : Australian
CND : Canadian
EA : Saudi Arabia
HK : Hong Kong
KR : Korea
ME : Middle East
RUS : Russian
SP : Singapore
TW : Taiwan
8
4
2
12
6
7
POWER SUPPLY BLOCK
(ETXNY393N2F) (NS705V/NS905V/NS915V : HK, SP, KR)
(SEE PAGE 4-57)
CN201
T101
D301
D202
D203
D204
D104 – 107
AC IN
F101
CN101
PD202
(STANDBY)
PC101
PHOTO COUPLER
8
11
3
2
1
13
1
2
Q301
Q203
Q204
L101, 102
LINE
FILTER
D201
Q205
POWER
CONTROL
L301
L205
L202
L203
L204
IC201
SHUNT REG
IC202
SHUNT REG
IC101
SWITCH
F203
L201
F201
F202
Q202
+3.3V REG
L206
SW201
1
POWER
+11V (AUDIO)
INTERFACE CONTROL
(SEE PAGE 3-18)
POWER
+3.3V
MULTI
CHANNEL
CN406
12
6
7
CN201
P311
D313
T101
D211
D311
D611
D511
D101
AC IN
F101
SW201
CN101
05
D621/D622
(ON/STANDBY)
Q621
LED DRIVE
PC101
PHOTO COUPLER
SWITCHING
CONTROL
8
11
3
2
1
13
1
2
Q211
Q311
Q611
L101
LINE
FILTER
L102
LINE
FILTER
D221
P511
Q712
POWER
CONTROL
L211
L221
L311
L511
IC411
IC611
IC301
IC101
SHUNT REG
SW+11V
+11V (AUDIO)
+5V
SW+3.3V
EVER+3.3V
EVER–13V
P-CONT
POWER
+3.3V REG
+3.3V REG
EVER
SW
POWER BLOCK
(HS12S1U) (NS755V/NS915V : TW)
(HS12S1F) (NS915V : E)
(SEE PAGE 4-61, 65)
PD201
(ON)
I/
I/
PUSH
ENTER
NS705V
EXCEPT NS705V
JOG SHUTTLE
All manuals and user guides at all-guides.com

Table of Contents

Related product manuals