EasyManua.ls Logo

Sony RMT-D147P - Audio (1) Block Diagram

Sony RMT-D147P
125 pages
Print Icon
To Next Page IconTo Next Page
To Next Page IconTo Next Page
To Previous Page IconTo Previous Page
To Previous Page IconTo Previous Page
Loading...
DVP-NS705V/NS755V/NS905V/NS915V
3-13 3-14
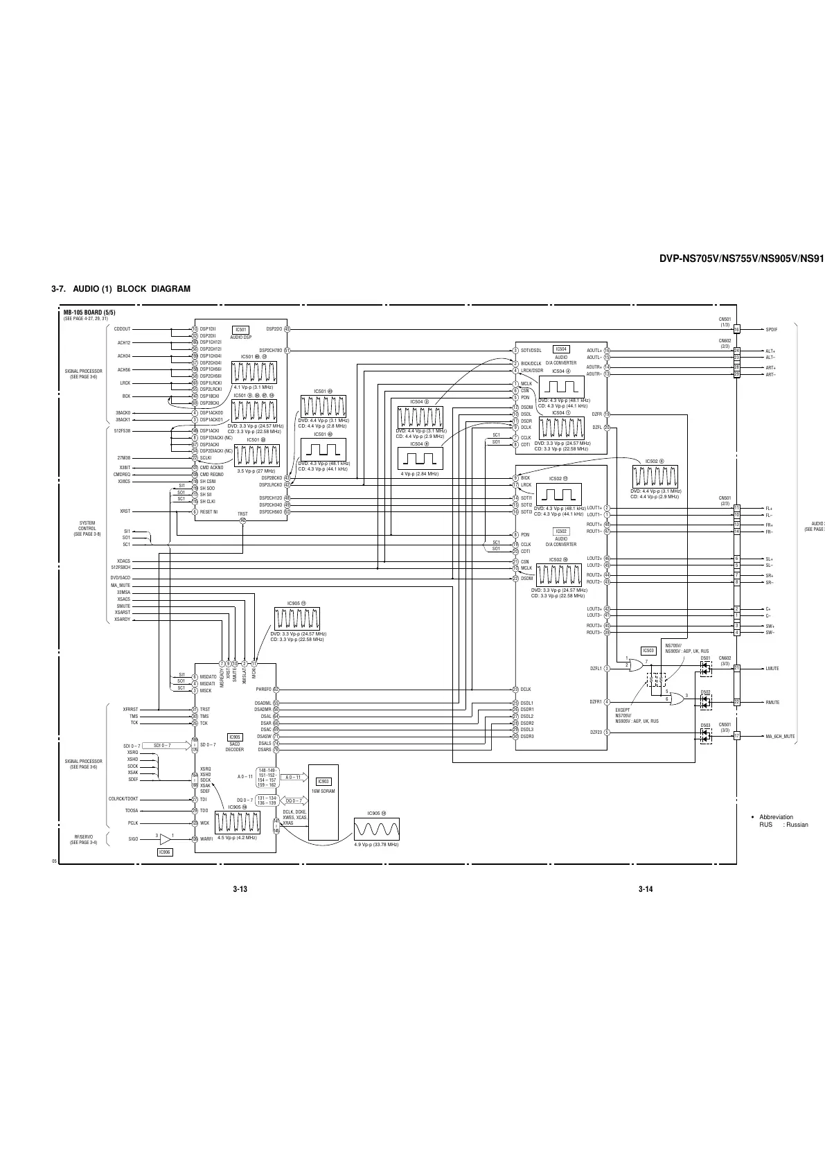
3-7. AUDIO (1) BLOCK DIAGRAM
16
14
15
14
13
9
17
5
IC502
AUDIO
D/A CONVERTER
IC504
AUDIO
D/A CONVERTER
SDTI1
SDTI/DSDL
BICK
LRCK
AOUTL+
AOUTL–
AOUTR+
AOUTR–
20DZFL
19DZFR
2
1
48
47
LOUT1+
LOUT1–
ROUT1+
ROUT1–
46
45
44
43
LOUT2+
LOUT2–
ROUT2+
ROUT2–
42
41
40
39
LOUT3+
LOUT3–
ROUT3+
ROUT3–
DZF23
4DZFR1
3DZFL1
SYSTEM
CONTROL
(SEE PAGE 3-8)
AUDIO 2
(SEE PAGE 3-15)
SIGNAL PROCESSOR
(SEE PAGE 3-6)
SIGNAL PROCESSOR
(SEE PAGE 3-6)
ALT+
05
3
BICK/DCLK2
LRCK/DSDR4
MCLK1
CSN6
PDN5
DSDM
12
DSDL
10
DSDR
11
DCLK
9
CCLK7
CDTI
8
15 SDTI2
16 SDTI3
8 PDN
19 CCLK
20 CDTI
21 CSN
10 MCLK
24
CN501
(2/3)
CN602
(3/3)
CN501
(3/3)
ALT–
23
ART+
28
ART–
29
RMUTE
LMUTE
22
21
FL+
11
FL–
10
FR+
13
FR–
14
SL+
6
SL–
5
SR+
7
SR–
8
C+
2
C–
1
SW+
3
SW–
4
MA_6CH_MUTE
17
MB-105 BOARD (5/5)
(SEE PAGE 4-27, 29, 31)
SPDIF
16
CDDOUT
45
48
10
IC501
AUDIO DSP
DSP1DII
DSP2DO
DSP2CH12O
49DSP2CH34O
50DSP2CH56O
51DSP2CH78O
43DSP2BCKO
42DSP2LRCKO
32 DSP2DII
ACH12
160 DSP1CH12I
56 DSP2CH12I
ACH34
159 DSP1CH34I
57 DSP2CH34I
ACH56
158 DSP1CH56I
58 DSP2CH56I
LRCK
161 DSP1LRCKI
55 DSP2LRCKI
BCK
147 DSP1BCKI
512FS38
149 DSP1ACKI
X38CS
118 SH CSNI
X38IT
107 CMD ACKNO
38ACK0
4 DSP1ACKO0
38ACK1
3 DSP1ACKO1
CMDREQ
108 CMD REQNO
SI1
119 SH SOO
SO1
117 SH SII
SC1
SI1
SO1
SC1
115 SH CLKI
RESET NI
SC1
SO1
SC1
SO1
27M38
22 SCLKI
69
XRST
6
XDACS
512FS8CH
22 DSDM
DVD/SACD
33MSA
XSACS
SMUTE
XSARST
XSARDY
MA_MUTE
SDI 0 – 7
DSP2BCKI
34 DSP2DIACKI (NC)
67 DSP2ACKI
8 DSP1DIACKI (NC)
D503
D502
D501
3
5
6
7
1
2
6 MSDATO
4 MSDATI
SI1
SO1
SC1
3 MSCK
123
A 0 – 11
DQ 0 – 7
131 – 134
136 – 139
148 149
151 152
154 – 157
159 – 162
IC903
16M SDRAM
IC905
SACD
DECODER
SDI 0 – 7
WCK
XSRQ
XSHD
SDCK
XSAK
SDEF
A 0 – 11
SD 0 – 7
DQ 0 – 7
DCLK, DCKE,
XWES, XCAS,
XRAS
66
69
71
74
DSAR
DSAC
DSASW
DSALS
76DSARS
62
DSADML
DSADMR
DSAL
PHREFO
26
27
28
29
DSDR1
DSDL2
DSDR2
DSDL3
30 DSDR3
25 DSDL1
23 DCLK
169
ı
176
164
ı
168
141
ı
145
IC503
SDCK
XSAK
SDEF
PCLK
XSHD
XSRQ
2
XMSLAT
11
MCKI
7
MSREADY
9
XRST
10
SMUTE
142
TRST
TRST
TMS
TCK
31
30
26
TCK
TMS
XFRRST
TDI
27
COLRCK/TDOKT
TDO
29
TDOSA
126 WARFI
SIGO
13
IC906
RF/SERVO
(SEE PAGE 3-4)
NS705V/
NS905V : AEP, UK, RUS
CN602
(2/3)
CN501
(1/3)
55
56
64
Abbreviation
RUS : Russian
EXCEPT
NS705V/
NS905V : AEP, UK, RUS
IC501 yl, <zvm
4.1 Vp-p (3.1 MHz)
IC501 rd
IC501 rs
IC501 ws
3.5 Vp-p (27 MHz)
IC501 8, ef, yj, <zv.
DVD: 3.3 Vp-p (24.57 MHz)
CD: 3.3 Vp-p (22.58 MHz)
IC905 <znn
4.5 Vp-p (4.2 MHz)
IC905 <zvz
4.9 Vp-p (33.78 MHz)
IC905 qa
DVD: 3.3 Vp-p (24.57 MHz)
CD: 3.3 Vp-p (22.58 MHz)
IC504 4
IC504 2
IC502 9
IC504 1
DVD: 3.3 Vp-p (24.57 MHz)
CD: 3.3 Vp-p (22.58 MHz)
IC504 9
4 Vp-p (2.84 MHz)
IC502 qj
IC502 q;
DVD: 3.3 Vp-p (24.57 MHz)
CD: 3.3 Vp-p (22.58 MHz)
DVD: 4.4 Vp-p (3.1 MHz)
CD: 4.4 Vp-p (2.8 MHz)
DVD: 4.3 Vp-p (48.1 kHz)
CD: 4.3 Vp-p (44.1 kHz)
DVD: 4.4 Vp-p (3.1 MHz)
CD: 4.4 Vp-p (2.9 MHz)
DVD: 4.3 Vp-p (48.1 kHz)
CD: 4.3 Vp-p (44.1 kHz)
DVD: 4.3 Vp-p (48.1 kHz)
CD: 4.3 Vp-p (44.1 kHz)
DVD: 4.4 Vp-p (3.1 MHz)
CD: 4.4 Vp-p (2.9 MHz)
All manuals and user guides at all-guides.com

Table of Contents

Related product manuals