EasyManua.ls Logo

Sony SA-ST9 - DISPLAY Board Section

Sony SA-ST9
94 pages
Print Icon
To Next Page IconTo Next Page
To Next Page IconTo Next Page
To Previous Page IconTo Previous Page
To Previous Page IconTo Previous Page
Loading...
79
HT-ST9
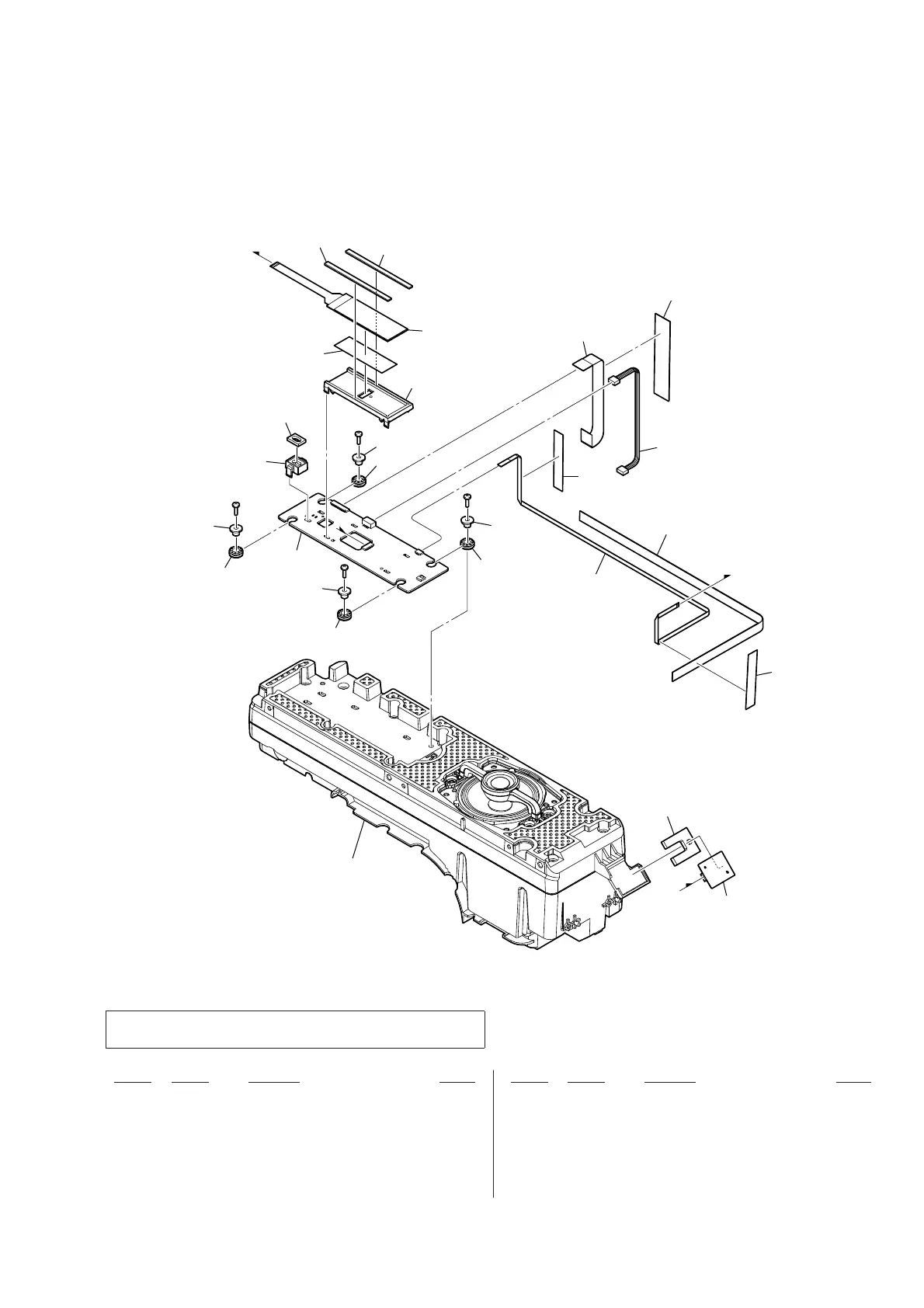
6-7. DISPLAY BOARD SECTION
Front bottom view
* 301 3-378-109-01 CUSHION, SARANET
302 4-546-431-01 CUSHION (NFC)
303 A-2054-813-A DISPLAY BOARD, COMPLETE
304 4-453-877-01 BUSHING (DAMPER)
305 4-453-878-01 COLLAR (DAMPER)
306 4-559-873-01 CUSHION (WINDOW)
FFC4 9-833-606-99 WIRE KIT (FFC/SA-ST9) (22P) (See Note)
FFC5 9-833-606-99 WIRE KIT (FFC/SA-ST9) (6P) (See Note)
NFC1 8-989-602-00 RC-S730 (NFC module)
OLED1 1-812-047-11 OLED DISPLAY
#4 7-685-648-79 SCREW +BVTP 3X12 TYPE2 IT-3
Ref. No. Part No. Description Remark Ref. No. Part No. Description Remark
301
301
306
306
303
304
304
304
304
305
302
speaker (R-ch) section
NFC1
#4
#4
#4
#4
not supplied
not supplied
not supplied
not supplied
not supplied
FFC4
(22 pin)
FFC5
(6 pin)
U
U
T
T
305
305
not supplied
not supplied
OLED1
305
Note: As for WIRE KIT (FFC/SA-ST9), all at exible cables (Ref. No.
FFC1, FFC2, FFC3, FFC4, FFC5) will be 1 set.

Table of Contents

Related product manuals