EasyManua.ls Logo

Sony SA-ST9 - Speaker (R-Ch) Section

Sony SA-ST9
94 pages
Print Icon
To Next Page IconTo Next Page
To Next Page IconTo Next Page
To Previous Page IconTo Previous Page
To Previous Page IconTo Previous Page
Loading...
80
HT-ST9
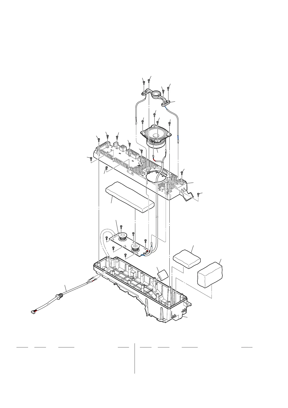
6-8. SPEAKER (R-ch) SECTION
Front bottom view
351 4-986-971-02 SCREW (3.5)
SP3 1-859-073-11 LOUDSPEAKER (18 mm, WITH BRIDGE)
(Tweeter (Front R-ch))
SP4 1-859-076-21 LOUDSPEAKER (6.5 cm)-076-21
(Woofer (Front R-ch))
SPC2 1-848-696-21 CONNECTION CABLE WITH SPEAKER (for R-ch)
#2 7-685-646-71 SCREW +BVTP 3X8 TYPE2 IT-3
Ref. No. Part No. Description Remark Ref. No. Part No. Description Remark
351
351
351
351
351
351
351
351
351
351
351
351
351
351
351
351
351
not supplied
not supplied
SPC2
not supplied
not supplied
not supplied
(MOUNTED board)
not supplied
not supplied
#2
#2
#2
#2
#2
#2
SP3
SP4

Table of Contents

Related product manuals