EasyManua.ls Logo

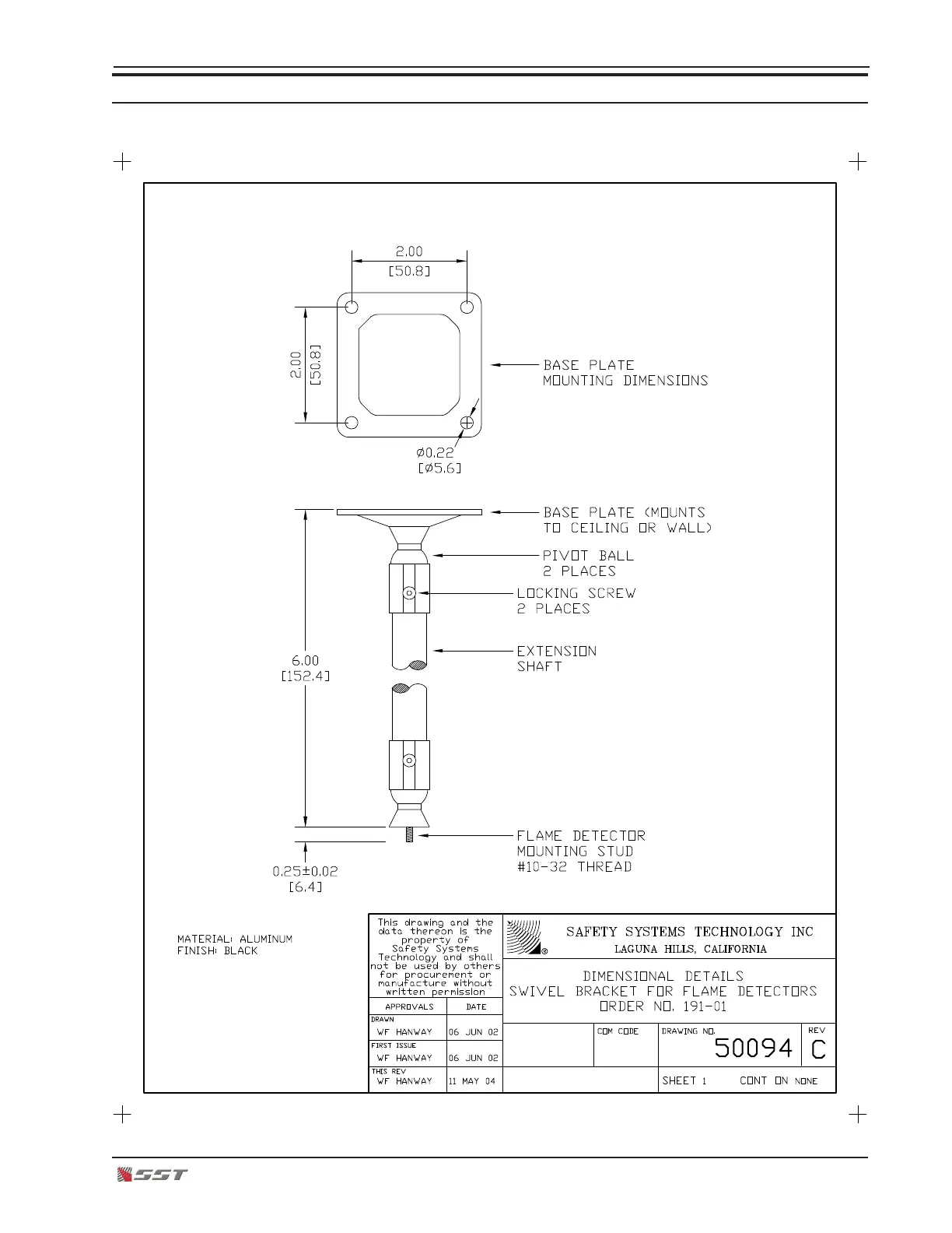
SST F120 - Swivel Bracket Drawing

SST F120
80 pages
Print Icon
To Next Page IconTo Next Page
To Next Page IconTo Next Page
To Previous Page IconTo Previous Page
To Previous Page IconTo Previous Page
Loading...
January, 2016 120-69
Model F120 UV/IR Flame Detector
SWIVEL BRACKET DRAWING

Table of Contents