EasyManua.ls Logo

Stryker InTouch FL27 - Page 89

Stryker InTouch FL27
101 pages
Print Icon
To Next Page IconTo Next Page
To Next Page IconTo Next Page
To Previous Page IconTo Previous Page
To Previous Page IconTo Previous Page
Loading...
www.stryker.com 2131-209-001 REV A 89
Return To Table of Contents
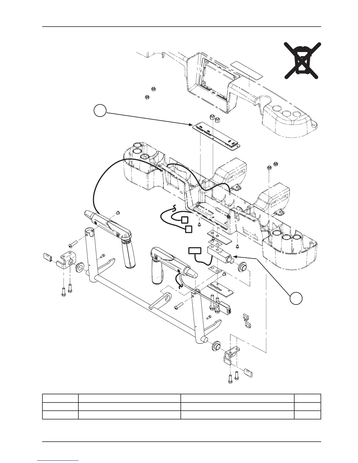
Assembly Part number: 27-2547-XXX (Reference Only)
Item Recycling/Material Code Important Information Qty
A 27-2548 (ZOOM Control Board) 1
B QDF9136 (ZOOM Load Cell) 1
A
Recycling Passports
B

Table of Contents

Other manuals for Stryker InTouch FL27

Related product manuals