EasyManua.ls Logo

Stulz BNB Series - Page 56

Stulz BNB Series
108 pages
Print Icon
To Next Page IconTo Next Page
To Next Page IconTo Next Page
To Previous Page IconTo Previous Page
To Previous Page IconTo Previous Page
Loading...
EN / 10-2015 / 1000683 © STULZ GmbH, Hamburg
-
56
-
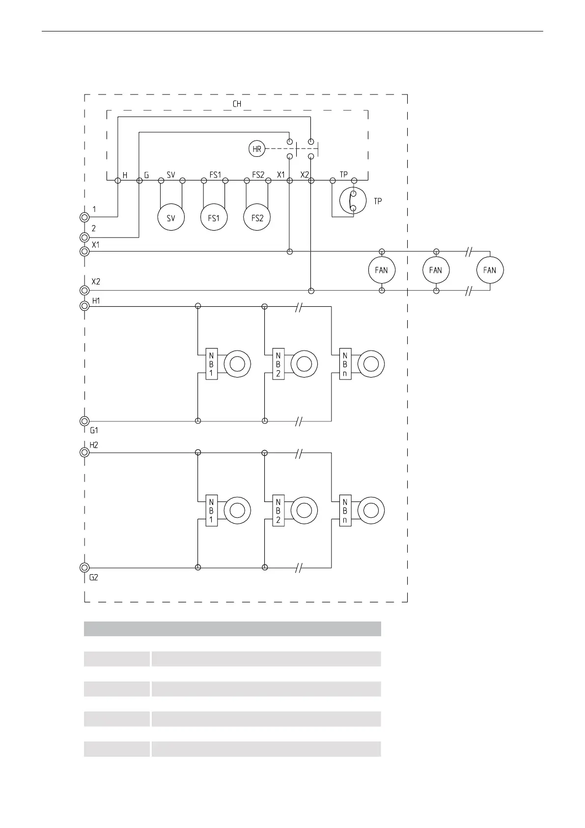
Installation STULZUltraSonic-SystemforDirectRoomHumidicationBNB-
Key
CH Relay panel
HR Auxiliary relay
SV Solenoid valve
FS1 Float switch for water supply
FS2 Float switch for low water level
TP Thermostat
FAN Fan
NB1...NBn UltraSonic
nebulizer unit
BNB 5000, 8000

Table of Contents

Related product manuals