EasyManua.ls Logo

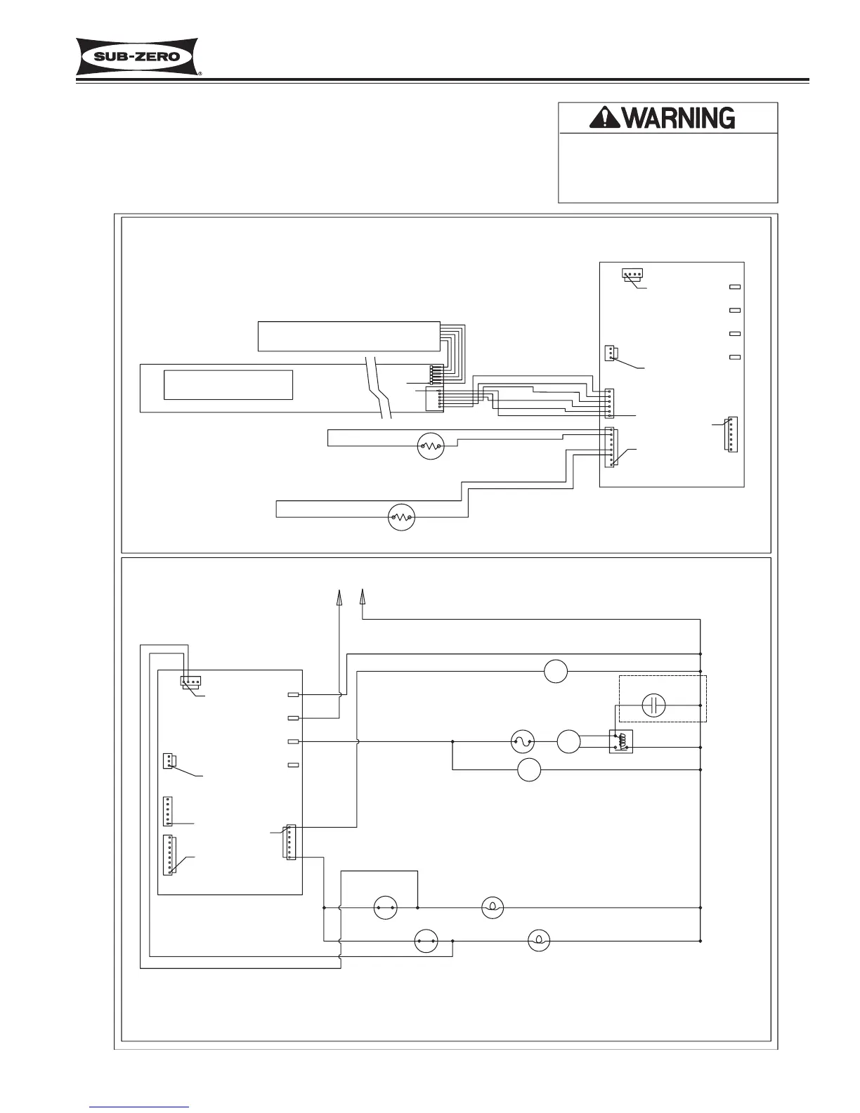
Sub-Zero 700-3 BASE - Wiring Schematic Model 700 BR-3

Sub-Zero 700-3 BASE
114 pages
Print Icon
To Next Page IconTo Next Page
To Next Page IconTo Next Page
To Previous Page IconTo Previous Page
To Previous Page IconTo Previous Page
Loading...
M
M
M
J3
P4
P3
P1
P2
P/N 3758575 REV A
UPPER DRAWER LIGHT
YELLOW
UPPER
LIGHT SWITCH
ORANGE W/BLACK STRIPE
LOWER
LIGHT SWITCH
ORANGE
PURPLE
BLACK
LOWER DRAWER LIGHT
STARTING
CONDENSER FAN
RELAY
REF FAN MOTOR
PROTECTOR
OVERLOAD
COMPRESSOR
COMPRESSOR
CAPACITOR
RUNNING
MAIN BOARD
PIN 1
PIN 1
PIN 1
PIN 1
PIN 1
WHITE
ORANGE
ORANGE W/BLACK STRIPE
ORANGE
(WHEN
USED)
RED
J5
J3
J4
J6
P2
J2
P1
P3
P4
60 CYCLES
L1
NEUTRAL
WHITE
WHITE
HIGH VOLTAGE SCHEMATIC
115 VOLTS
THERMISTOR EVAPORATOR
THERMISTOR UPPER DRAWER/REFRIGERATOR
DISPLAY BOARD
BLUE W/BLACK STRIPE
BLUE W/BLACK STRIPE
BLUE W/YELLOW STRIPE
ORANGE W/YELLOW STRIPE
MAIN BOARD
PIN 1
PIN 1
PIN 1
PIN 1
PIN 1
PIN 1
PIN 1
BLUE
ORANGE
WHITE
BLACK
YELLOW
RED
MEMBRANE KEYPAD
J5
J6
J4
J2
J3
J2
DISPLAY
LOW VOLTAGE SCHEMATIC
-This wiring information is provided for use by qualified
service personnel only.
-Disconnect appliance from electrical supply before
beginning service.
-Be sure all grounding devices are connected when
service is complete.
-Failure to observe the above warnings may result in
severe electrical shock.
WIRING SCHEMATIC
MODEL 700BR-3
Wire Diagrams & Schematics
Integrated
(700-
3
BASE)
Series
10-7
#3758424 - Revision B - December, 2005

Table of Contents

Related product manuals