EasyManua.ls Logo

Suez CheckPoint Pharma - Page 105

Suez CheckPoint Pharma
112 pages
Print Icon
To Next Page IconTo Next Page
To Next Page IconTo Next Page
To Previous Page IconTo Previous Page
To Previous Page IconTo Previous Page
Loading...
CheckPoint Pharma and CheckPoint
e
Operation and Maintenance Manual
SUEZ © 2018 105 of 112 DLM 97200-03 EN Rev. A
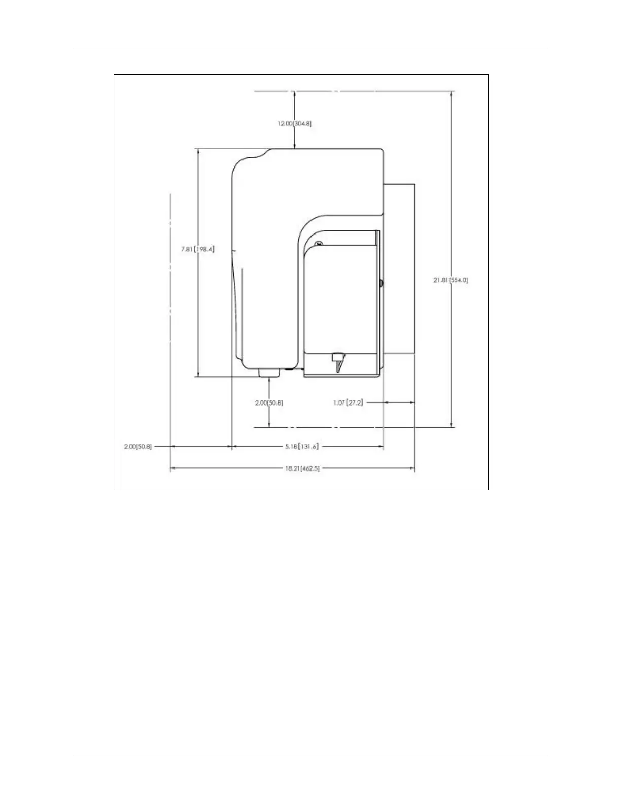
Figure 45: Sensor Dimensions and Required Clearances, Side View with Calibration Kit

Table of Contents