EasyManua.ls Logo

Tait TP9100 - Page 67

Tait TP9100
326 pages
Print Icon
To Next Page IconTo Next Page
To Next Page IconTo Next Page
To Previous Page IconTo Previous Page
To Previous Page IconTo Previous Page
Loading...
TP9100 Service Manual Circuit Descriptions 67
© Tait Electronics Limited May 2005
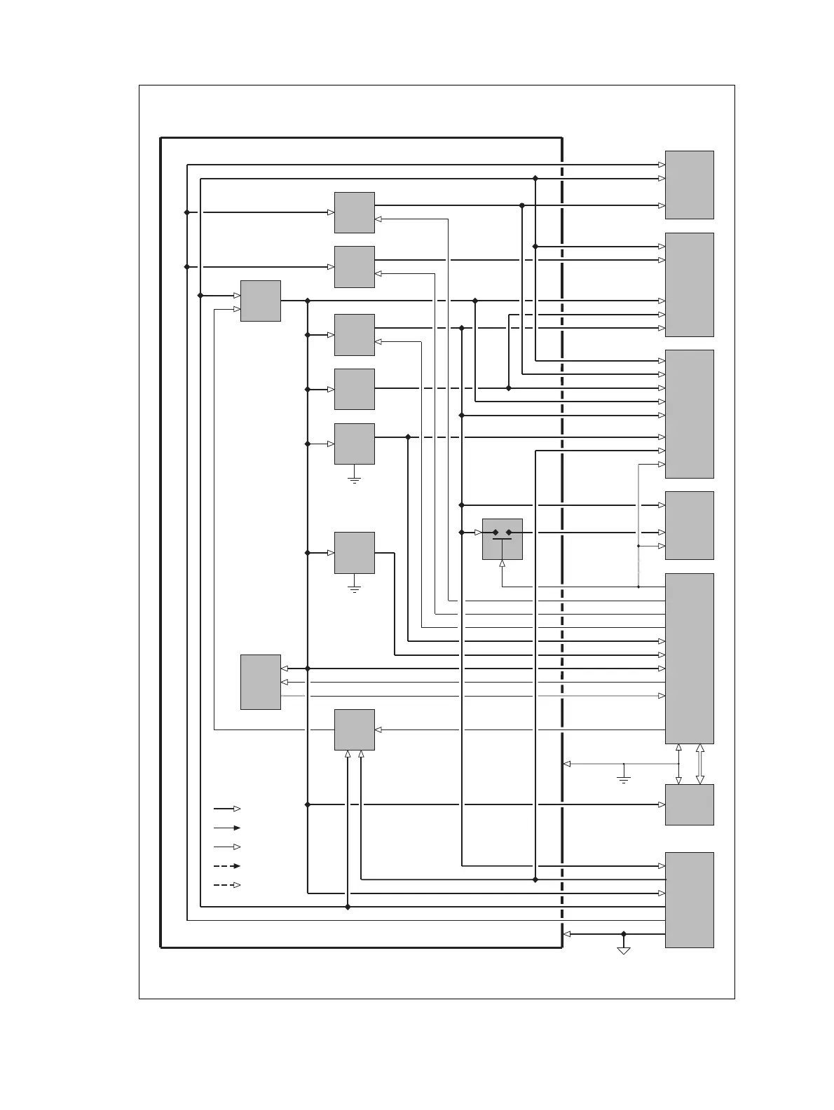
Figure 3.6 Block diagram of the power supply circuitry
Power
Supply
Trans-
mitter
Frequency
Synthesizer
CODEC
and
Audio
Receiver
Digital
Debug
Connectors
Interfaces
3V3
SMPS
3V
Regulator
5V
Regulator
+3V3
1V8
Regulator
3 V RX
Switch
PSU
Supervisor
+7V5 LINK
+5V AN
+3V3
+3V0 AN
+3V0 AN
+3V3
+1V8
+3V0 AN
+3V0 RX
DIG RX EN
DIG 5V TX EN
DIG 5V AN EN
+3V3
DIG WD KICK
PSU SYS RST
+3V3
AGND
+7V5 LINK
+7V5 BATT
1V5
SMPS
Signal Types:
analog
clock
digital
asynchronous
serial data
synchronous
serial data
+3V3
+7V5 SW
DIG PSU LATCH
2V5
Regulator
5V
Regulator
5V
Regulator
5V
Regulator
+5V TX
+7V5 LINK
+2V5 CDC
+5V TX
+7V5 SW
DIG 3V0 AN EN
+1V5
+1V8
+7V5 BATT
+7V5 LINK
+3V0 AN
+2V5 SYN
Power-up
Circuitry

Table of Contents

Other manuals for Tait TP9100

Related product manuals