EasyManua.ls Logo

TE RBK-X1 - 6 Schematic Diagram

TE RBK-X1
75 pages
Print Icon
To Next Page IconTo Next Page
To Next Page IconTo Next Page
To Previous Page IconTo Previous Page
To Previous Page IconTo Previous Page
Loading...
RBK-X1 / RBK-X1C
Rev. B Jun. 2021
62
6
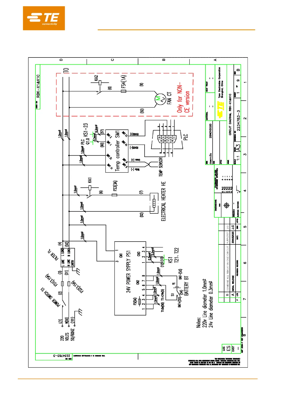
Schematic Diagram
.
Note: NON-CE version, 2234800-1 & 2376800-1. CE version, 2234800-2 & 2376800-2.

Table of Contents