EasyManua.ls Logo

Terramite TSS46 - View of Behind Dash

Terramite TSS46
94 pages
Print Icon
To Next Page IconTo Next Page
To Next Page IconTo Next Page
To Previous Page IconTo Previous Page
To Previous Page IconTo Previous Page
Loading...
3.17
WWW.TERRAMITE.COM/SAFETY
USA 1.800.428.3772
Intl. 1 .304.776.4231
Charleston, WV/USA
PARTS MANUAL
Read Operators Manual For Safety
Parts
Copyright © 2007 Terramite Corporation
&
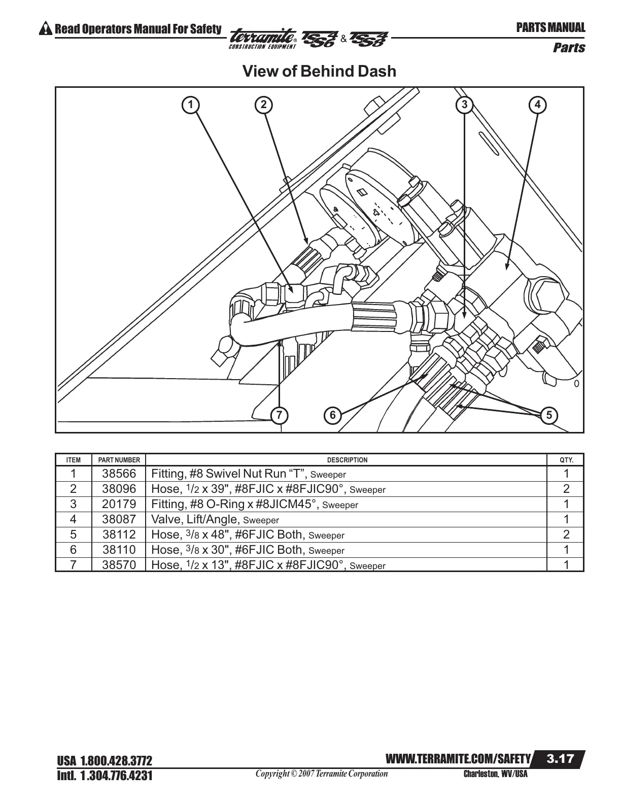
View of Behind Dash
ITEM PART NUMBER DESCRIPTION QTY.
1 38566 Fitting, #8 Swivel Nut Run “T”, Sweeper 1
2 38096 Hose,
1
/2 x 39", #8FJIC x #8FJIC90°, Sweeper 2
3 20179 Fitting, #8 O-Ring x #8JICM45°, Sweeper 1
4 38087 Valve, Lift/Angle, Sweeper 1
5 38112 Hose,
3
/8 x 48", #6FJIC Both, Sweeper 2
6 38110 Hose,
3
/8 x 30", #6FJIC Both, Sweeper 1
7 38570 Hose,
1
/2 x 13", #8FJIC x #8FJIC90°, Sweeper 1
7
1 2 3 4
6 5
Courtesy of Machine.Market

Table of Contents

Related product manuals