EasyManua.ls Logo

Terramite TSS46 - Page 75

Terramite TSS46
94 pages
Print Icon
To Next Page IconTo Next Page
To Next Page IconTo Next Page
To Previous Page IconTo Previous Page
To Previous Page IconTo Previous Page
Loading...
4.5
WWW.TERRAMITE.COM/SAFETY
USA 1.800.428.3772
Intl. 1 .304.776.4231
Charleston, WV/USA
PARTS MANUAL
Read Operators Manual For Safety
Hydraulics
&
Copyright © 2007 Terramite Corporation
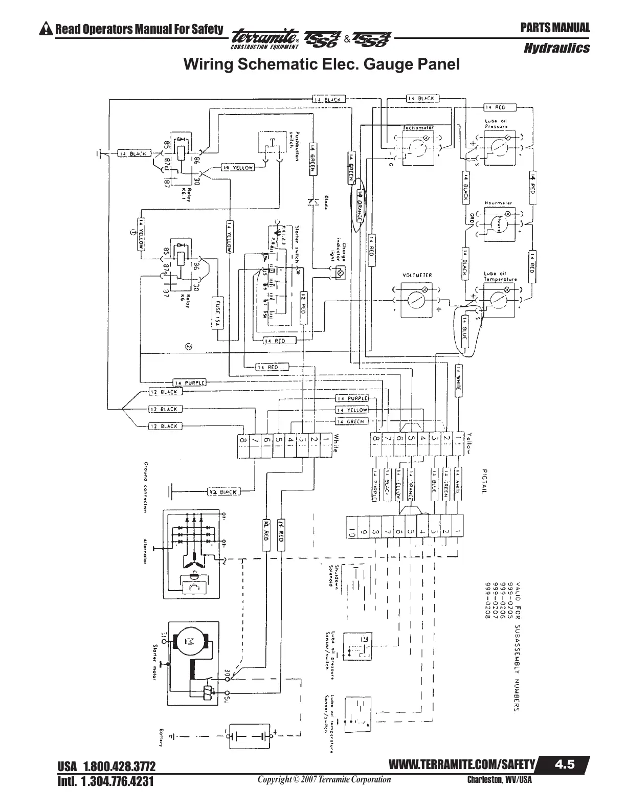
Wiring Schematic Elec. Gauge Panel
Courtesy of Machine.Market

Table of Contents

Related product manuals