EasyManua.ls Logo

Texas Instruments LDC1101EVM - MCU Schematic

Texas Instruments LDC1101EVM
44 pages
Print Icon
To Next Page IconTo Next Page
To Next Page IconTo Next Page
To Previous Page IconTo Previous Page
To Previous Page IconTo Previous Page
Loading...
EVM FW Protocol
www.ti.com
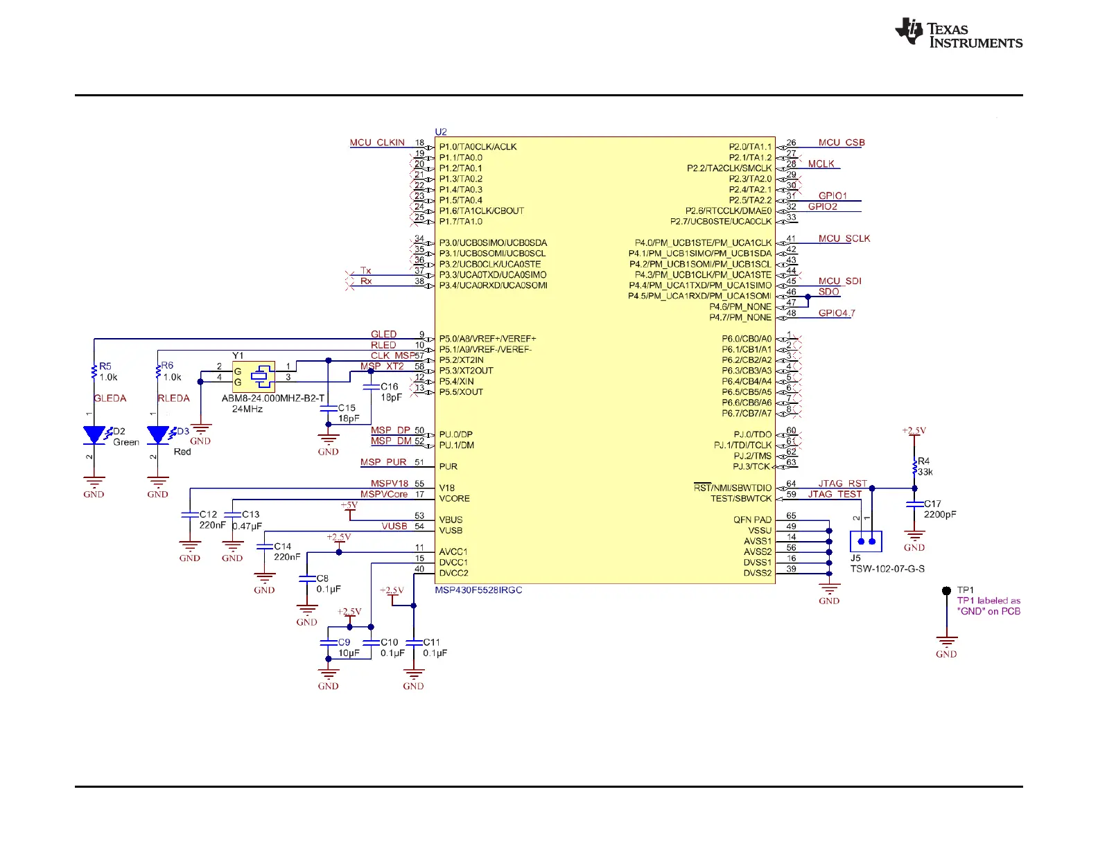
Figure 5-3. MCU Schematic
34
EVM Design - Schematic SNOU137May 2015
Submit Documentation Feedback
Copyright © 2015, Texas Instruments Incorporated

Table of Contents