EasyManua.ls Logo

Texas Instruments MSP430F5529 - Page 91

Texas Instruments MSP430F5529
128 pages
Print Icon
To Next Page IconTo Next Page
To Next Page IconTo Next Page
To Previous Page IconTo Previous Page
To Previous Page IconTo Previous Page
Loading...
P5.5/XOUT
1
0
P5DIR.5
P5IN.5
EN
Module X IN
1
0
Module X OUT
P5OUT.5
1
0
DV
SS
DV
CC
P5REN.5
Pad Logic
1
P5DS.5
0: Low drive
1: High drive
D
Bus
Keeper
to XT1
P5SEL.4
XT1BYPASS
P5SEL.5
MSP430F5529
,
MSP430F5528
,
MSP430F5527
,
MSP430F5526
MSP430F5525
,
MSP430F5524
,
MSP430F5522
,
MSP430F5521
MSP430F5519, MSP430F5517, MSP430F5515, MSP430F5514, MSP430F5513
www.ti.com
SLAS590M MARCH 2009REVISED NOVEMBER 2015
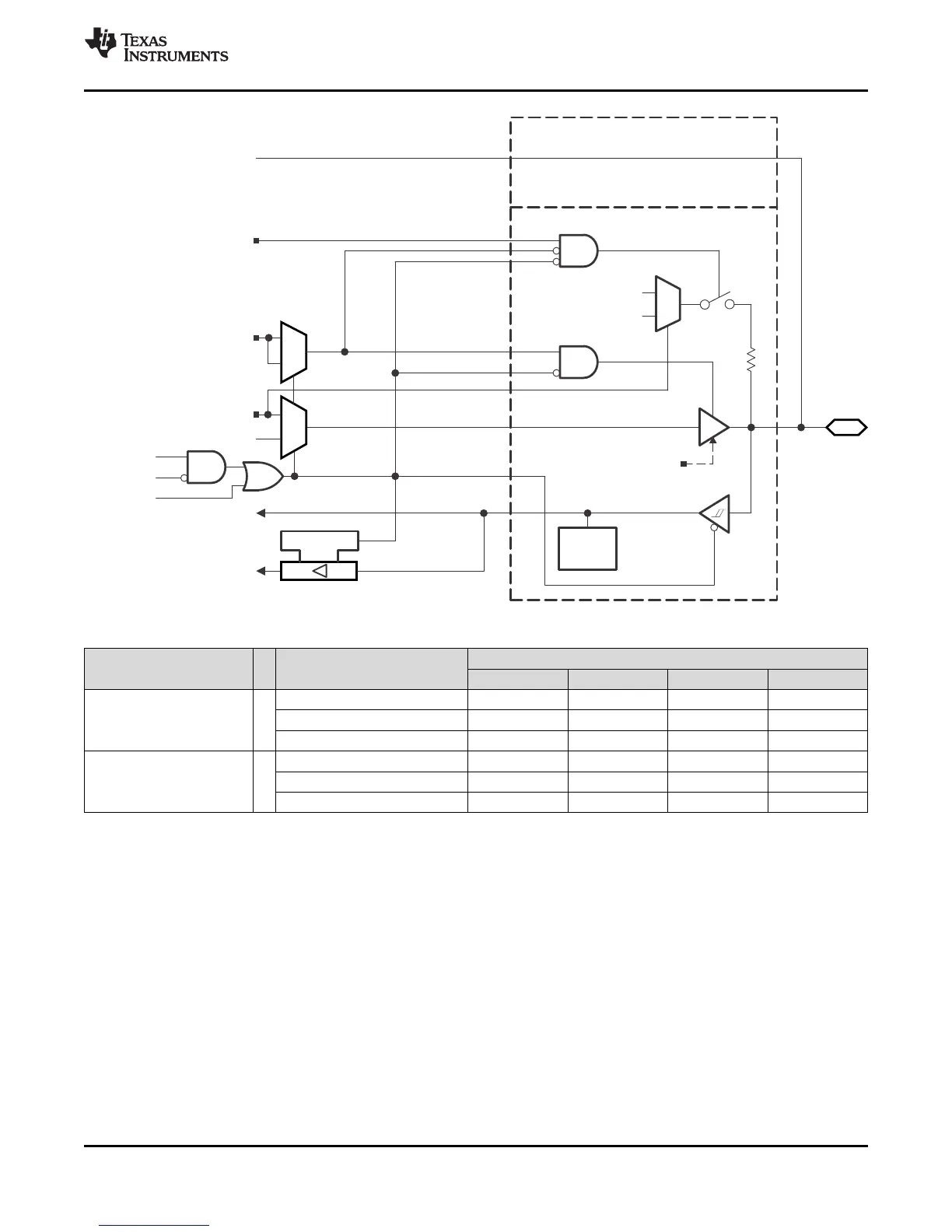
Table 6-52. Port P5 (P5.4 and P5.5) Pin Functions
CONTROL BITS OR SIGNALS
(1)
PIN NAME (P5.x) x FUNCTION
P5DIR.x P5SEL.4 P5SEL.5 XT1BYPASS
P5.4/XIN 4 P5.4 (I/O) I: 0; O: 1 0 X X
XIN crystal mode
(2)
X 1 X 0
XIN bypass mode
(2)
X 1 X 1
P5.5/XOUT 5 P5.5 (I/O) I: 0; O: 1 0 0 X
XOUT crystal mode
(3)
X 1 X 0
P5.5 (I/O)
(3)
X 1 0 1
(1) X = Don't care
(2) Setting P5SEL.4 causes the general-purpose I/O to be disabled. Pending the setting of XT1BYPASS, P5.4 is configured for crystal
mode or bypass mode.
(3) Setting P5SEL.4 causes the general-purpose I/O to be disabled in crystal mode. When using bypass mode, P5.5 can be used as
general-purpose I/O.
Copyright © 2009–2015, Texas Instruments Incorporated Detailed Description 91
Submit Documentation Feedback
Product Folder Links: MSP430F5529 MSP430F5528 MSP430F5527 MSP430F5526 MSP430F5525 MSP430F5524
MSP430F5522 MSP430F5521 MSP430F5519 MSP430F5517 MSP430F5515 MSP430F5514 MSP430F5513

Table of Contents

Related product manuals