EasyManua.ls Logo

Texas Instruments MSP430F5529 - 6.10.8 Port P5, P5.6 to P5.7, Input;Output With Schmitt Trigger

Texas Instruments MSP430F5529
128 pages
Print Icon
To Next Page IconTo Next Page
To Next Page IconTo Next Page
To Previous Page IconTo Previous Page
To Previous Page IconTo Previous Page
Loading...
P5.6/TB0.0
P5.7/TB0.1
Direction
0:Input
1:Output
P5SEL.x
1
0
P5DIR.x
P5IN.x
EN
Tomodule
1
0
FromModule
P5OUT.x
1
0
DV
SS
DV
CC
P5REN.x
PadLogic
1
P5DS.x
0:Lowdrive
1:Highdrive
D
MSP430F5529
,
MSP430F5528
,
MSP430F5527
,
MSP430F5526
MSP430F5525
,
MSP430F5524
,
MSP430F5522
,
MSP430F5521
MSP430F5519, MSP430F5517, MSP430F5515, MSP430F5514, MSP430F5513
SLAS590M MARCH 2009REVISED NOVEMBER 2015
www.ti.com
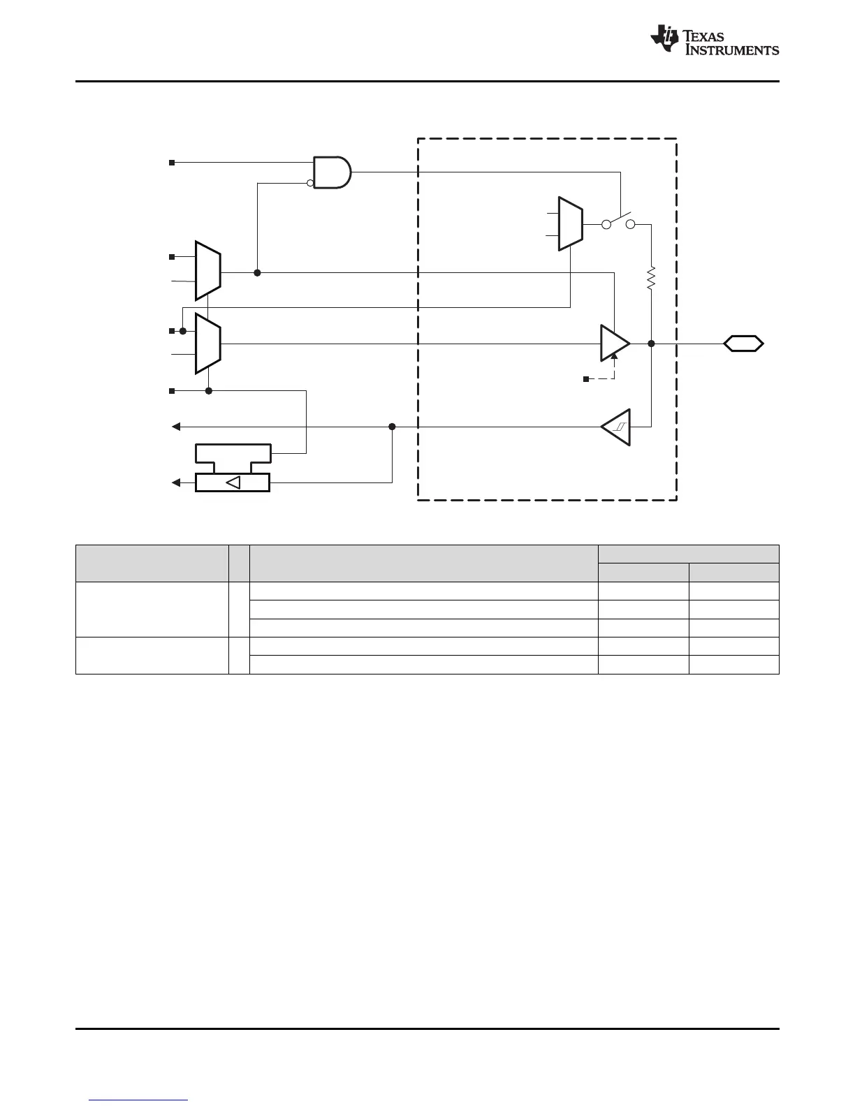
6.10.8 Port P5, P5.6 to P5.7, Input/Output With Schmitt Trigger
Table 6-53. Port P5 (P5.6 to P5.7) Pin Functions
CONTROL BITS OR SIGNALS
PIN NAME (P5.x) x FUNCTION
P5DIR.x P5SEL.x
P5.6/TB0.0
(1)
6 P5.6 (I/O) I: 0; O: 1 0
TB0.CCI0A 0 1
TB0.0 1 1
P5.7/TB0.1
(1)
7 TB0.CCI1A 0 1
TB0.1 1 1
(1) F5529, F5527, F5525, F5521, F5519, F5517, F5515 devices only.
92 Detailed Description Copyright © 2009–2015, Texas Instruments Incorporated
Submit Documentation Feedback
Product Folder Links: MSP430F5529 MSP430F5528 MSP430F5527 MSP430F5526 MSP430F5525 MSP430F5524
MSP430F5522 MSP430F5521 MSP430F5519 MSP430F5517 MSP430F5515 MSP430F5514 MSP430F5513

Table of Contents

Related product manuals