EasyManua.ls Logo

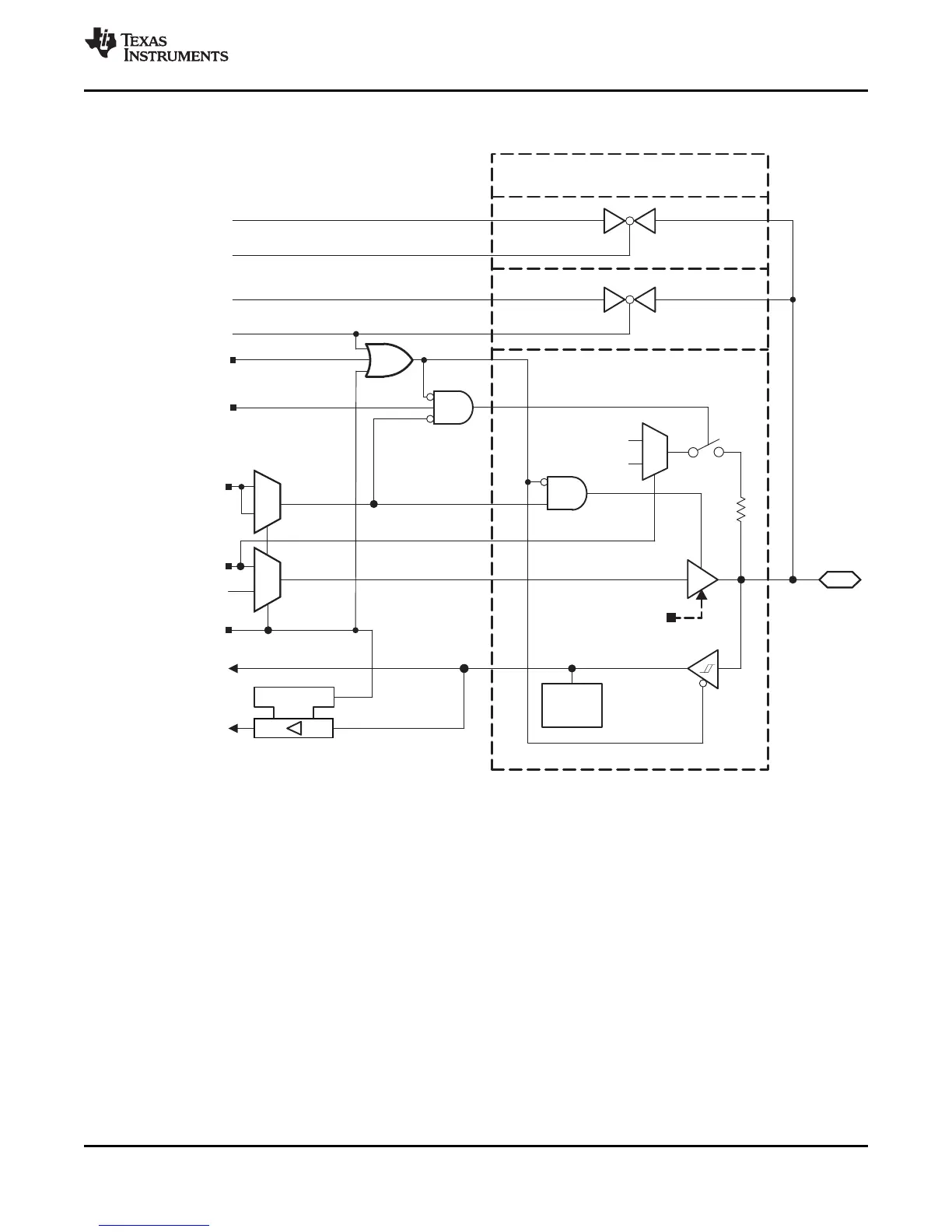
Texas Instruments MSP430F5529 - 6.10.9 Port P6, P6.0 to P6.7, Input;Output With Schmitt Trigger

Texas Instruments MSP430F5529
128 pages
Print Icon
To Next Page IconTo Next Page
To Next Page IconTo Next Page
To Previous Page IconTo Previous Page
To Previous Page IconTo Previous Page
Loading...
P6.0/CB0/(A0)
P6.1/CB1/(A1)
P6.2/CB2/(A2)
P6.3/CB3/(A3)
P6.4/CB4/(A4)
P6.5/CB5/(A5)
P6.6/CB6/(A6)
P6.7/CB7/(A7)
P6SEL.x
1
0
P6DIR.x
P6IN.x
EN
Tomodule
1
0
Frommodule
P6OUT.x
1
0
DVSS
DVCC
1
P6DS.x
0:Lowdrive
1:Highdrive
D
toComparator_B
fromComparator_B
PadLogic
to ADC12
INCHx=x
(n/aMSPF430F551x)
Bus
Keeper
Direction
0:Input
1:Output
CBPD.x
P6REN.x
(n/aMSPF430F551x)
MSP430F5529
,
MSP430F5528
,
MSP430F5527
,
MSP430F5526
MSP430F5525
,
MSP430F5524
,
MSP430F5522
,
MSP430F5521
MSP430F5519, MSP430F5517, MSP430F5515, MSP430F5514, MSP430F5513
www.ti.com
SLAS590M MARCH 2009REVISED NOVEMBER 2015
6.10.9 Port P6, P6.0 to P6.7, Input/Output With Schmitt Trigger
Copyright © 2009–2015, Texas Instruments Incorporated Detailed Description 93
Submit Documentation Feedback
Product Folder Links: MSP430F5529 MSP430F5528 MSP430F5527 MSP430F5526 MSP430F5525 MSP430F5524
MSP430F5522 MSP430F5521 MSP430F5519 MSP430F5517 MSP430F5515 MSP430F5514 MSP430F5513

Table of Contents

Related product manuals