EasyManua.ls Logo

Thomas T175 - Page 164

Thomas T175
231 pages
Print Icon
To Next Page IconTo Next Page
To Next Page IconTo Next Page
To Previous Page IconTo Previous Page
To Previous Page IconTo Previous Page
Loading...
5
5-23
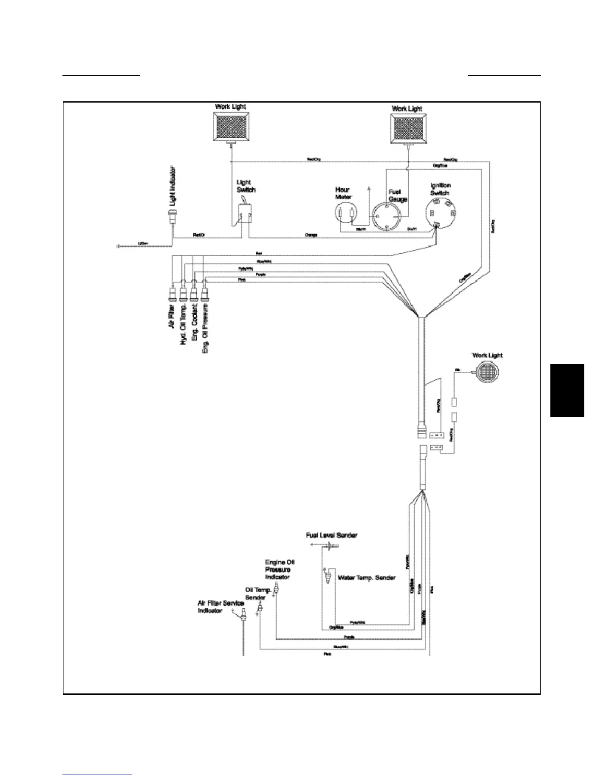
ACCESSORIES CIRCUIT 5.12
C3859

Table of Contents

Related product manuals