EasyManua.ls Logo

Tomberlin CrossFire 150 - Page 57

Tomberlin CrossFire 150
76 pages
Print Icon
To Next Page IconTo Next Page
To Next Page IconTo Next Page
To Previous Page IconTo Previous Page
To Previous Page IconTo Previous Page
Loading...
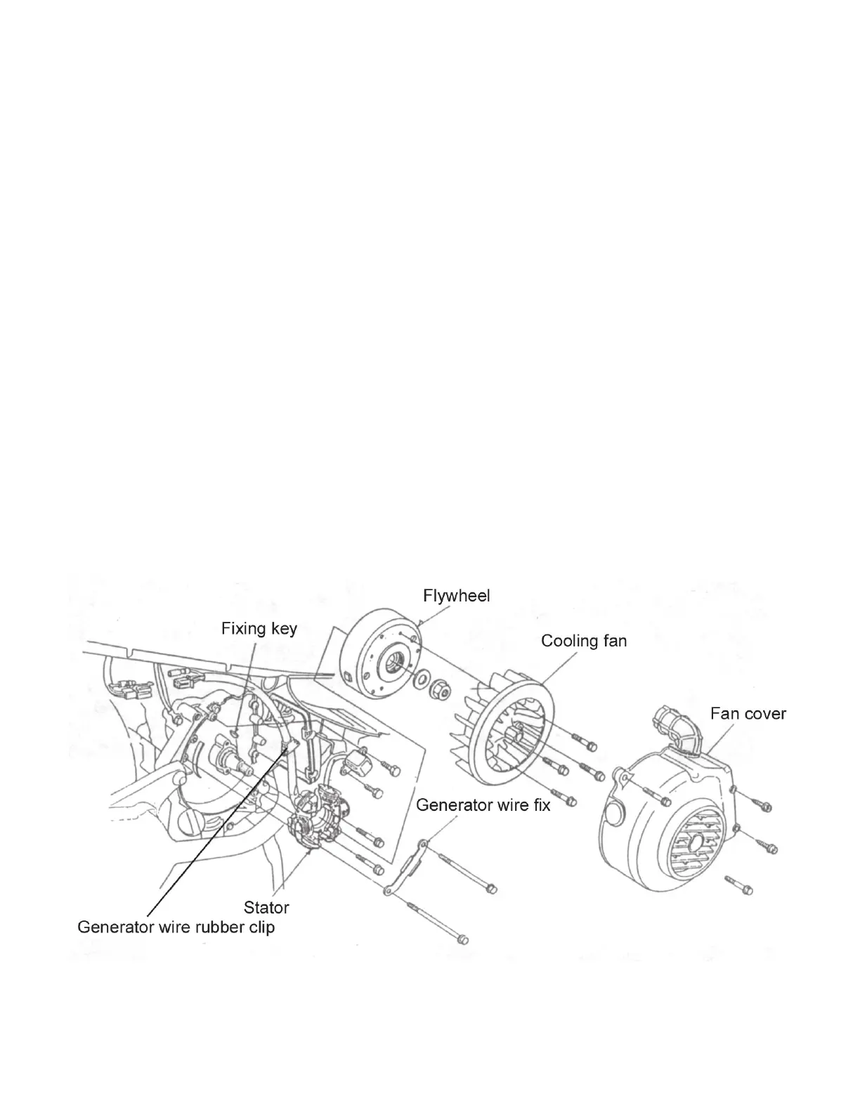
GENERATOR REMOVAL AND INSPECTION
GENERATOR REMOVAL
•Remove the cooling fan cover bolt and screw.
• Remove the cooling fan cover.
• Remove the cooling fan bolt and remove the cooling fan.
• Hold the fl ywheel and remove the fl ywheel nut.
• Remove the fl ywheel with a fl ywheel puller, and remove the solid key.
• Remove the generator wire connector.
GENERATOR INSTALLATION
Reverse the removal procedure for installation.
• When installing the fl ywheel, make sure there are no metal pieces, such as bolts or nuts, attaching to the inner
wall of the fl ywheel.
After the installation is fi nished, start the engine and inspect the ignition timing.
53