EasyManua.ls Logo

TR-Electronic LMRB-48 - Installation Types with Magnetizable Material; Mounting Example LA-66

Default Icon
Print Icon
To Next Page IconTo Next Page
To Next Page IconTo Next Page
To Previous Page IconTo Previous Page
To Previous Page IconTo Previous Page
Loading...
Installation in hydraulic cylinders
TR-Electronic GmbH 2007, All Rights Reserved Printed in the Federal Republic of Germany
Page 46 of 51 TR-ELA-BA-DGB-0004 v16 03/17/2021
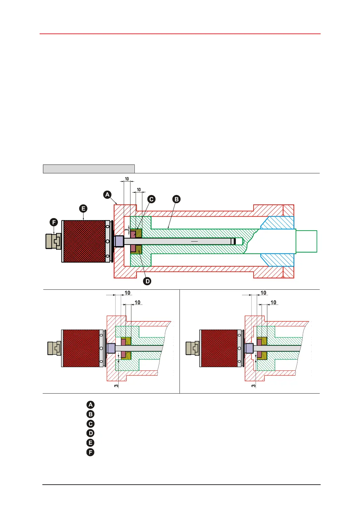
5.2 Installation types with magnetizable material
If at the installation of the linear sensor magnetizable materials are used, it is
necessary to use not magnetizable material for the spacer with minimum 10 mm
thickness and minimum 3 mm bigger than the perimeter of the position sensor. The
spacer must be mounted between the position sensor and its mounting. For mounting
the position sensor, screws must be used of not magnetizable materials such as
brass, aluminum, plastic etc..
The TR-Linear-Sensors which are made for the external mounting into the hydraulic
cylinder are screwed over a M18 x 1.5 thread. On the side of the flange the sealing is
made radially or axially via an O-ring (No scope of supply!).
5.2.1 Mounting example LA-66
Example LA-66
Hydraulic cylinder
Piston rod
Spacer, consisting of not magnetizable material
Magnet (Position sensor)
Measuring system
Connector plug

Table of Contents

Related product manuals