EasyManua.ls Logo

TWERD Power Electronics PS100-WT - Inverter with WT Generator Input

TWERD Power Electronics PS100-WT
76 pages
Print Icon
To Next Page IconTo Next Page
To Next Page IconTo Next Page
To Previous Page IconTo Previous Page
To Previous Page IconTo Previous Page
Loading...
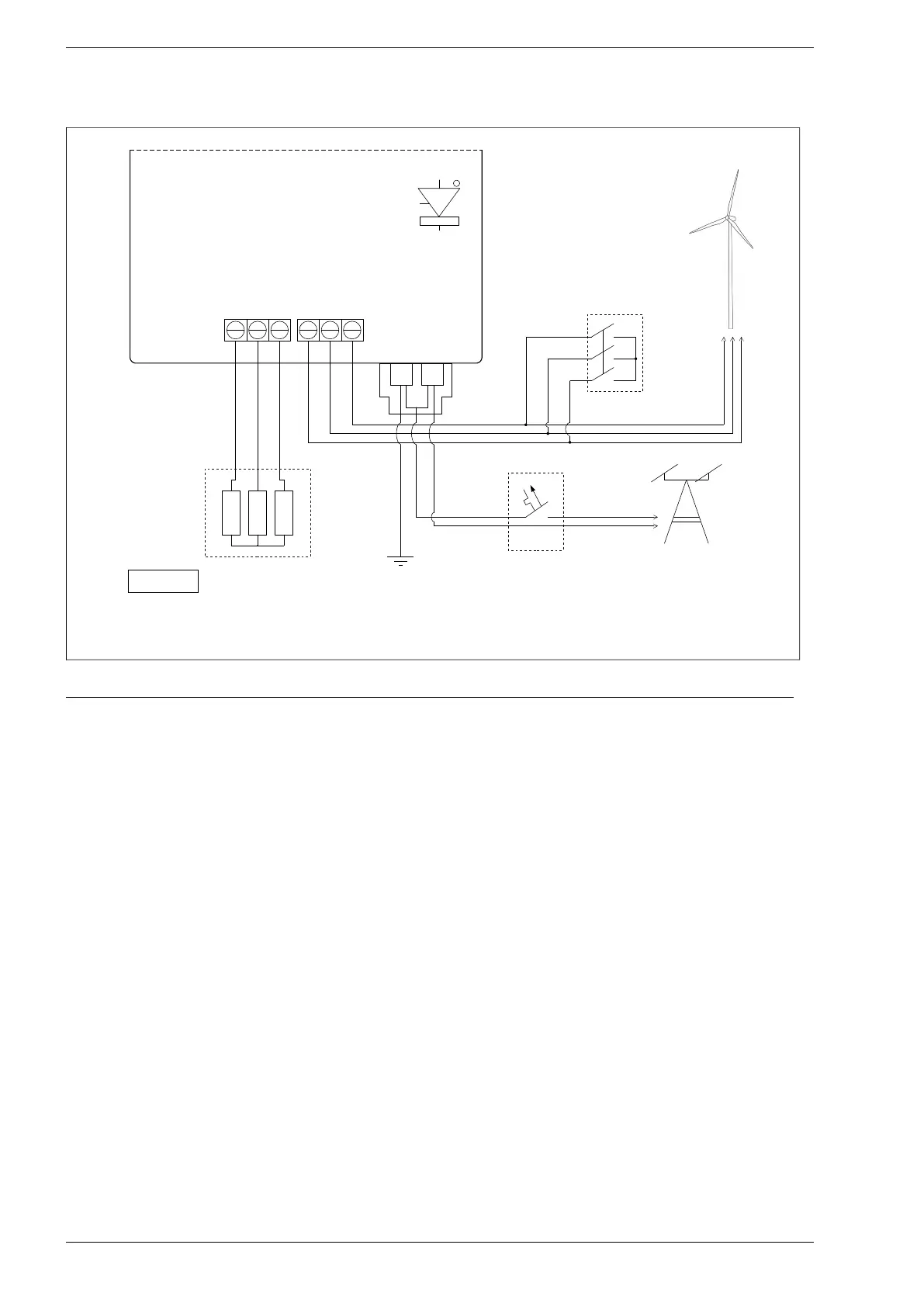
Chapter 5. ON-GRID installation
5.1. Inverter with WT generator input
REZYST.
GENER.
ps100-02.4-en
PS100-WT
R
TWERD
L
NPE
Dump load
resistors
Protection
Electrical grid
L,N: 230V 50Hz
Emergency
STOP
Wind turbine with
synchronous
generator
Fig. 5.1. Power circuits wiring diagram for PS100-WT inverter
When connecting a three-phase permanent magnet generator, the following sequence should be followed:
1. Switch On the Emergency STOP.
2. Unscrew the inverter cover by 4 screws.
3. Connect the generator wires to GENERATOR terminal strip.
4. Connect the generator load resistors to RESISTOR terminal strip.
5. Be sure that there is no dangerous voltage on wires(!) and then connect to L,N,PE terminal strip the
electrical line.
6. Switch On the power from public electric side.
7. Set the inverter parameters: load characteristic in group 3, breaking parameters in group 10, the
point of start and stop of generator in parameters: 2.1, 1.20 i 1.21. Detailed description is placed in
chapter 8.
8. Refasten the inverter cover by four screws.
9. Switch OFF the Emergency STOP.
10. Wait a while to ensure that inverter did not signal the fault.
24 PS100 – User manual

Table of Contents

Related product manuals