EasyManua.ls Logo

Unique CU Series - Electrical Connections Scheme

Default Icon
108 pages
Print Icon
To Next Page IconTo Next Page
To Next Page IconTo Next Page
To Previous Page IconTo Previous Page
To Previous Page IconTo Previous Page
Loading...
- 55 -
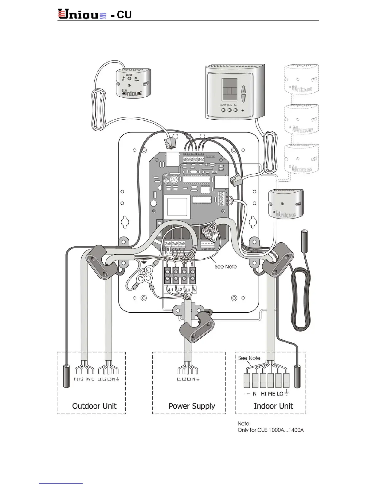
8.4 Electrical Wiring Scheme

Table of Contents

Related product manuals