EasyManua.ls Logo

Vacon NX series - Derating; Ambient Temperature

Vacon NX series
122 pages
Print Icon
To Next Page IconTo Next Page
To Next Page IconTo Next Page
To Previous Page IconTo Previous Page
To Previous Page IconTo Previous Page
Loading...
4
vacon • 48 Active Front End (AFE)
Local contacts: http://drives.danfoss.com/danfoss-drives/local-contacts/
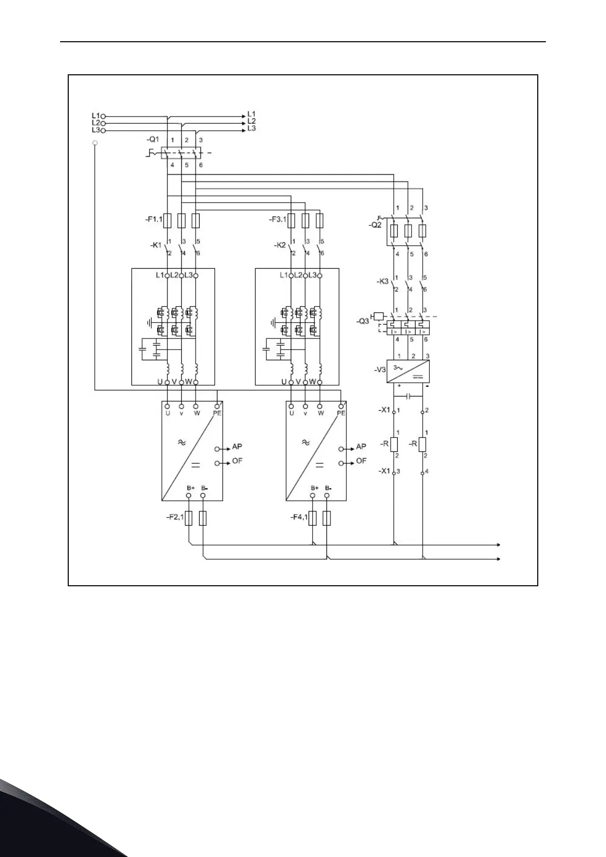
Figure 19. Active Front End units parallel connection with one common pre-charging circuit
11165.emf
PE
+LCL-U1
+AFE-U1
NXA xxxx x
DC+
DC-
+LCL-U2
+AFE-U2
NXA xxxx x
Main Circuit
Double Insulated
Double Insulated

Table of Contents

Other manuals for Vacon NX series

Related product manuals