EasyManua.ls Logo

Valor H6 - Wiring Diagram

Default Icon
102 pages
Print Icon
To Next Page IconTo Next Page
To Next Page IconTo Next Page
To Previous Page IconTo Previous Page
To Previous Page IconTo Previous Page
Loading...
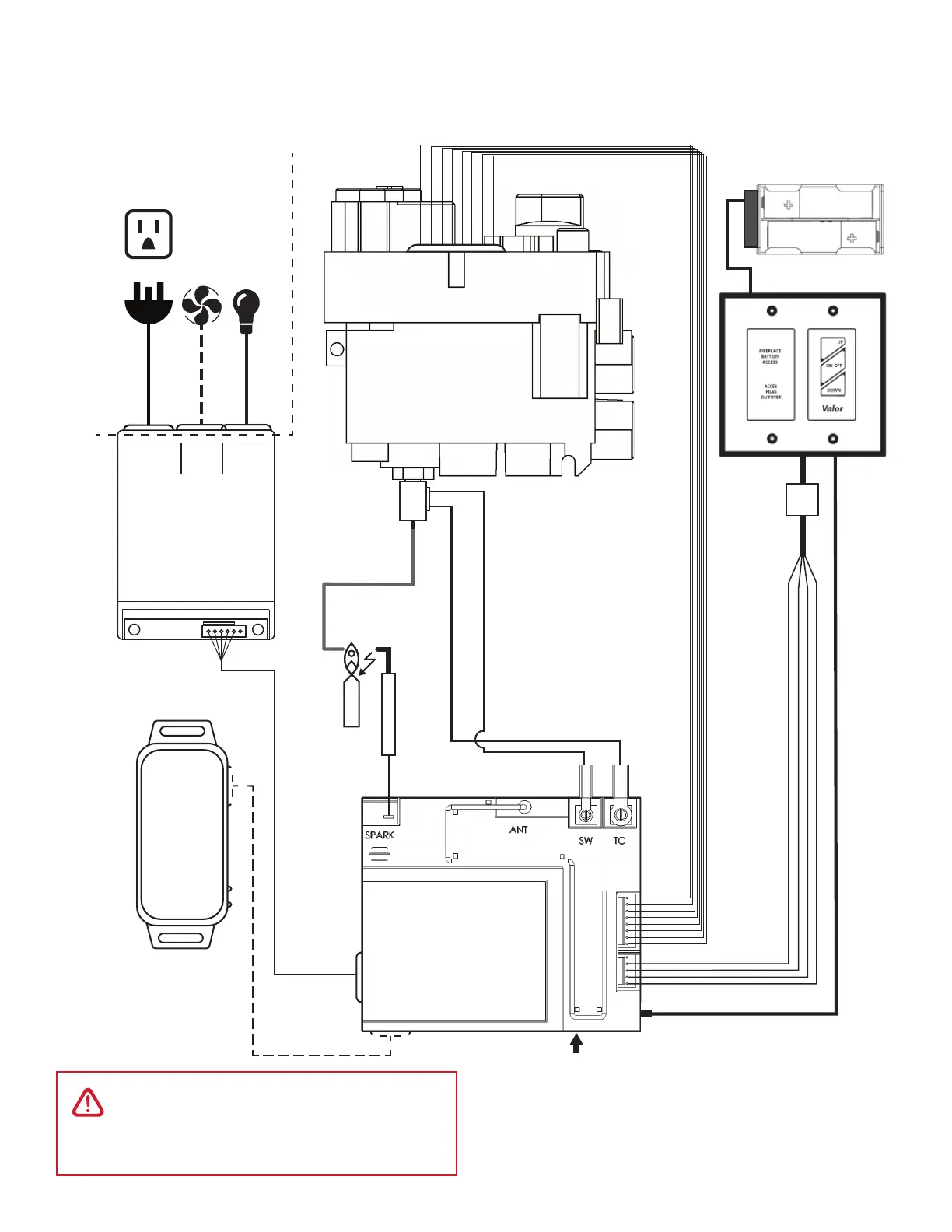
65
1495CFK
Wiring Diagram
GV60
IGNITOR
red
Interruptor
Block
black
Battery Holder
PILOT
Wifi
Module
(optional)
LIGHT
POWER
V-Module
120V
Low voltage
LightsFan
(optional)
FAN
AC Power
MAN Knob
Combination Control Valve
Main Valve Knob
PANEL
redyellow
Receiver
Antenna
RESET Button
RBWSK
Connector
Battery Holder
Battery Power
Thermocouple
8-Wire Cable (bundled)
WARNING
NO ELECTRICAL CONNECTION ALLOWED
for any outdoor installation!

Related product manuals